Stereo wiring diagrams

Tiny
CACTUSJAY32
  • MEMBER
  • 1995 DODGE RAM
V8 engine.

I need the color code for the stereo wiring in order to install an after market CD player. The wiring harness for the CD player has twelve wires if I am not mistaken. Ground, ignition power, constant power, antenna, +/- speakers (four).
Friday, July 11th, 2008 AT 9:36 PM

13 Replies

Tiny
KEN L
  • MASTER CERTIFIED MECHANIC
  • 55,522 POSTS
Hello,

There are two different stereos for these trucks so got have both wiring diagrams for you and a guide to help you test which ones are ground and power

https://www.2carpros.com/articles/how-to-use-a-test-light-circuit-tester

Please don't worry if the color coding of the wiring is wrong. It was very common for the OEM to switch wiring back then and they would basically pick the most common wire colors and make the wiring diagram reflect that color.

Please let us know if you need anything else to get the problem fixed.

Cheers, Ken
Was this
answer
helpful?
Yes
No
+7
Monday, October 2nd, 2017 AT 7:15 PM
Tiny
CHADMILLER9412
  • MEMBER
  • 1 POST
  • 1995 DODGE RAM
  • 3.9L
  • V8
  • 4WD
  • AUTOMATIC
  • 100,000 MILES
I need a color coated wiring diagram for my truck listed above it is a 2500. It has fourteen wires and I can'=not seem to find one can anyone help me. Thank you!
Was this
answer
helpful?
Yes
No
Monday, October 2nd, 2017 AT 7:15 PM (Merged)
Tiny
HMAC300
  • MECHANIC
  • 48,601 POSTS
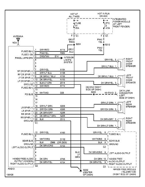
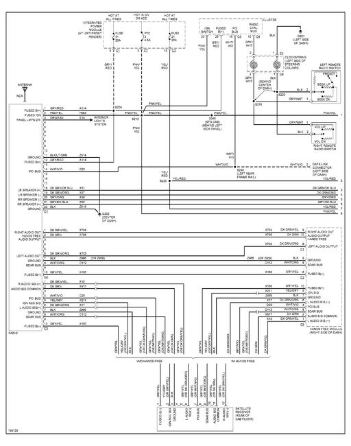
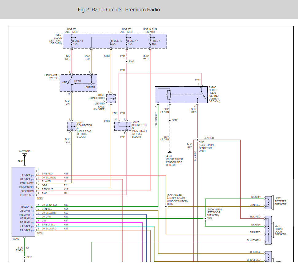
There are two different ones we need to know which is which. One picture is base other is premium.
Was this
answer
helpful?
Yes
No
+11
Monday, October 2nd, 2017 AT 7:15 PM (Merged)
Tiny
SUPER_SPOKE1
  • MEMBER
  • 1 POST
  • 1995 DODGE RAM
  • V8
  • 2WD
  • AUTOMATIC
  • 102,000 MILES
Hi,
I just received the truck from a friend and was told that the radio sometimes works and then doesn't. I'd like to take a crack at fixing it without having to take to a dealer or replace if possible. Do you have any idea as to what may be going on or is a replacement going to be needed?
Was this
answer
helpful?
Yes
No
-1
Wednesday, June 26th, 2019 AT 6:21 PM (Merged)
Tiny
NOMADVALUES
  • MEMBER
  • 9 POSTS
When You say that the radio sometimes works and then doesn't. What do you mean? When it doesn't, is the power to the radio shut off as well. Or, is the power to the radio still there and you are not recieving sound from the speakers?

In anycase there may be a short somewhere down the line. I would pull the unit from the dash and make sure that the red and yellow positive lines to your sterio has good connection, and check the ground connections as well.

However, if you still have power to the unit but there is no sound comming from the speakers. As with my 96 Ram 1500. I ended up replacing both the speakers and wires. If I turned up the volume past 15, the speakers would shut down. I would still have power to the unit though. It turned out there was a problem in the factory speaker wiring harness.

So I directly hooked my speakers to the system bypassing the harness that came from the fasctory and all is well for me. I used the 18 gauge speaker wires.

Hope it helps.
Was this
answer
helpful?
Yes
No
+1
Wednesday, June 26th, 2019 AT 6:21 PM (Merged)
Tiny
JIMSPAC
  • MEMBER
  • 1 POST
I believe I have the identical problem with my 1995 Ram 1500 4wd am/fm/cassette unit. The unit will blackout completely(no display, sound or any function) for long periods of time, like months. Occasionally, after driving for extended times there will be 1 horizontal line in the top of the display, seems to be the top of a zero, then after awhile longer the display will show 12:00. Sometimes the unit will start working for a few weeks, then back to nothing for months. I am on my 2nd unit after having the same issues with the original
Was this
answer
helpful?
Yes
No
+4
Wednesday, June 26th, 2019 AT 6:21 PM (Merged)
Tiny
NOMADVALUES
  • MEMBER
  • 9 POSTS
To me, it sounds as there may be a short in a speaker wire somewhere down the line. If the wire itself is touching metal it will shut the system sown preventing an overload (short) so you won't fry the deck. Have you put in an amp? Or EQ. If so make sure all wires are hooked up as factory directions indicates. You can also get a feed-back if your amp or EQ's out-put speaker wires are in reverse. Ie you may have put the (+) wire to the (-). Just something to check out. Also did you make sure your yellow and red (power on and Acc) wires were correctly wired?

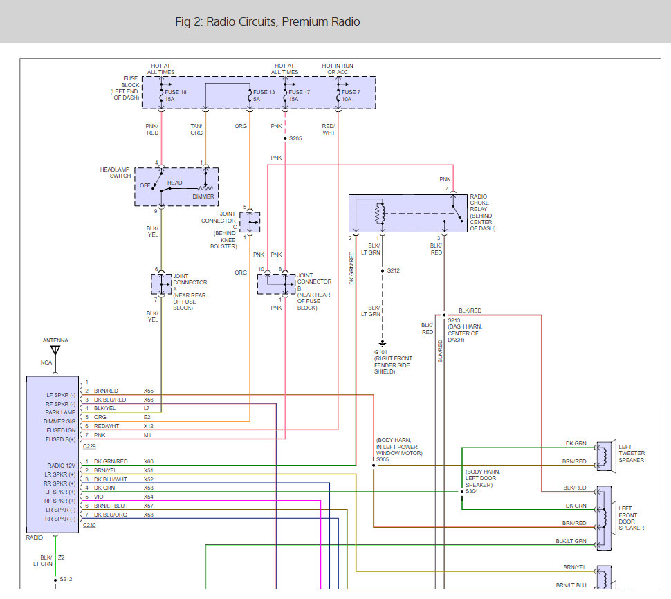
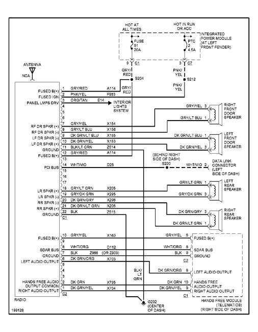
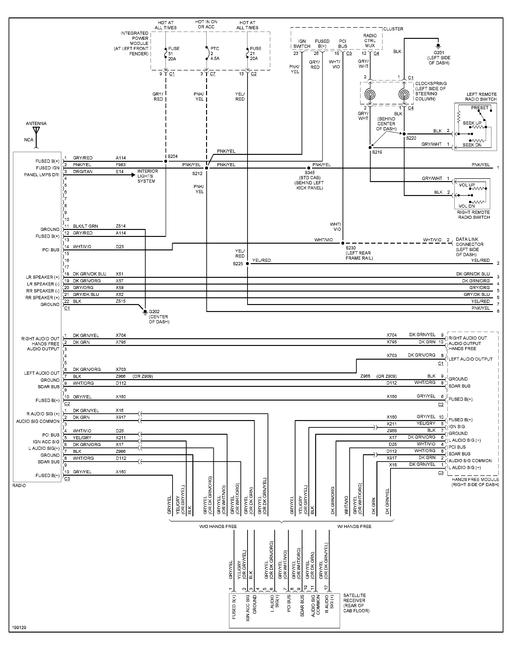
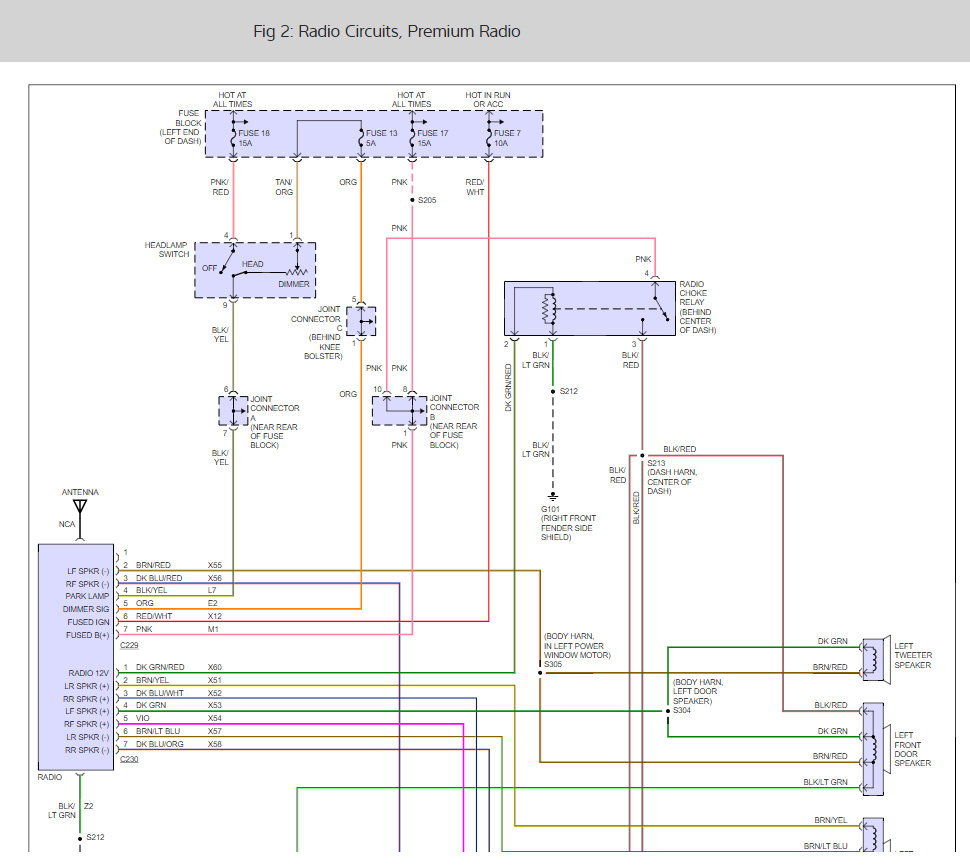
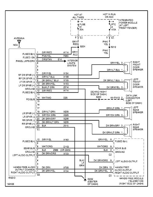
The wiring diagrams for your radio are attached below, check all wiring carefully to be sure its not grounding out
Was this
answer
helpful?
Yes
No
+2
Wednesday, June 26th, 2019 AT 6:21 PM (Merged)
Tiny
MEGG92
  • MEMBER
  • 4 POSTS
  • 2005 DODGE RAM
I have a 2005 dodge ram 1500 and I'm trying to put in an aftermarket stereo could you check my wiring to see where I went wrong

I have.
Black to black
Dark Green/yellow to gray
Dark green/light green to purple
Dark green/light blue to gray/black
Pink/yellow to yellow
Grey/light blue to black/white
Dark green/gray to purple/black
2 gray/red to red
Gray/light green to green
Gray/yellow to white
Gray/dark green to dark green/black

In the dash I have black/green, orange/gray, white/purple. Left and on the wiring harness I have dark blue left and don't know where to put it.
I'm not even totally sure the rest are right
Was this
answer
helpful?
Yes
No
Wednesday, June 26th, 2019 AT 6:21 PM (Merged)
Tiny
CJ MEDEVAC
  • MECHANIC
  • 11,005 POSTS
GOT A WIRE DIAGRAM?

WANT ONE FOR THE TRUCK. FROM "MITCHELL I" IF IT'S AVAILABLE

I NEED SPECIFICS ON WHAT YOU HAVE. LIKE STUPID EXAMPLE LTD. LE. GXL. EVEN ENGINE SIZE!

TYPE OF STEREO SYSTEM THE TRUCK HAS/ HAD

THE MEDIC
Was this
answer
helpful?
Yes
No
+2
Wednesday, June 26th, 2019 AT 6:21 PM (Merged)
Tiny
MEGG92
  • MEMBER
  • 4 POSTS
Would the vin number help?
Was this
answer
helpful?
Yes
No
Wednesday, June 26th, 2019 AT 6:21 PM (Merged)
Tiny
MEGG92
  • MEMBER
  • 4 POSTS
I don't need a wire diagram because it means nothing to me, I just need to know what color goes to what
Was this
answer
helpful?
Yes
No
Wednesday, June 26th, 2019 AT 6:21 PM (Merged)
Tiny
MEGG92
  • MEMBER
  • 4 POSTS
It's a 3.7 v6
Was this
answer
helpful?
Yes
No
Wednesday, June 26th, 2019 AT 6:21 PM (Merged)
Tiny
CJ MEDEVAC
  • MECHANIC
  • 11,005 POSTS
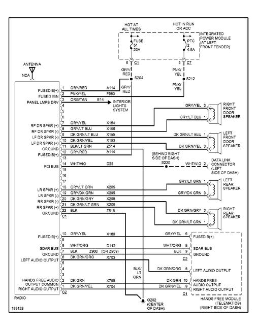
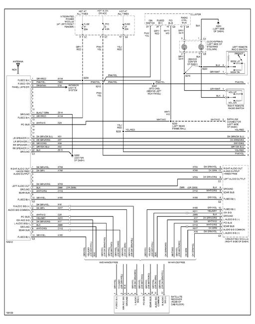
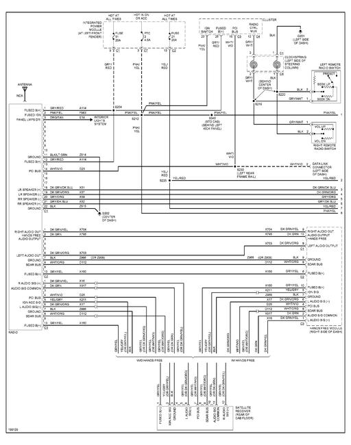
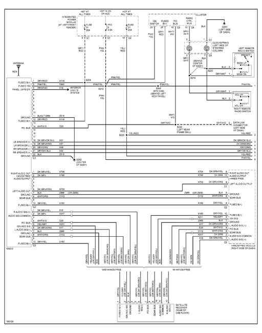
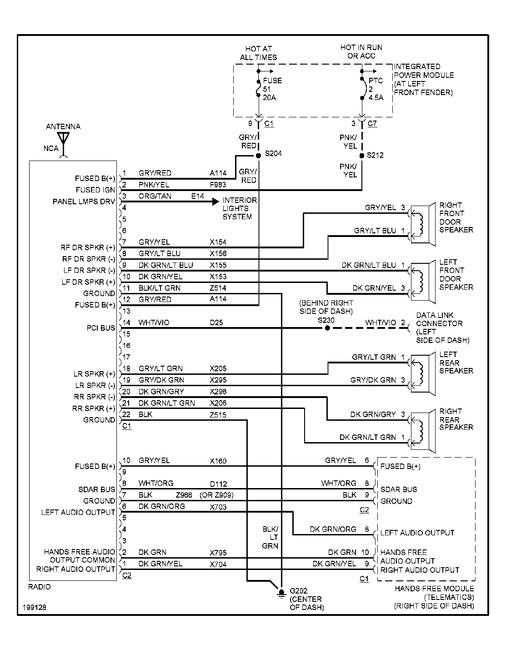
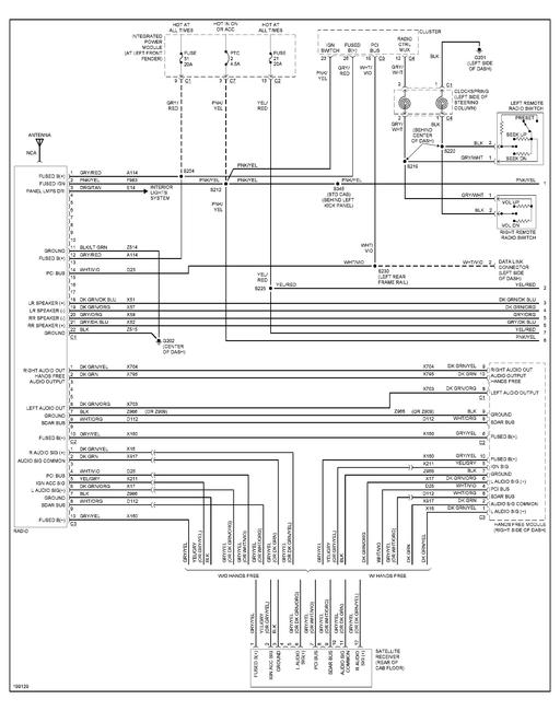
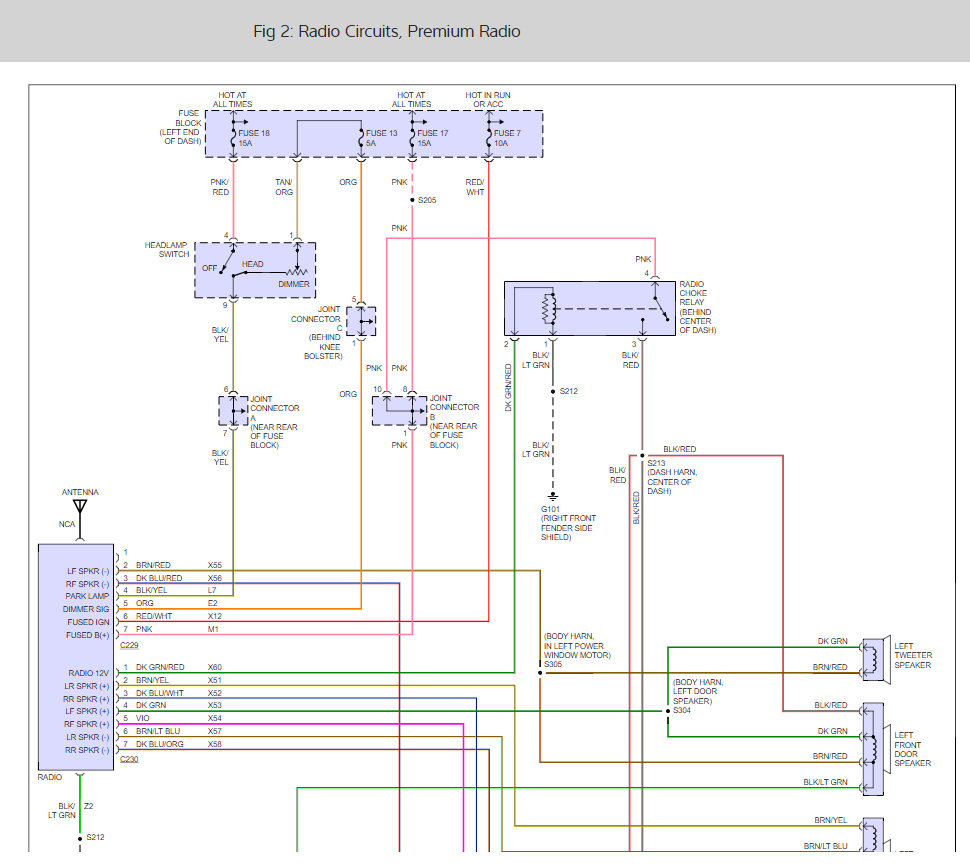
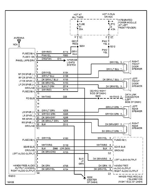
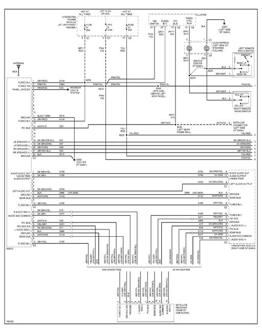
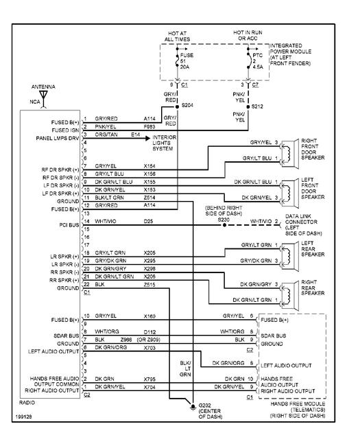
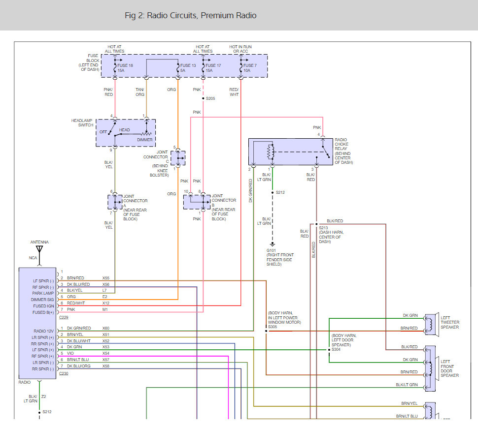
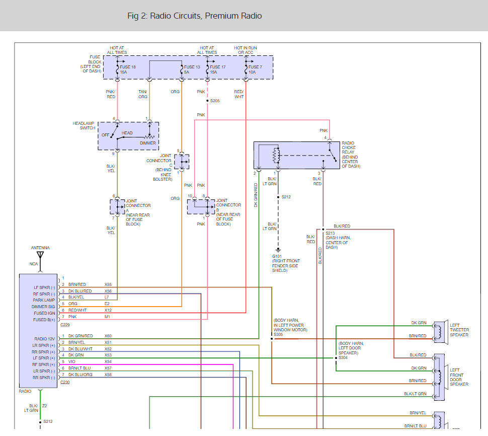
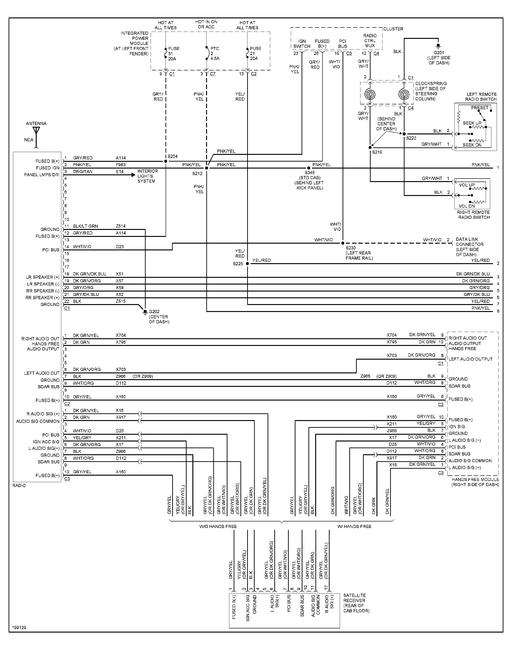
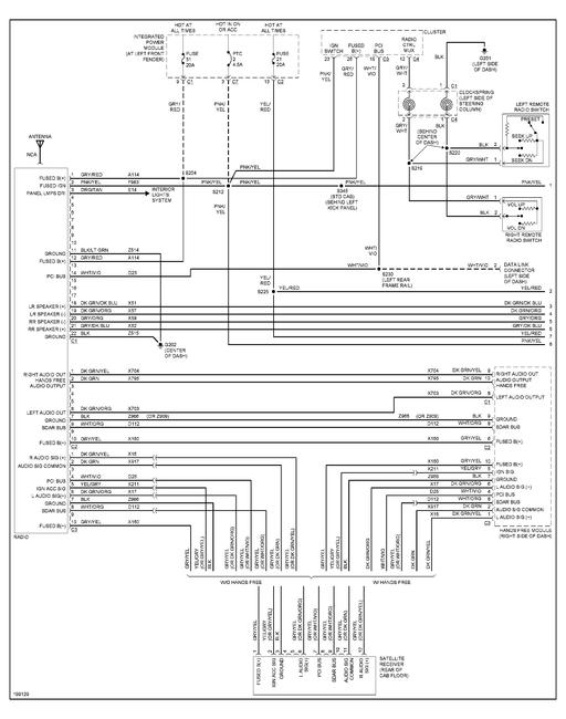
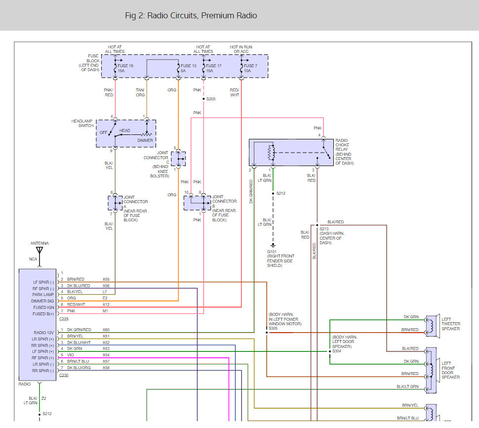
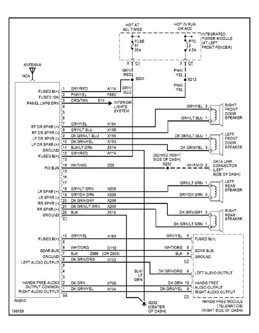
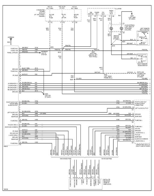
2 versions that were offered. You should be able to figure out which system you have, by looking over the diagrams

1st diagram is the "base" radio diagram. In other words, the "run of the mill job"

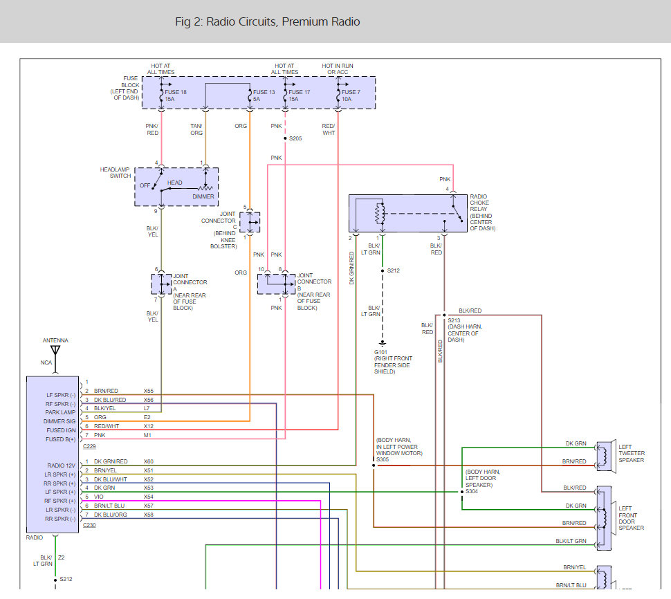
2nd and 3rd diagrams are for the "premium radio". Sorta the "high dollar option"

you might copy these 2 and print them. Then join the diagrams together

i think these diagrams will serve yo well. Even though they are not colored, the colors are listed beside the wires when you get these, reply back and let me know what you think click on them to enlarge them below.
Was this
answer
helpful?
Yes
No
Wednesday, June 26th, 2019 AT 6:21 PM (Merged)

Please login or register to post a reply.