Need wiring diagram for stereos?

Tiny
FEKY
  • MEMBER
  • 2016 KIA OPTIMA
  • 1.7L
  • 4 CYL
  • TURBO
  • 2WD
  • MANUAL
  • 100,000 MILES
I need headunit/ stereo diagram for kia Optime JF 2016. With Harman Kardon Sound System and AVM 360 camera.
The original HU is Part: 96560-D4900WK
and the new one is 96560-D4850WK
Thank you
Friday, February 6th, 2026 AT 2:56 PM

3 Replies

Tiny
KEN L
  • MASTER CERTIFIED MECHANIC
  • 55,302 POSTS
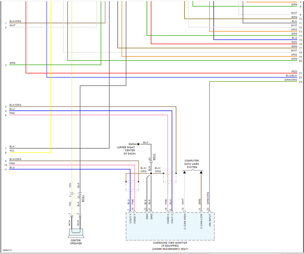
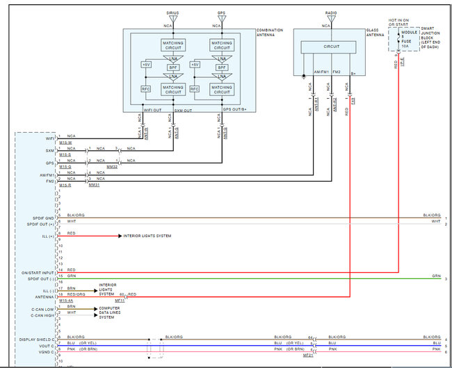
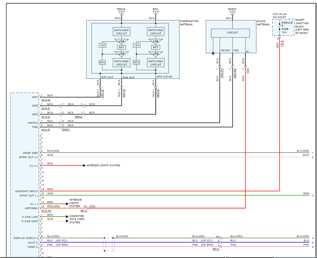
Sure, here is the wiring diagrams for the radio you have requested. Check out the images (below). Let us know if you need anything else.
Was this
answer
helpful?
Yes
No
Saturday, February 7th, 2026 AT 9:14 AM
Tiny
FEKY
  • MEMBER
  • 2 POSTS
Hi Ken! Thank You for the Diagrams! But as far as I can see You gave me the Diagram for older (96560-D4900WK) Unit. Could You give me anothe one for the newer? (96560-D4850WK). The Diagram should be Different? As far as there are not so many connections. Is there any Difference fore EU and US Versions (other than Sirius).
Thank You!
Was this
answer
helpful?
Yes
No
Sunday, February 8th, 2026 AT 12:46 AM
Tiny
KEN L
  • MASTER CERTIFIED MECHANIC
  • 55,302 POSTS
This is all they give us, here is a link so you can go over the 10 different sound systems they show.

https://www.alldata.com/diy-us/en

Please go over this guide and get back to us.
Was this
answer
helpful?
Yes
No
Sunday, February 8th, 2026 AT 8:54 AM

Please login or register to post a reply.