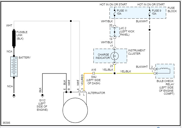
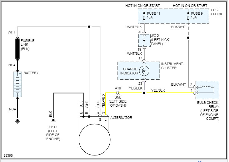
The charge light bulb tests good, but never lights up, except very dimly in the following scenario:
Sometimes, maybe 1 in four times, when I turn the engine from the on position back to accessory, the indicator lights will not turn off, except for the airbag light, which then turns back on after a few seconds along with a slight dim glow which slowly creeps into the battery light.
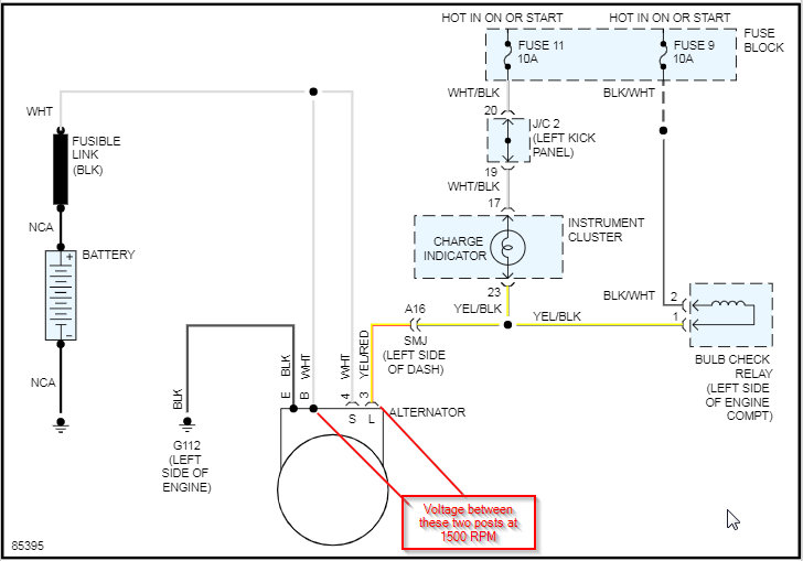
I have also noticed that when I disconnect the alternator, the yellow/black wire shows a voltage to the + terminal of the battery when the car is off, and a voltage to the - terminal when the key is turned on. This led me to check for continuity to the opposite battery pole in each case, and I found 13 ohms to - in the off position but no continuity to either pole in the on position.
I feel like I might have hooked jumper cables up backwards in the dark like a silly billy but am not 100% sure about that memory as I was very sleep deprived at the time. Is there a fried diode somewhere? I'm baffled.
Tuesday, October 6th, 2020 AT 2:34 PM




