Passenger high beam not working

Tiny
BRANDON JIMENEZ
  • MEMBER
  • 2004 CHEVROLET IMPALA
  • 2.3L
  • 6 CYL
  • 2WD
  • AUTOMATIC
  • 15,362 MILES
I turn my high beams on and my passenger side high beam not working.
Wednesday, January 16th, 2019 AT 12:21 AM

1 Reply

Tiny
ASEMASTER6371
  • MECHANIC
  • 52,796 POSTS
Good morning,

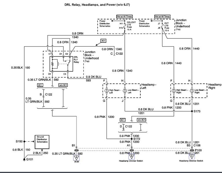
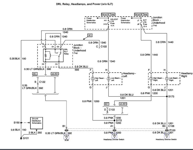
Verify the fuses have power on both sides for the headlights. I attached a diagram for you to view.

https://www.2carpros.com/articles/how-to-check-wiring

Then go to the connector on the lights not working and verify power to the connector. If you do, then check your grounds. If you do not, you have a wiring harness issue.

Roy
Was this
answer
helpful?
Yes
No
Wednesday, January 16th, 2019 AT 4:18 AM

Please login or register to post a reply.