Interior lights stay on unless I take the fuse out?

Tiny
CHRISTOPHER ARGUELLES
  • MEMBER
  • 1993 FORD THUNDERBIRD
  • 3.5L
  • AUTOMATIC
  • 600,000 MILES
My interior lights stay on unless I take the fuse out but if I don't unhook the battery, it will drain.
Monday, July 3rd, 2023 AT 2:35 AM

1 Reply

Tiny
KEN L
  • MASTER CERTIFIED MECHANIC
  • 55,481 POSTS
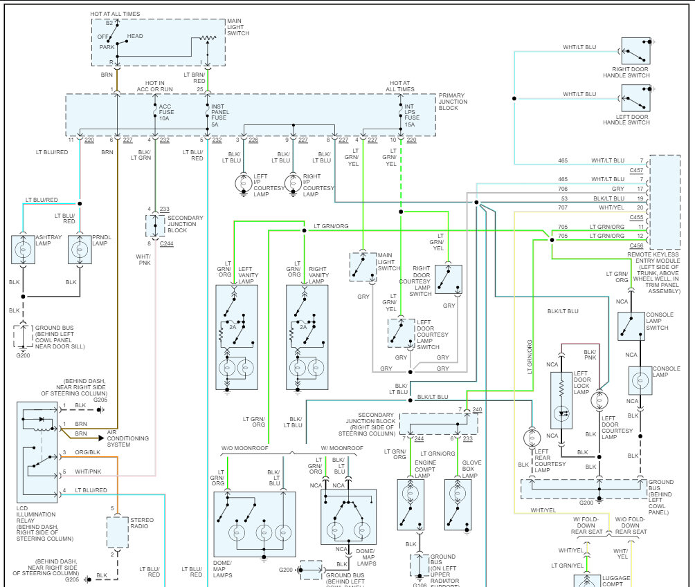
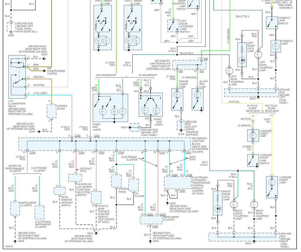
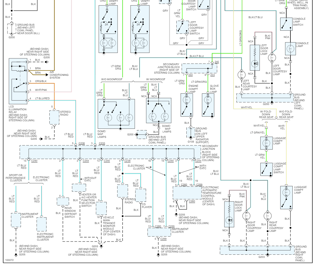
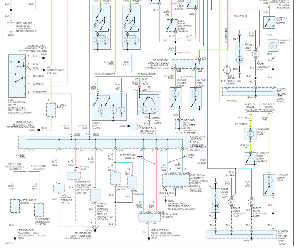
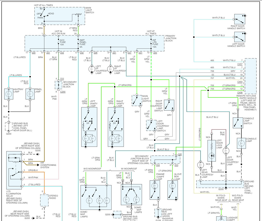
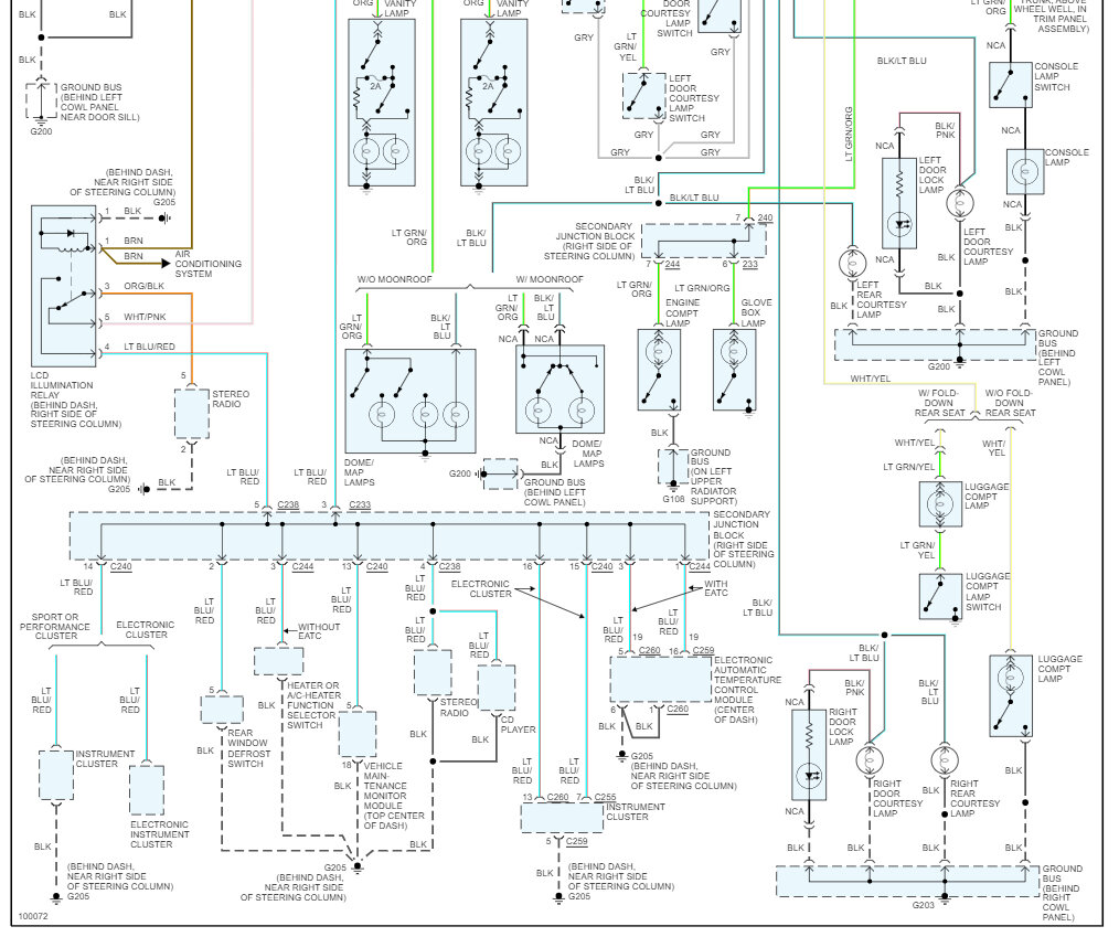
It is the INT LPS fuse int eh amin fuse panel, here are the wiring diagrams so you can see how the system works, you could just have one of the door switches that is bad. Also, double check to see if the switch at the headlights is turned completely to the right or left. Check out the images (below). Please let us know how it goes.
Was this
answer
helpful?
Yes
No
Monday, July 3rd, 2023 AT 5:04 PM

Please login or register to post a reply.