Tuesday, August 28th, 2018 AT 6:26 PM
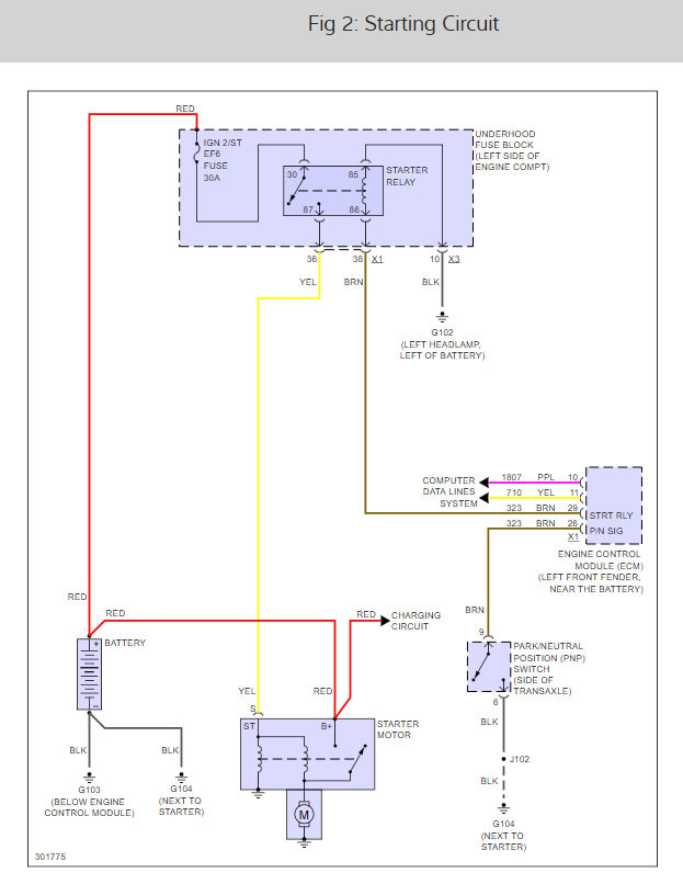
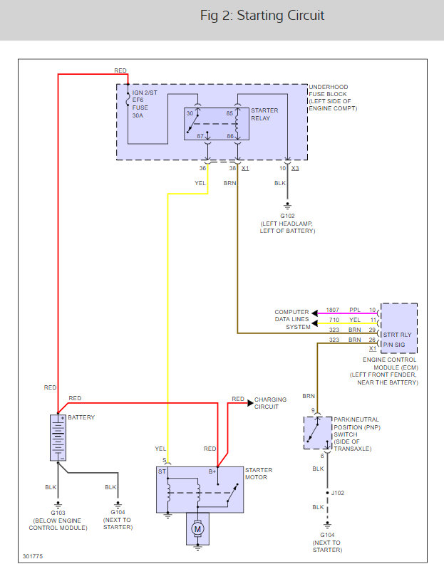
While I was driving my A/C started blowing out hot air. I parked my car for about thirty minutes then when I came back I turned the key but it did not want to start. I tried about four times before it wanted to turn on. Then when I started to drive it the cluster went out and the gauges stopped working. I had also noticed that when I shifted it into drive it jerked. I have taken it to the mechanic and he cannot find out why it will not turn on right away, it only turns on when it wants to. He has looked at everything electrical and has even replaced the battery but the problem is unknown. Please give any advice that would be great.







