Wednesday, August 10th, 2022 AT 5:00 PM
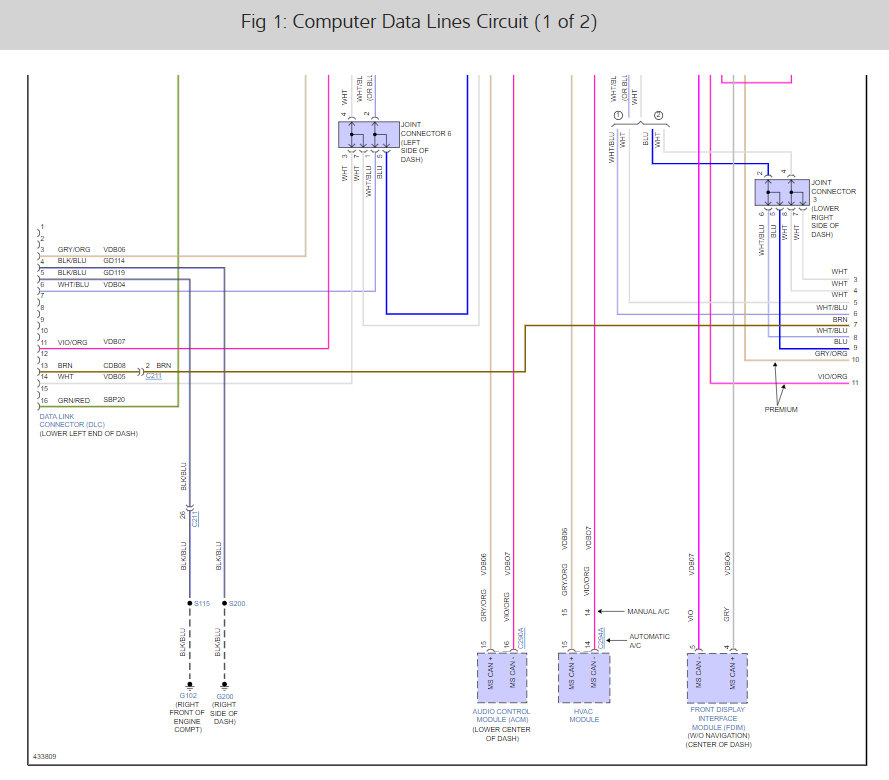
So, basically when I get into my car and try to start it with just the key it won't start, but when I plug in a scan tool the car starts and runs just fine. I have no idea what could be the problem. I'm trying to see if anyone has ever run into this problem before or know what I could do to diagnose this problem and find the root of my problems.






