Cooling fan not working

Tiny
C JAMES HOUSTON
  • MEMBER
  • 2004 DODGE STRATUS
  • 2.7L
  • 6 CYL
  • 2WD
  • AUTOMATIC
  • 200 MILES
My car began to overheat recently. I noticed that the fan does not turn on and also my air conditioning is not working not sure why.
Monday, October 21st, 2019 AT 9:28 AM

2 Replies

Tiny
KEN L
  • MASTER CERTIFIED MECHANIC
  • 55,150 POSTS
Hello,

There are two fuses # 32 and #12 that need to be checked for the cooling fans which will cause the AC not to work. Also there is a relay and the fan motor itself lets use these guides to check the fuses first then the relay and finally the fan motor.

https://www.2carpros.com/articles/how-to-check-a-car-fuse

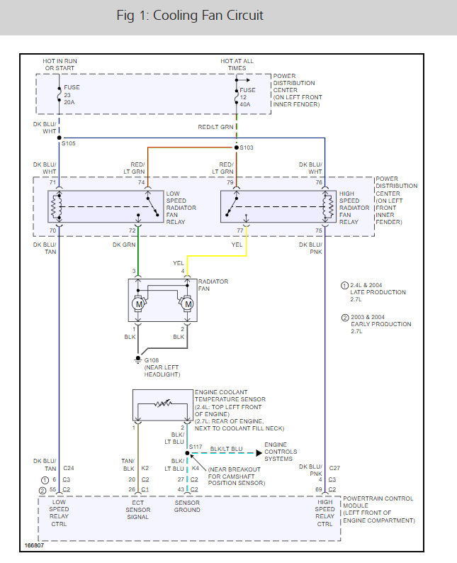
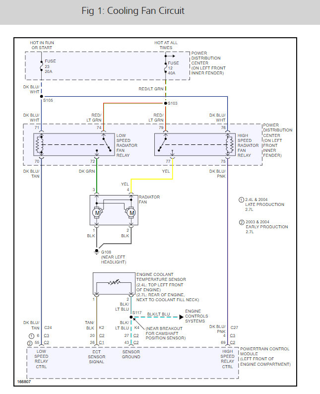
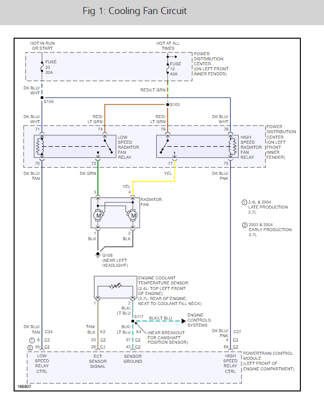
Here is the cooling fan wiring diagrams so you can see how the system works. Check out the diagrams (below). Please let us know what you find. We are interested to see what it is.
Was this
answer
helpful?
Yes
No
Tuesday, October 22nd, 2019 AT 4:16 PM
Tiny
KASEKENNY
  • MECHANIC
  • 18,907 POSTS
Hi,

The fans not working is most likely the cause of both so we need to fix that first and go from there.

Have you done any testing yet? We need to check relays and fuses and then test to see if there is power to the fans. If so then the fans are most likely the issue. However, if neither fan is working it could be a temp sensor or even the PCM. So at this point we need to check for codes.

Here is a guide that helps explain this a little more:

https://www.2carpros.com/articles/how-an-electric-cooling-fan-works

Let me know if there are codes and then if you have power at the motors. Thanks
Was this
answer
helpful?
Yes
No
Tuesday, October 22nd, 2019 AT 4:19 PM

Please login or register to post a reply.