Monday, October 20th, 2014 AT 1:50 PM
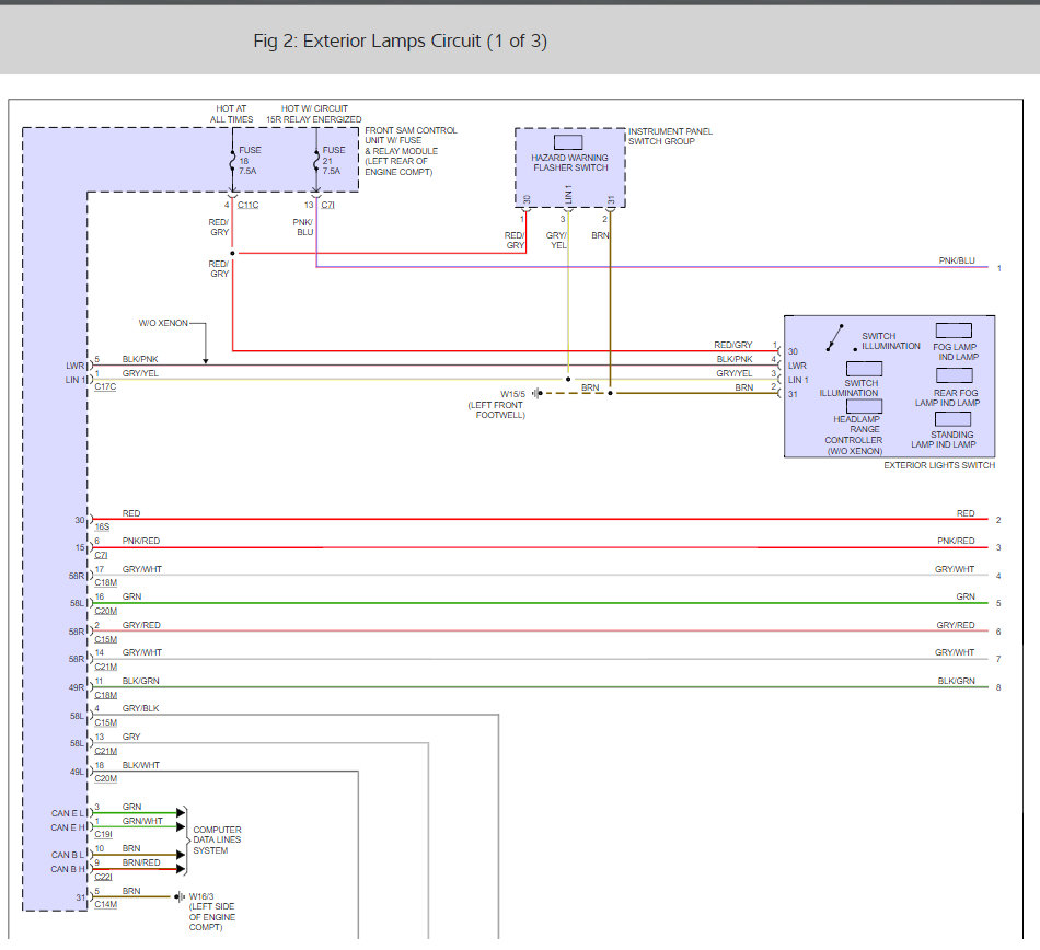
I have a 2010 Mercedes c300 4matic sport and the break lights just wont shut off! The car turns on and drives well but the break lights keep staying on when I take the keys out of ignition. I'm positive it has to do with the brake light switch. I tried searching for it under the driver dashboard on the arm of the brakes but couldn't find anything looking like a switch. I looked at so many you tube videos of the locations of these switches and none matched my cars kind. Because I have school early in the morning I didn't want the battery dying so I took out both light bulbs in back. So, where is this switch located on this type of vehicle? And is it okay that I took out the light bulbs? Please answer and Thank You!







