HOME
ASK A QUESTION
REPAIR GUIDES
BECOME A MEMBER
LOG IN
Login with Facebook
OR
Remember me
NOT A MEMBER?
FORGOT PASSWORD?
CONTACT US
PRIVACY POLICY
TERMS AND CONDITIONS
☰
Home
Chevrolet
Trailblazer
Climate Control
Air Conditioner
Blows Hot
A/C blowing hot air
ANAFLORES07
MEMBER
2006 CHEVROLET TRAILBLAZER
4.2L
4 CYL
2WD
AUTOMATIC
160,000 MILES
My AC stopped working but when I put it on hot air blows hot air. Does it mean I need some Freon or do I have to fix my AC?
Friday, September 21st, 2018 AT 5:59 AM
1 Reply
ASEMASTER6371
MECHANIC
52,796 POSTS
Good morning.
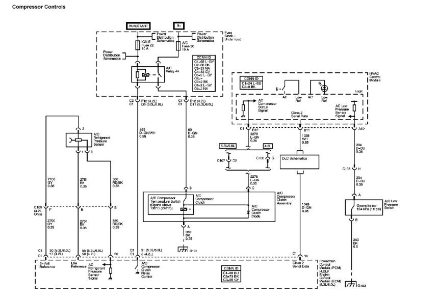
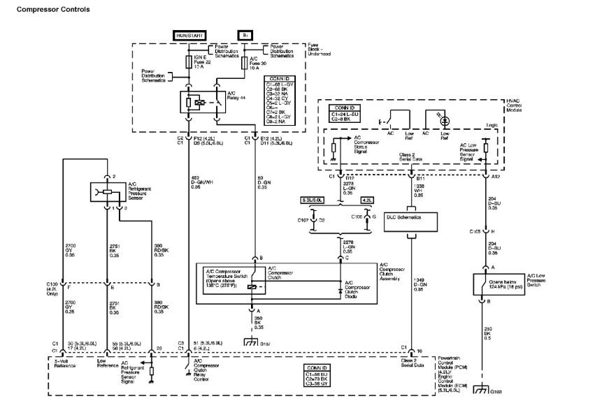
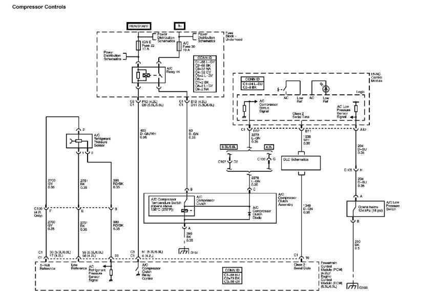
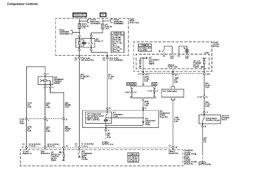
The first thing to check is the Freon. You need a set of gauges to see if there is sufficient pressure for the compressor to turn on.
If there is, then we need to do some electrical checks.
If it does not, then yes, it will need Freon but more than that, you need to determine the leak and repair it.
Roy
https://www.2carpros.com/articles/car-air-conditioner-not-working-or-is-weak
https://www.2carpros.com/articles/re-charge-an-air-conditioner-system
Image (Click to make bigger)
Was this
answer
helpful?
Yes
No
Friday, September 21st, 2018 AT 6:11 AM
Please
login
or
register
to post a reply.
Related Air Conditioner Blows Hot Content
Ac Blowing Hot After Running Awhile
On Trips Longer Than Thirty Minutes On The Expressway My Ac Goes From Cold To Hot And Will Not Go Back On. Sometimes (rarely) If I Stop And...
Asked by
MzWiz
·
1 ANSWER
2004
CHEVROLET TRAILBLAZER
2004 Chevrolet Trailblazer A/c Issue
I Purchased A Used Trailblazer From A Guy Who Said The A/c Runs Fine, It Just Needed To Be Recharged. Well I Foolishly Purchased It With...
Asked by
Konshus718
·
3 ANSWERS
2004
CHEVROLET TRAILBLAZER
2002 Chevy Trailblazer Ac
My Chevy Trailblazer Is A Lt Model With Climate Control Ac. Ac Will Go From Hot To Cold While Driveing. Exterior Temp Moves Up And Down Ac...
Asked by
mike bbbb
·
1 ANSWER
2002
CHEVROLET TRAILBLAZER
2002 Chevrolet Trailblazer Ac
I Just Had The Engine Changed For My Trailblazer 2002, But Now Ac Is Blowing Hot Air Only. I Do Not What Happened To It. Do I Have To...
Asked by
ariess
·
1 ANSWER
2002
CHEVROLET TRAILBLAZER
A/c Is Not Cold When Idling
It Idles Rough And The A/c Doesn't Blow Cold When At An Idle. Drives Fine Otherwise. Any Ideas?
Asked by
DONNADI
·
1 ANSWER
2006
CHEVROLET TRAILBLAZER
VIEW MORE
Ask a Car Question. It's Free!
Air Conditioner - Vacuum Down and Recharge
Blend Door Actuator Replacement
Air Conditioner - Add Refrigerant