The DTC's are as follows;
P0010 cam pos A bank 1 open
P0020 cam pos A bank 2 open
P0748 A transmission pressure control solenoid A
P0778 B trans solenoid B
P0986 shift solenoid E circuit high
P2716 solenoid D
I tried replacing cam position sensors just to see if the sensor was fried but the code remained after replacing it.
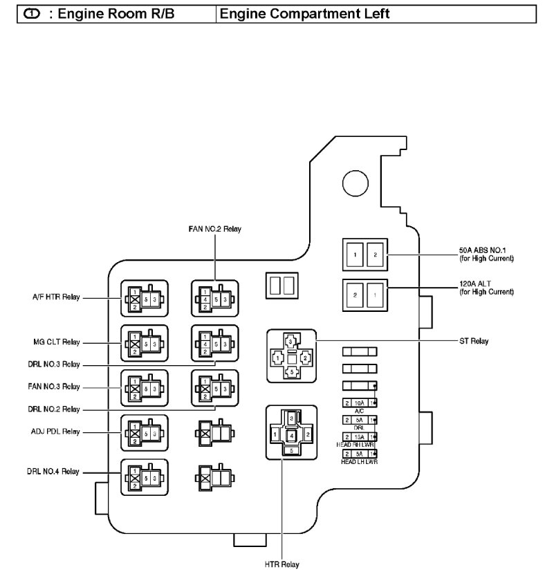
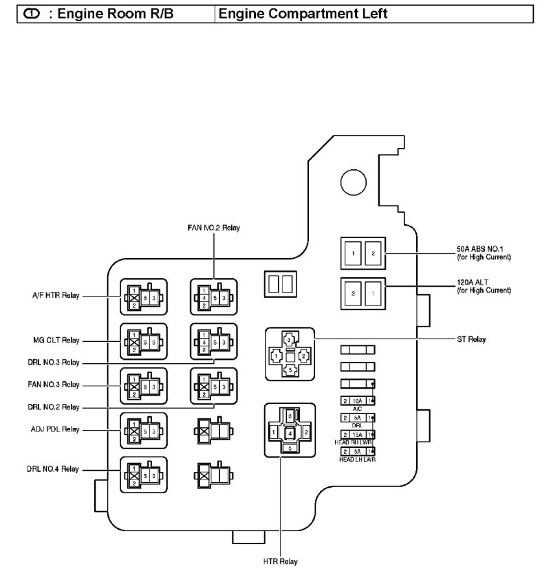
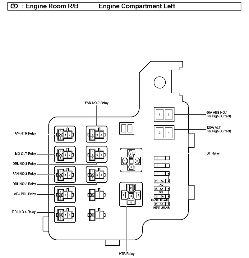
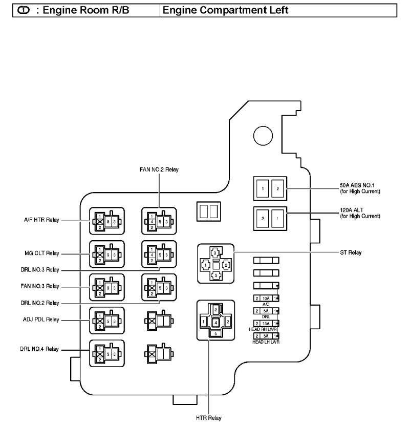
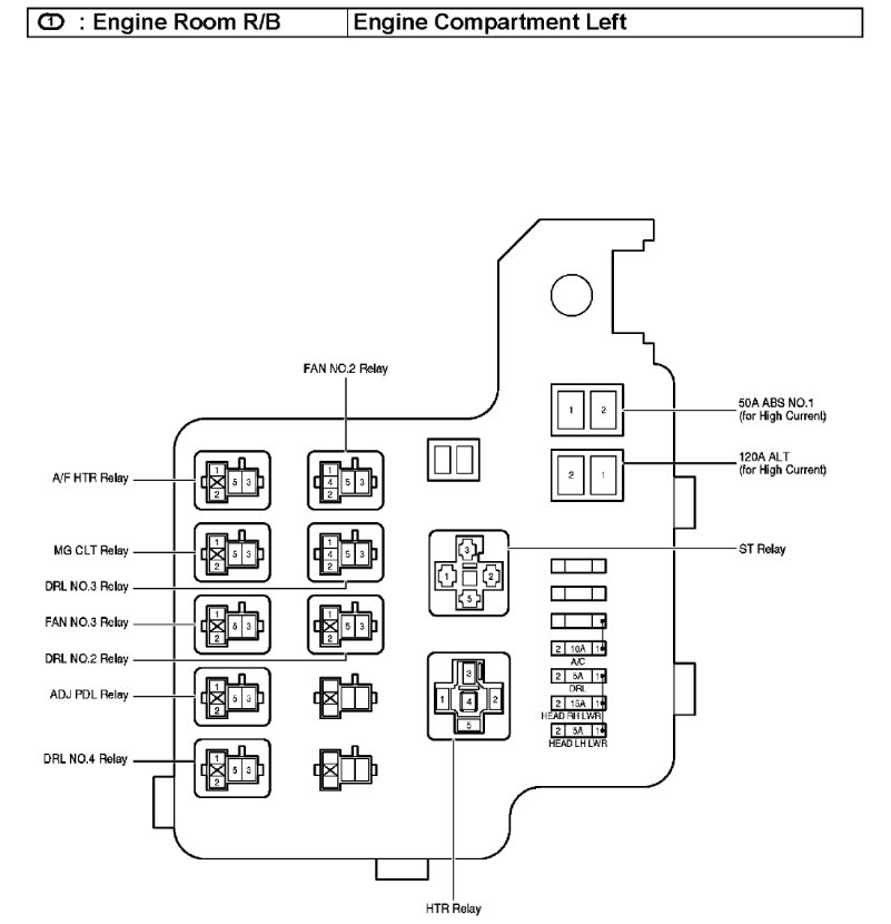
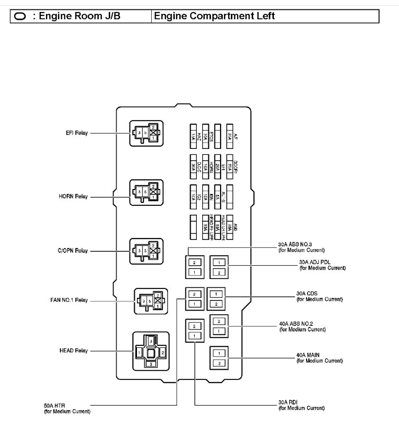
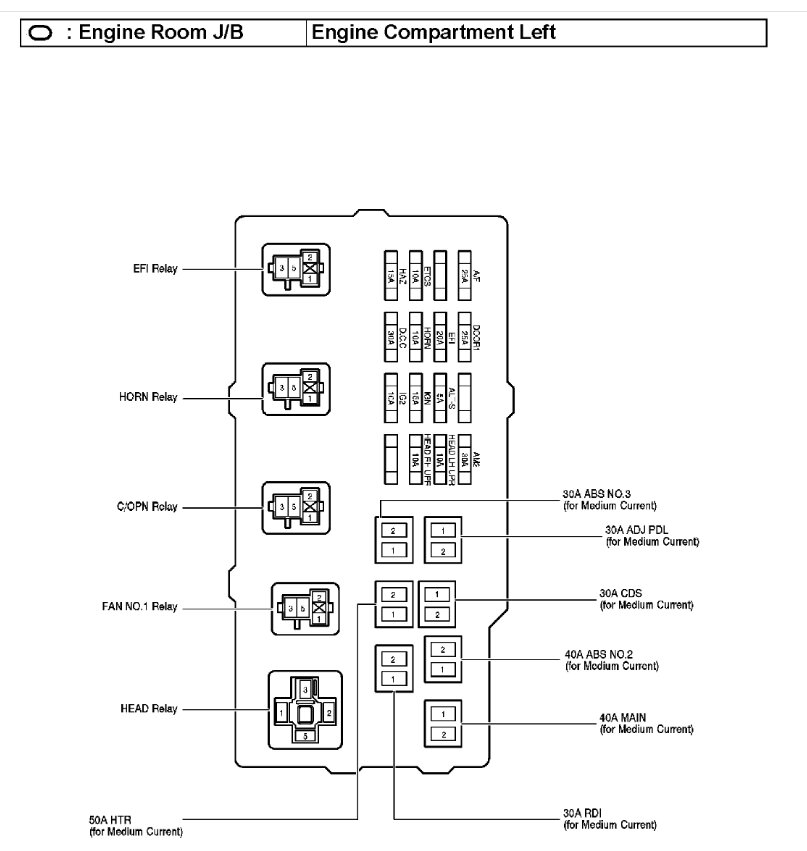
I wondering if all of these are possibly on one fuse or relay that I can try replacing or what to do next. I'm not very good at reading wiring schematics or determining what fuses or relays to check or if there's a fusible link somewhere.
I also wanted to say the engine will turn over but not fire. I did get to start once and it idled fine but would not accelerate at all pushing on the gas pedal and the rpm gauge wouldn't go up. And the speedometer didn't move at all. I also tried every actuator that was able to be tested without the car running. And they would all cycle between off and on. Including the fuel pump. There are also a couple of of other codes but I think they are probably there because I have the airbox out and disconnected at the moment. My check engine light will sometimes flicker too with the key out and I could hear a humming until I disconnect the battery. Thank you
Thursday, November 7th, 2024 AT 1:55 AM





