Shift solenoid location and replacement?

Tiny
ALEJANDRO_FROSTY
  • MEMBER
  • 2001 TOYOTA CAMRY
  • 4 CYL
  • FWD
  • AUTOMATIC
  • 140,000 MILES
Hi I was wondering if anyone knew where the shift solenoid on a 2001 toyota camry le is located in or outside the transmission?
Sunday, July 13th, 2008 AT 2:41 PM

26 Replies

Tiny
OBXAUTOMEDIC
  • MECHANIC
  • 3,711 POSTS
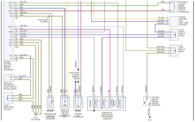
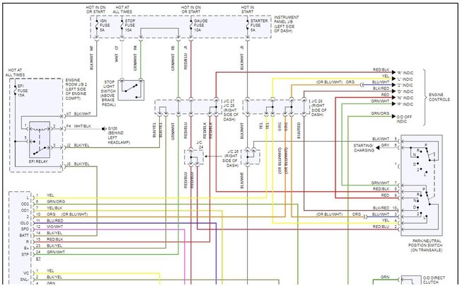
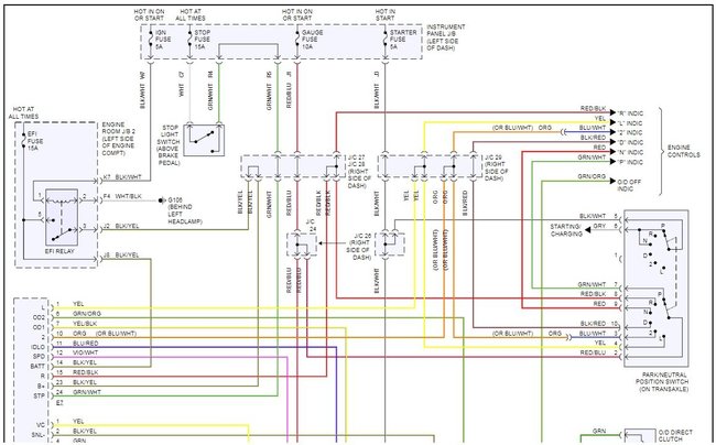
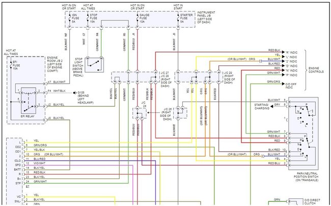
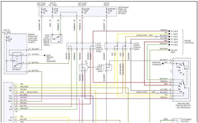
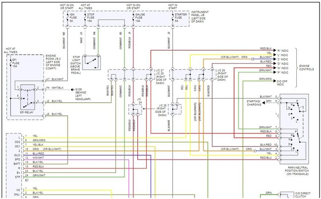
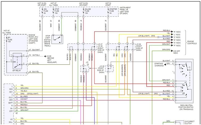
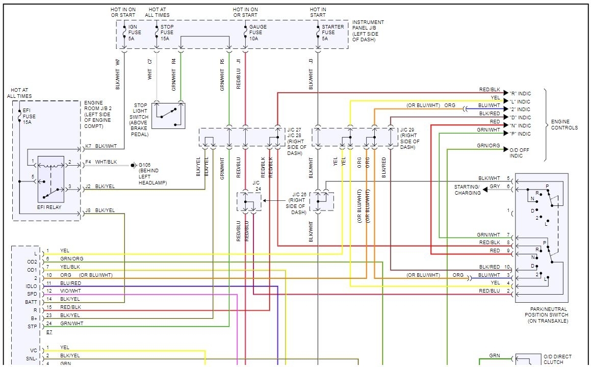
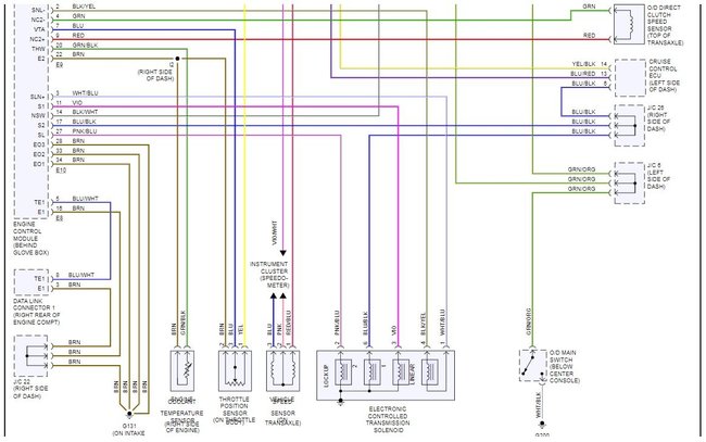
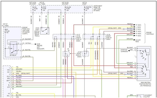
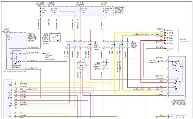
The shift solenoid is located inside the tranny, mounted on the valve body. Here is the locations of the solenoids and how to change them in the diagrams below. Check out the diagrams (Below). Please let us know if you need anything else to get the problem fixed.
Was this
answer
helpful?
Yes
No
Sunday, July 13th, 2008 AT 2:50 PM
Tiny
JOSEPH LONDA
  • MEMBER
  • 1 POST
  • 2000 TOYOTA CAMRY
Electrical problem
2000 Toyota Camry 4 cyl Two Wheel Drive Automatic

On this year Camry are there one or two shift solenoid valves.
What I uderstand they are available after dropping oil pan. How difficult to change and are they easy to spot
Was this
answer
helpful?
Yes
No
+1
Sunday, September 27th, 2020 AT 10:56 AM (Merged)
Tiny
OBXAUTOMEDIC
  • MECHANIC
  • 3,711 POSTS
They are very easy to Identify and to change out. Once you drop the pan jut look for part looking like the one you purchased.
Was this
answer
helpful?
Yes
No
-1
Sunday, September 27th, 2020 AT 10:56 AM (Merged)
Tiny
327IMPALA1
  • MEMBER
  • 30 POSTS
  • 1998 TOYOTA CAMRY
  • 6 CYL
  • FWD
  • AUTOMATIC
  • 154,000 MILES
Where is shift solenoid e located on valve body how to test it.
Was this
answer
helpful?
Yes
No
+1
Sunday, September 27th, 2020 AT 10:56 AM (Merged)
Tiny
KHLOW2008
  • MECHANIC
  • 41,814 POSTS
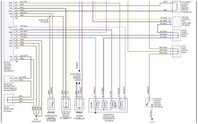
It is the lock-up solenoid and not shift solenoid. To check solenoid seals, remove suspect solenoid. Connect battery voltage to solenoid. Apply 71 psi (5 kg/cm2 ) to solenoid with battery voltage connected. With battery voltage applied, air should pass through solenoid. Disconnect voltage to solenoid. Ensure air does not pass through solenoid. Replace solenoid if defective. Check out the diagrams (Below). Please let us know what happens.
Was this
answer
helpful?
Yes
No
+3
Sunday, September 27th, 2020 AT 10:56 AM (Merged)
Tiny
BRUCE HOUK
  • MEMBER
  • 2 POSTS
  • 1997 TOYOTA CAMRY
  • 6 CYL
  • FWD
  • AUTOMATIC
  • 49,650 MILES
The transmission shift solenoid has been replaced 3 times already on the vehicle. The check engine light recently came on and the reason is ths part malfunctioned again. What could be the casue of the frequent failures of this part? The parts and labor to replace this last time cost about $450.
Was this
answer
helpful?
Yes
No
Sunday, September 27th, 2020 AT 10:56 AM (Merged)
Tiny
KHLOW2008
  • MECHANIC
  • 41,814 POSTS
Hi Bruce Houk,

Thank you for the donation.

To understand the problem better, can youplease provide us the exact trouble code for the shift solenoid?

When was the first time the solenoid was replaced and the last time?
Was the trouble code the same each time?
Each time it was replaced, how long did it last?
Were the parts new or used?
Was this
answer
helpful?
Yes
No
+2
Sunday, September 27th, 2020 AT 10:56 AM (Merged)
Tiny
BRUCE HOUK
  • MEMBER
  • 2 POSTS
In response to your questions, the first time this was replaced was in June 2000 at 25,259 miles. The trouble code was PO773. The last time it was replaced was inn November 2003 and the trouble was was asgain PO773. The replacements parts were new and the work perfoermed by authorized Toyota dealers. Thanks, Bruce Houk
Was this
answer
helpful?
Yes
No
Sunday, September 27th, 2020 AT 10:56 AM (Merged)
Tiny
KHLOW2008
  • MECHANIC
  • 41,814 POSTS
I could not find any TSB or recalls on the item in our database but a google search seems to indicate this is quite a common fault.

Solenoids are electrical components and there is no definite life span for them. How long they last is anybody's guess.

Electrical components are unpredictable so there is no definite answer for you. What I can say is that these solenoids, being made up of coil windings do fail over time as they are subjected to heat, from the trans fluids and when being energised by electrical currents.

From another point of view, the connectors are on the transmission and I have seen many cases of which contaminations to the terminals causes them to fail. When contacts deteriorates due to presence of water and in some cases battery electrolytes, as the battery is above the connectors, the malfunction would be detected by the computer.

When a fault is traced to the solenoids, replacement is recommended though at times cleaning the connections would suffice.

Hope this answers your question.
Was this
answer
helpful?
Yes
No
Sunday, September 27th, 2020 AT 10:56 AM (Merged)
Tiny
JAY_SANCHEZZ15
  • MEMBER
  • 45 POSTS
  • 1997 TOYOTA CAMRY
  • 3.0L
  • V6
  • 2WD
  • AUTOMATIC
  • 170,000 MILES
My car listed above has suddenly thrown a shift solenoid code.
This occurred the other day when I was parked at a red light.
When I began to proceed, the vehicle would hardly moved when accelerating, as if the first gear was slipping.
The check engine light illuminated instantly at that time.

However, after pulling to the side of the road, I was actually able to drive normally again for the rest of the day.
It is an intermittent issue I suppose.

The transmission fluid and filter has been changed, not flushed, about 3 months ago.
Light pink color, but with a little dark.

I have looked into it an it seems it’s an electrical issue.
This makes sense because the car shifted great the rest of the day.

Any help would be appreciated as the winter is approaching here in Minnesota.

I have attached my code description from Blue Driver for reference.
Was this
answer
helpful?
Yes
No
Sunday, September 27th, 2020 AT 10:57 AM (Merged)
Tiny
MASTERWRENCH
  • MECHANIC
  • 258 POSTS
I've attached a copy of the diagnostic procedure for this code, wiring diagrams, solenoid replacement procedure and diagram of the valve body components. I suggest going through the complete diagnostic procedure, but in most cases, this code is set by a failed solenoid. From what I can tell, shift solenoids 1 and 2 (A and B) are replaced as a pair. They are located on the bottom side of the valve body and are accessible once the cover pan is removed.

Please let me know if you have any questions.
Was this
answer
helpful?
Yes
No
Sunday, September 27th, 2020 AT 10:57 AM (Merged)
Tiny
JAY_SANCHEZZ15
  • MEMBER
  • 45 POSTS
Do you know if the 4-Cylinder Camry has the same 4 speed transmission?
Could it be possible to pull one from a scrap yard as practice?

Are you aware of any precautions to take when doing it on my own vehicle?
Was this
answer
helpful?
Yes
No
Sunday, September 27th, 2020 AT 10:57 AM (Merged)
Tiny
MASTERWRENCH
  • MECHANIC
  • 258 POSTS
Unfortunately I don't have that information. Many salvage yards have cross reference information so they'll know what fits in what.

Use basic safety precautions such as wheel chocks and jack stands. Also, make sure you have a good sized drain pan to catch the fluid when removing the cover.
Was this
answer
helpful?
Yes
No
Sunday, September 27th, 2020 AT 10:57 AM (Merged)
Tiny
JAY_SANCHEZZ15
  • MEMBER
  • 45 POSTS
Took a look at a V6 transmission at the junk yard.
I believe this is somewhat out of my wheelhouse to pull valve body’s and gaskets.

My assumption is this would be easier if I had a lift to work on the car.
This is an intermittent issue that happens maybe once a month.
Is it wise to just live with it?
Was this
answer
helpful?
Yes
No
+1
Sunday, September 27th, 2020 AT 10:57 AM (Merged)
Tiny
MASTERWRENCH
  • MECHANIC
  • 258 POSTS
If you're okay with the frequency of it right now, I'd probably just live with it. If it begins to get worse though, you should probably address it. You don't want to get to the point where it leaves you stranded.
Was this
answer
helpful?
Yes
No
Sunday, September 27th, 2020 AT 10:57 AM (Merged)
Tiny
LORI MARTIN
  • MEMBER
  • 1 POST
  • 1997 TOYOTA CAMRY
  • 6 CYL
  • FWD
  • AUTOMATIC
  • 212,000 MILES
I just had both shift solenoids (E) and (D) repaced within 2 weeks of each other. The dealer changed one due to my check light coming on and two weeks later the check light came back on again and the computer read to change another solenoid. Now the car is shifting anywhere from 4 to 5 rpms and jerking when it finally shifts. Another shop told me to get a new transmission, but the dealer said I don't need one, but at the same time can't garrantee after replacing the (2) shift solenoids another one won't need replaced. I've had this car since I bought it new and have taken excellent care of it. What rpms should the car be shifting at? Question: One shop told me not to bother replacing the solenoids b/c I could do that and then still have to get a new or remanufactured transmission. The dealer said no, you never do that and they said I don't need one. They also can't garrantee this is going tosolve the problem. Not sure what to do now?
Also, the engine is idling fast and is very loud. The dealer said the rpms are fine and the car has a lot of miles on it and that's to be expected, but it ran great before these repairs and the engine made no noise. I did have the EGR valve replaced by another repair place before the shift solenoids were replaced, but that shouldn't have anything to do with the car idling fast, I would assume anyway?
Thanks! Lori
Was this
answer
helpful?
Yes
No
Sunday, September 27th, 2020 AT 10:57 AM (Merged)
Tiny
KHLOW2008
  • MECHANIC
  • 41,814 POSTS
Hi,

It might not be the solenoids that are at fault. Check for poor contact at the wire connectors, they tend to corrode if water gets to them.

It is difficult to specify rpm for gear shifts because it depends on the vehicle speed and angle of throttle opening.

As for the fast idling. Check for inlet manifold vacumn leakage such as punctured or detached hoses. The ISC might be stuck open more than it should be.

Another likely source is the Throttle Position Sensor thus the harsh shifting.
Was this
answer
helpful?
Yes
No
Sunday, September 27th, 2020 AT 10:57 AM (Merged)
Tiny
MACORONAS
  • MEMBER
  • 4 POSTS
  • 1987 TOYOTA CAMRY
1987 Toyota Camry

The automatic transmission doesn't shift to forward unless engine is revved at very high RPM after replacing
bad transmission solenoid. The solenoid installed came out of wrecked car, I tested it and it seemed to work fine. Now, if I drive the car back and forth a few times after a while a small amount of white smoke comes out of the transmission fluid insertion tube and I have to rev the car to high RPM.
Was this
answer
helpful?
Yes
No
Sunday, September 27th, 2020 AT 10:57 AM (Merged)
Tiny
MHPAUTOS
  • MECHANIC
  • 31,937 POSTS
Hi there,

Thank you for the donation,

I would be re scanning for further faults and also doing a line pressure test, I am a bit worried about the white smoke, something may be cooking in the electrics in the transmission.

Mark (mhpautos)
Was this
answer
helpful?
Yes
No
Sunday, September 27th, 2020 AT 10:57 AM (Merged)
Tiny
MACORONAS
  • MEMBER
  • 4 POSTS
Hi and thanks for your response, I don't mind donating more if I get this fixed.
I scanned the transmission and computer and did not get any codes, I received a no malfunction in the system. In fact, the code that I started with before I installed the used solenoid is not there anymore. Do you need special equipment to do a line pressure test?
Thanks
Was this
answer
helpful?
Yes
No
+1
Sunday, September 27th, 2020 AT 10:57 AM (Merged)

Please login or register to post a reply.