Engine not cranking

Tiny
PJNJR1962
  • MEMBER
  • 2006 CHRYSLER TOWN AND COUNTRY
  • 3.8L
  • V6
  • 2WD
  • AUTOMATIC
  • 250,000 MILES
Key turn on, all the dash lights on but no motor response; motor not turning. Both ads and fuel pump are good.
Tuesday, April 5th, 2022 AT 12:09 PM

1 Reply

Tiny
JACOBANDNICKOLAS
  • MECHANIC
  • 110,192 POSTS
Hi,

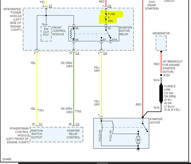
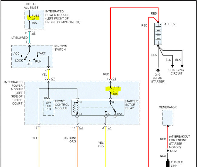
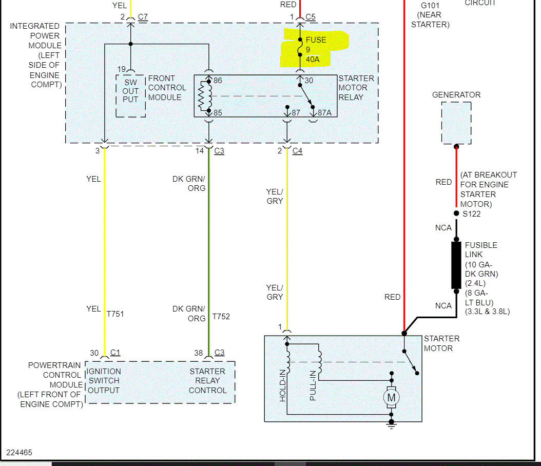
The first things we need to check are fuses. There are two. Fuse 23 and fuse 9 are in the under-hood fuse box.

When you check these, confirm them is power to them as well as the fuse is good. Here is a link you may find helpful:

https://www.2carpros.com/articles/how-to-check-a-car-fuse

If the fuses are good, locate the starter relay in the same fuse box. Switch it with a different relay in the box with the same part number to see if that changes things.

If there isn't a relay with the same part number, here is a link that explains how to test one.

https://www.2carpros.com/articles/how-to-check-an-electrical-relay-and-wiring-control-circuit

If the relay and fuses are all good, then we need to check for power at the starter. You will need a helper. Have a helper turn the key to the start position while you check for power at the yellow wire with a gray tracer at the starter. You should get 12v when the key is in the start position. If you, have it, replace the starter. If not, let me know.

Let me know what you find or if you have other questions.

Take care,

Joe

See pics below.

Was this
answer
helpful?
Yes
No
Tuesday, April 5th, 2022 AT 7:41 PM

Please login or register to post a reply.