Air suspension problems and reset?

Tiny
DANNY L
  • MECHANIC
  • 5,648 POSTS
Hello, I'm Danny.

Let me ask you this first. Have you checked to see if any of the air lines or the two rear airbags are leaking? Soapy water is a spray bottle might help. Let me know and we'll go from there. Hope this helps and thanks for using 2CarPros.
Danny-
Was this
answer
helpful?
Yes
No
Monday, February 15th, 2021 AT 12:16 PM (Merged)
Tiny
TEPOH
  • MEMBER
  • 2 POSTS
No, but it never goes down it can sit out there a week, only when the key is on and I have had the switch in the trunk off for a couple days and it never goes down only when the key is on does it go down. I would think it is something electrical like solenoid or control module. The sensor seems to work right when car is level I can push down on the back of the and the pump will kick on and level the car.
Was this
answer
helpful?
Yes
No
Monday, February 15th, 2021 AT 12:16 PM (Merged)
Tiny
KEN L
  • MASTER CERTIFIED MECHANIC
  • 55,291 POSTS
Hello,

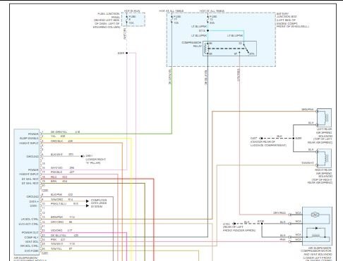
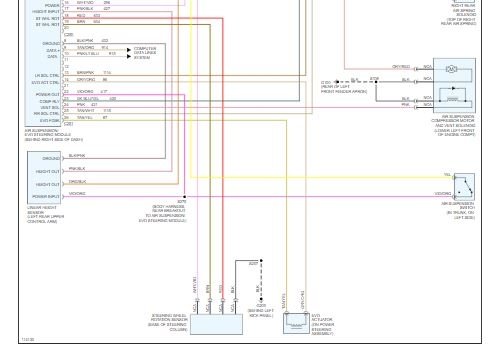
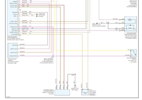
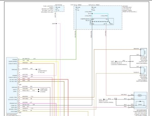
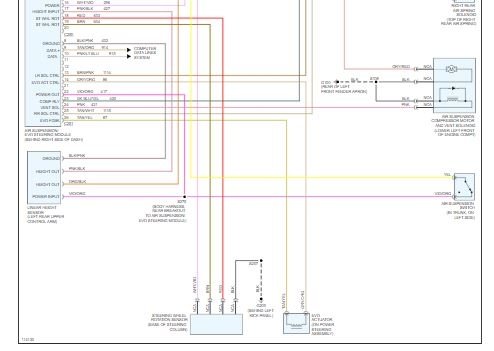
It does sounds like the controller has gone and here is the location and instruction on how to check it out. I would try to find a used one. Check out the diagrams (below). Please let us know what you find. We are interested to see what it is.
Was this
answer
helpful?
Yes
No
Monday, February 15th, 2021 AT 12:16 PM (Merged)
Tiny
RWOSR
  • MEMBER
  • 6 POSTS
  • 2001 LINCOLN TOWN CAR
  • 164,000 MILES
The air compressor ran perfect on a 400 mile trip. After arriving home, the next time I needed to use the car, the compressor did not start up. It hasn't worked since then.
I've changed the airbags because of the miles accumulated, the ones removed were the original bags. This made no change to the compressor running.
I want to troubleshoot the remaining parts of the system but I'm not sure what steps to go through.

Could you please send me advice on what steps to take, first to determine if the air compressor is good or not and then any other things I should check for a possible cause of the compressor not working?
Thanks,
Rick
Was this
answer
helpful?
Yes
No
Monday, February 15th, 2021 AT 12:16 PM (Merged)
Tiny
MOTOR MASTER
  • MECHANIC
  • 279 POSTS
Hello my name is Dave.

First thought I had was something that happened to me when I had my Town Car, I accidentally hit the air ride switch in the trunk when taking something out of the trunk. If there is another component of the air ride not working properly then it's a matter of trouble shooting until you find it.I have attached a diagram of the system to assist you in this procedure. I would recommend starting with the fuses and then move on to the relay. To test the compressor itself the easiest way is to use a jump wire to put power to post 87 of the relay socket once you remove the relay. That should power up the compressor and make it run regardless of any other issues the system may have. Unfortunately these cars are known for the air ride module to fail and when that happens it is usually more practical to convert the car to steel springs and the only real way to be sure is a process of elimination. Please keep us up to date on your progress and thank you for using 2CarPros!
Was this
answer
helpful?
Yes
No
Monday, February 15th, 2021 AT 12:16 PM (Merged)
Tiny
DAVID RICHARDS
  • MEMBER
  • 1 POST
  • 2000 LINCOLN TOWN CAR
  • V8
  • 2WD
  • AUTOMATIC
  • 160,000 MILES
Air suspension problem indicator lite is on constantly.

Should I just convert from air suspension system? How much should I pay?
Was this
answer
helpful?
Yes
No
Monday, February 15th, 2021 AT 12:16 PM (Merged)
Tiny
WYRMZR
  • MEMBER
  • 3 POSTS
I'm researching this yet myself, but so far it seems that the swap to coil springs is far more economical in the long run. I've seen the conversion kit, but I'm trying to find out whether this is really just a factory coil spring setup, not a true conversion. Rear coil springs by themselves seem to run about $100-150 per pair, and given their life expectancy is often decades, the switch would certainly be worth it over the long term.
Was this
answer
helpful?
Yes
No
Monday, February 15th, 2021 AT 12:16 PM (Merged)
Tiny
POTTIE123
  • MEMBER
  • 3 POSTS
  • 2002 LINCOLN TOWN CAR
  • V8
  • 2WD
  • AUTOMATIC
  • 10,200 MILES
I have just replace the rear air bags & replaced with coil springs. How do I disable "air suspension " light on dash. Also ABS light on
Was this
answer
helpful?
Yes
No
Monday, February 15th, 2021 AT 12:21 PM (Merged)
Tiny
DAVE H
  • MECHANIC
  • 13,384 POSTS
Hello .. thanks for the donation .. much appreciated

Remove the fuses and relay for the air suspension control module and the dashboard light will go off.


https://www.2carpros.com/forum/automotive_pictures/266999_susp_2.jpg



Have the car plugged into a diagnostic computer to retrieve the ABS fault codes and repost with full fault codes for more assistance and repair information
Was this
answer
helpful?
Yes
No
-2
Monday, February 15th, 2021 AT 12:21 PM (Merged)

Please login or register to post a reply.