Moonroof not working properly

2015 FORD EXPLORER
50,000 MILES
Avatar
ADRIAN POINSETTE
  • MEMBER
  • 1 POST
Does not open or tilt.
Oct 27, 2020 at 1:38 PM
Advertisement
Repair Safety Notice: This information is for general instructional purposes only. Vehicle repair can be dangerous. Verify all information, follow manufacturer service procedures, use proper tools and safety equipment, and consult a qualified repair shop when needed.
Avatar
ASEMASTER6371
  • AUTOMOTIVE REPAIR CONTRIBUTOR
  • 52,796 POSTS
Good afternoon,

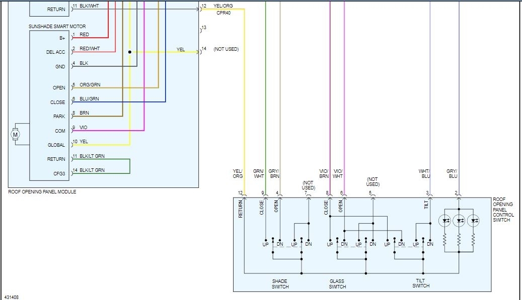
I attached the wiring diagram for you to view.

We need to do some testing starting with the fuses to be sure there is power on both sides of the fuses.

https://www.2carpros.com/articles/how-to-check-wiring

https://www.2carpros.com/articles/how-to-check-an-electrical-relay-and-wiring-control-circuit

https://www.2carpros.com/articles/how-to-check-a-car-fuse

Roy

Oct 27, 2020 at 2:01 PM
Avatar
JACOBANDNICKOLAS
  • AUTOMOTIVE REPAIR CONTRIBUTOR
  • 110,190 POSTS
Hi,

The first thing to check is the fuse that supplies power to the motor. I attached two pics below. The first shows the fuse in a schematic. Pic 2 is of the under hood fuse box. I highlighted the fuse to check.

In addition to checking the fuse's condition, make sure there is power to and from it. Here is a link you may find helpful:

https://www.2carpros.com/articles/how-to-check-a-car-fuse

Let me know what you find or if you have other questions.

Take care,
Joe
Oct 27, 2020 at 2:02 PM
Advertisement