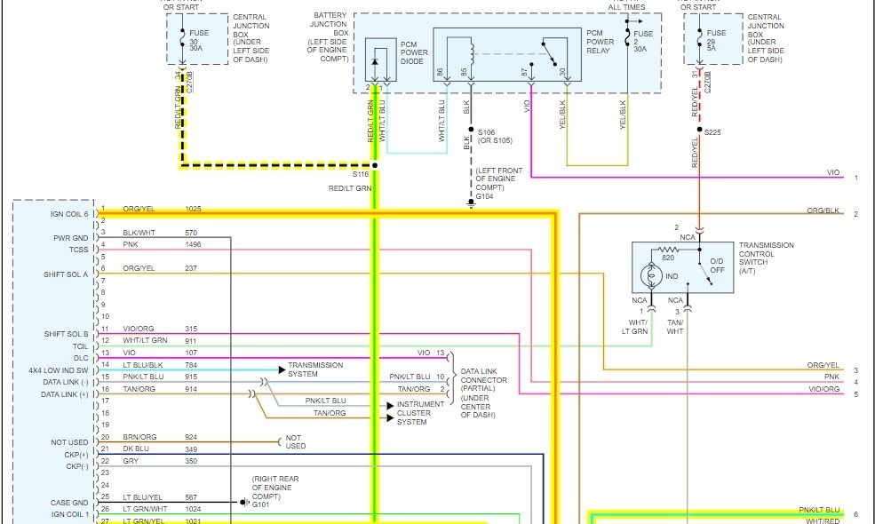
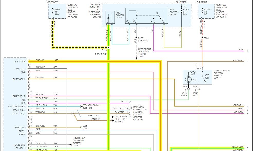
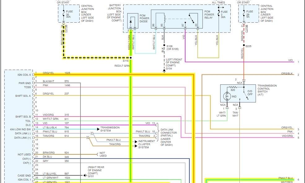
I tried staying away from electrical components because of small oil leaks and was trying to see exactly where the leaks were. After I got my new PCM in and installed the truck now misfires on cylinders 5, 7, and 8. But when I first start it and drive it runs perfect for about 15 to 20 seconds. Then will not accelerate and runs really rough. I'm only getting code P0355 but I have a buddy who works for Ford hook it up to his laptop that has a good program and it shows those 3 cylinders are having the misfire. I have done plugs and coils and replaced intake manifold gasket but still misfires. I even swapped plugs and coils and injectors from bank one on cylinders that were running fine and no change happened. Still 5, 7 and 8 are missing. I have confirmed the coils are firing and getting signal from pcm like they should so I am pretty sure I have ruled that out. And the problem was never occurring until I washed it. I have spent $1,200.00 US dollars on this truck trying to diagnose and have gotten nowhere. I need any help I can get and no one seems to know.
Sunday, January 3rd, 2021 AT 3:15 PM









