Check engine light on, instrument cluster not lighting up

Tiny
VULCANO3179
  • MEMBER
  • 1999 VOLKSWAGEN POLO
  • 1.6L
  • 6 CYL
  • 2WD
  • MANUAL
  • 57,106 MILES
The check engine light on the instrument cluster does not light up upon ignition which caused it to fail on a mot.
Tuesday, August 13th, 2019 AT 5:06 AM

12 Replies

Tiny
KEN L
  • MASTER CERTIFIED MECHANIC
  • 55,266 POSTS
Hello,

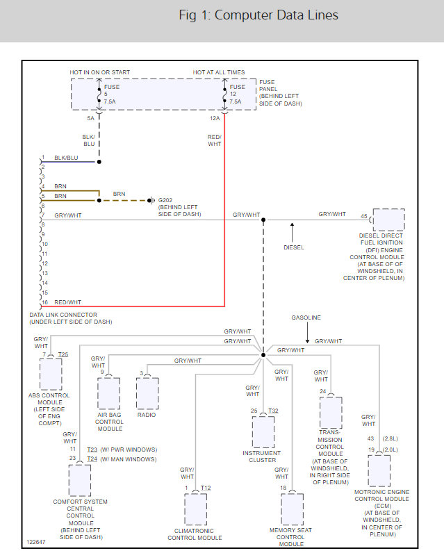
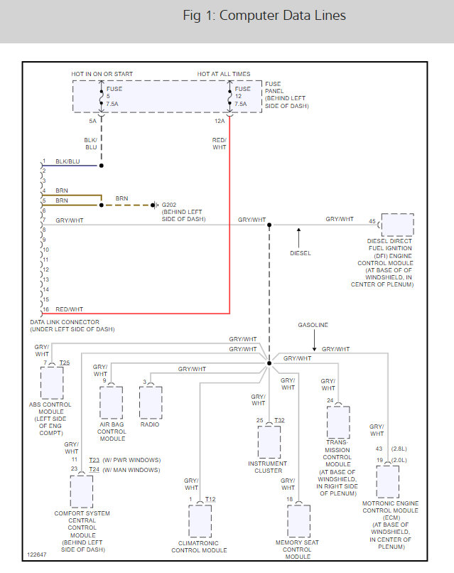
It sounds like you have a fuse out or the cluster has gone bad. To be sure lets use this guide to check for power and grounds at the cluster while checking the fuses in the diagrams below:

https://www.2carpros.com/articles/how-to-use-a-test-light-circuit-tester

Check out the diagrams (below). Please let us know what you find. We are interested to see what it is.
Was this
answer
helpful?
Yes
No
Wednesday, August 14th, 2019 AT 4:45 PM
Tiny
VULCANO3179
  • MEMBER
  • 10 POSTS
Hi, thank you for the images. Could it just be a blown fuse that stops the mil light from working? As I have replaced the instrument cluster and still have the same issue. Also, is it possible to get the mileage corrected? As I have replaced the instrument cluster it reads the wrong mileage.
Was this
answer
helpful?
Yes
No
Thursday, August 15th, 2019 AT 4:00 AM
Tiny
KEN L
  • MASTER CERTIFIED MECHANIC
  • 55,266 POSTS
Yes, the fuses in the diagrams below will effect the check engine light.

https://www.2carpros.com/articles/how-to-check-a-car-fuse

Check out the diagrams (below). Please let us know what you find.
Was this
answer
helpful?
Yes
No
Thursday, August 15th, 2019 AT 10:47 AM
Tiny
VULCANO3179
  • MEMBER
  • 10 POSTS
Hi, I have checked the fuses that are located on top of the battery and the fuses that are under the steering wheel. I have looked for a fuse box on passenger side interior but there is not one, is it located elsewhere? The fuses I have found are all okay, the mil light still doesn't work. Many thanks.
Was this
answer
helpful?
Yes
No
Thursday, August 15th, 2019 AT 1:10 PM
Tiny
VULCANO3179
  • MEMBER
  • 10 POSTS
My car is a v reg 1999 vw polo 1.6 petrol GL 1598cc, if this is an arc engine, the engine check light would not light up upon ignition, but on my failed mot test sheet it says mil is inoperative or has a malfunction. I can rule out the fuses as they all work, is there anything else to check?
Many thanks.
Was this
answer
helpful?
Yes
No
Thursday, August 15th, 2019 AT 3:21 PM
Tiny
KEN L
  • MASTER CERTIFIED MECHANIC
  • 55,266 POSTS
Yep, I think the bulb might be out. Can you remove the cluster and check the bulb for the MIL? Check out the diagrams (below). Please let us know what you find.
Was this
answer
helpful?
Yes
No
Friday, August 16th, 2019 AT 9:51 AM
Tiny
VULCANO3179
  • MEMBER
  • 10 POSTS
Hello, I have had the instrument cluster apart before and there are no bulbs for my cluster, the only bulb that is in my cluster is the one that powers the full beam symbol, there is no other bulb.
Was this
answer
helpful?
Yes
No
Friday, August 16th, 2019 AT 10:07 AM
Tiny
KEN L
  • MASTER CERTIFIED MECHANIC
  • 55,266 POSTS
The bulbs are inside, there has to be something lighting the light. Is it an LCD screen? Can you please shoot a quick video with your phone so we can see what's going on? That would be great. You can upload it here with your response.
Was this
answer
helpful?
Yes
No
Friday, August 16th, 2019 AT 11:19 AM
Tiny
VULCANO3179
  • MEMBER
  • 10 POSTS
Hi, no it is not an LCD screen. I have opened the cluster and have looked to see if there was a bulb and there are no bulbs, all that is in each slot is 4 silver solder like dots.
Was this
answer
helpful?
Yes
No
Friday, August 16th, 2019 AT 12:45 PM
Tiny
KEN L
  • MASTER CERTIFIED MECHANIC
  • 55,266 POSTS
Can you please shoot a quick video with your phone so we can see what's going on? That would be great. You can upload it here with your response. It sounds like they are LCD bulbs the board may be bad I would try to get a used cluster and plug it in to see if the check engine light works.
Was this
answer
helpful?
Yes
No
Saturday, August 17th, 2019 AT 11:19 AM
Tiny
VULCANO3179
  • MEMBER
  • 10 POSTS
Hi, unfortunately I am unable to do a video as it is tricky enough looking underneath the display without breaking it. If there is a way to remove the display then I am more than happy to send a video, but the needles are not removable as far as I am aware. When I looked under the display there is at least four slots that don't have the tiny lights. My car has an arc engine and is a 1999 so it doesn't have the same features as a 2002 polo for example.
My guess is that the gl to the glx models of the polo have a generic cluster but vary in features, the gl is the most basic of the range, the glx is most likely the top end version.
Was this
answer
helpful?
Yes
No
Monday, August 19th, 2019 AT 3:55 AM
Tiny
KEN L
  • MASTER CERTIFIED MECHANIC
  • 55,266 POSTS
There is a logic inside the cluster is sounds like it has gone bad, those light are LCD so they don't go out normally. Lets see if the cluster is getting signal from the PCM. here is a guide and the engine wiring diagrams for testing white with blue wire:

https://www.2carpros.com/articles/how-to-use-a-voltmeter

Check out the diagrams (below). Please let us know what happens.
Was this
answer
helpful?
Yes
No
Monday, August 19th, 2019 AT 4:01 PM

Please login or register to post a reply.