Wednesday, April 29th, 2009 AT 10:31 PM
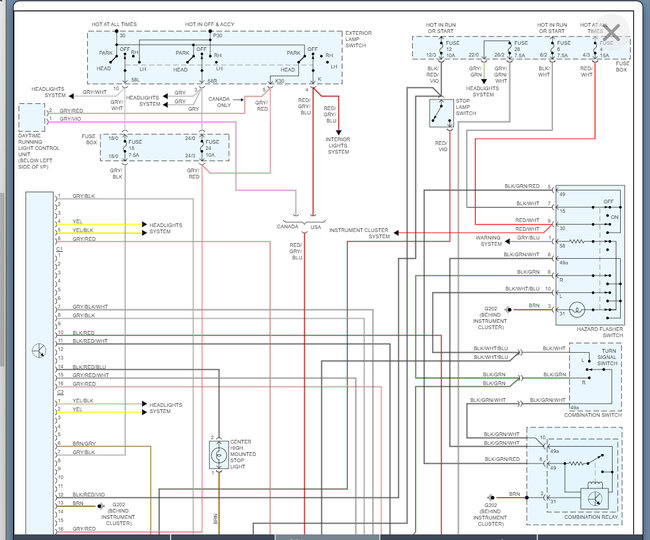
My turn signals sometimes don't come on when I move the lever! I changed the fuses and still have the same erratic on/off situation. The flashing signal on the dash board showing which direction I'm turning won't illuminate! When I got home and restarted the car, they were working! Do I have a loose connection somewhere that I need to know about?





