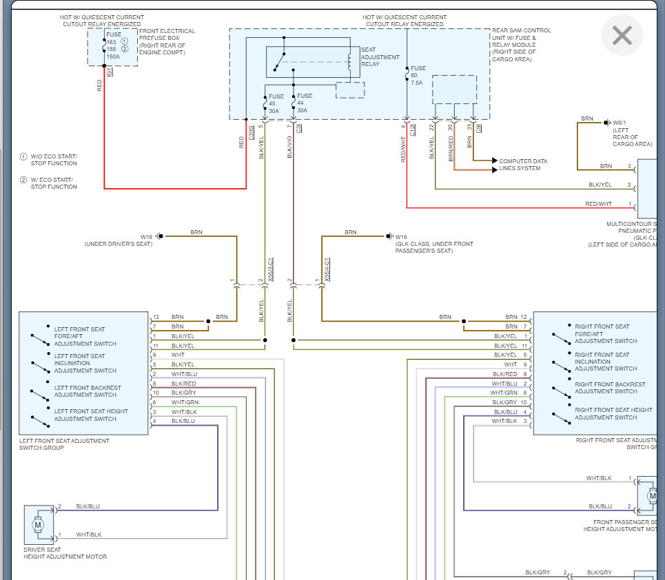
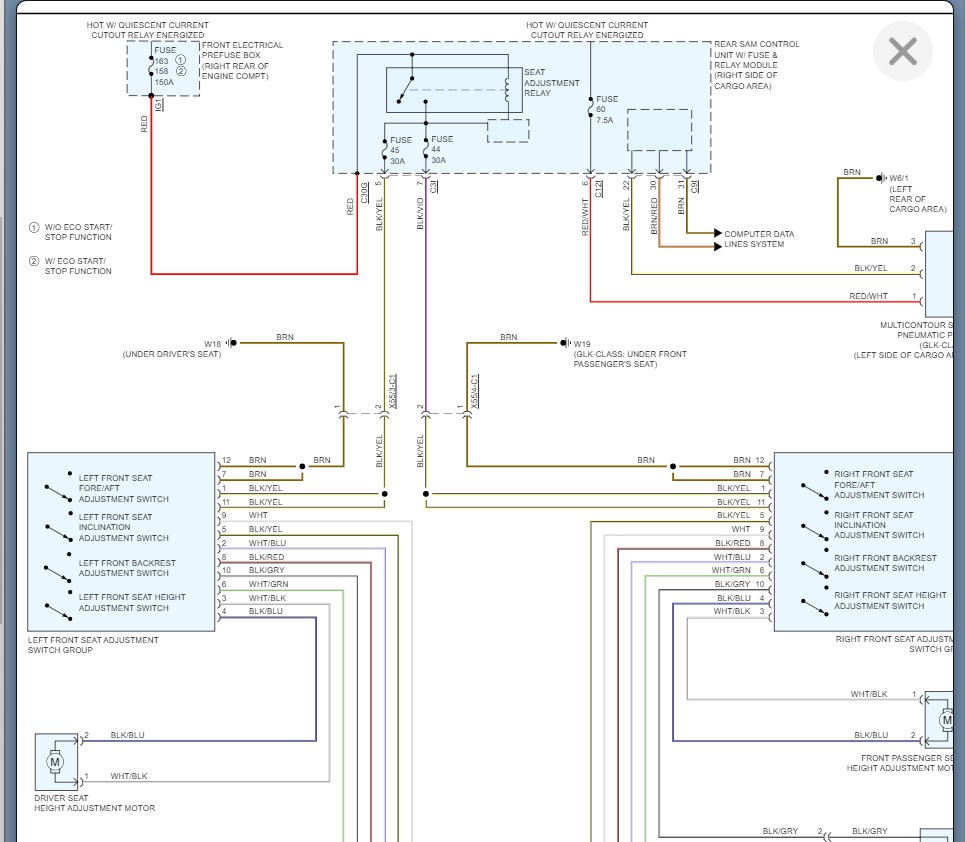
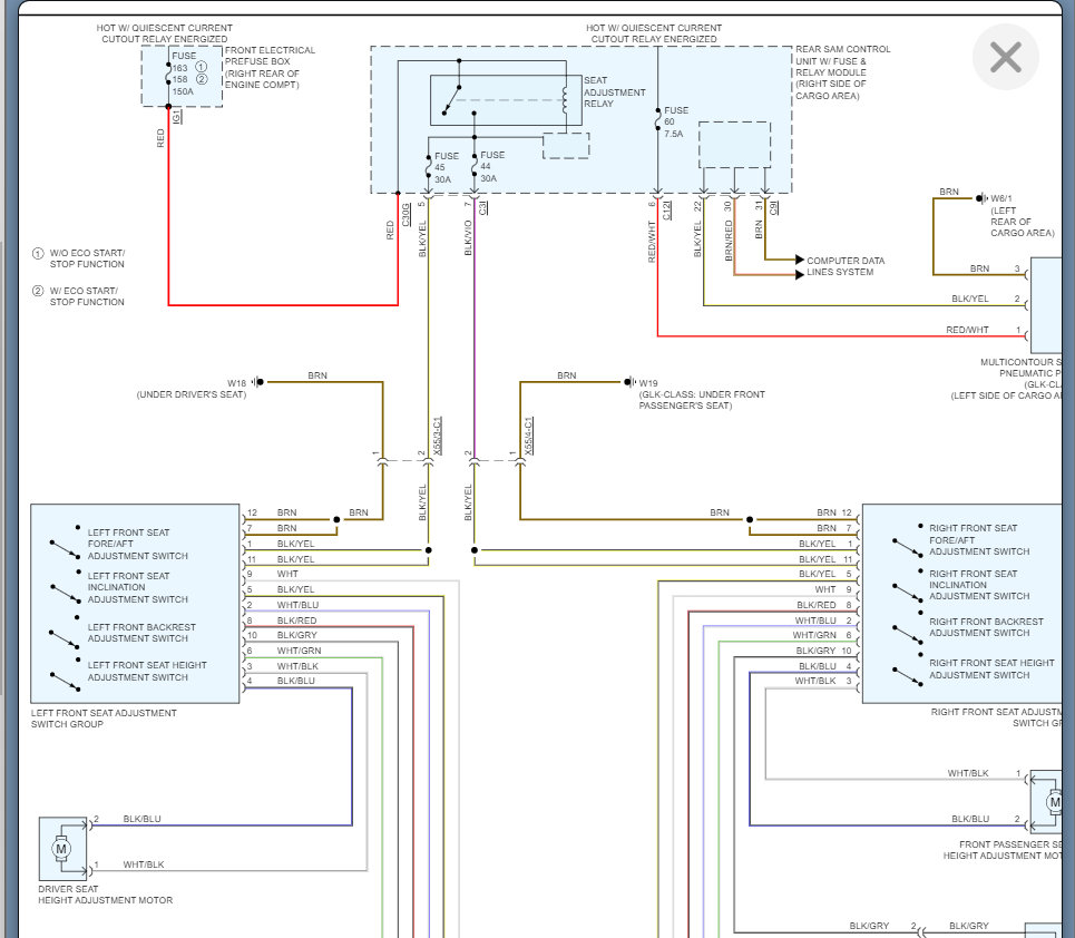
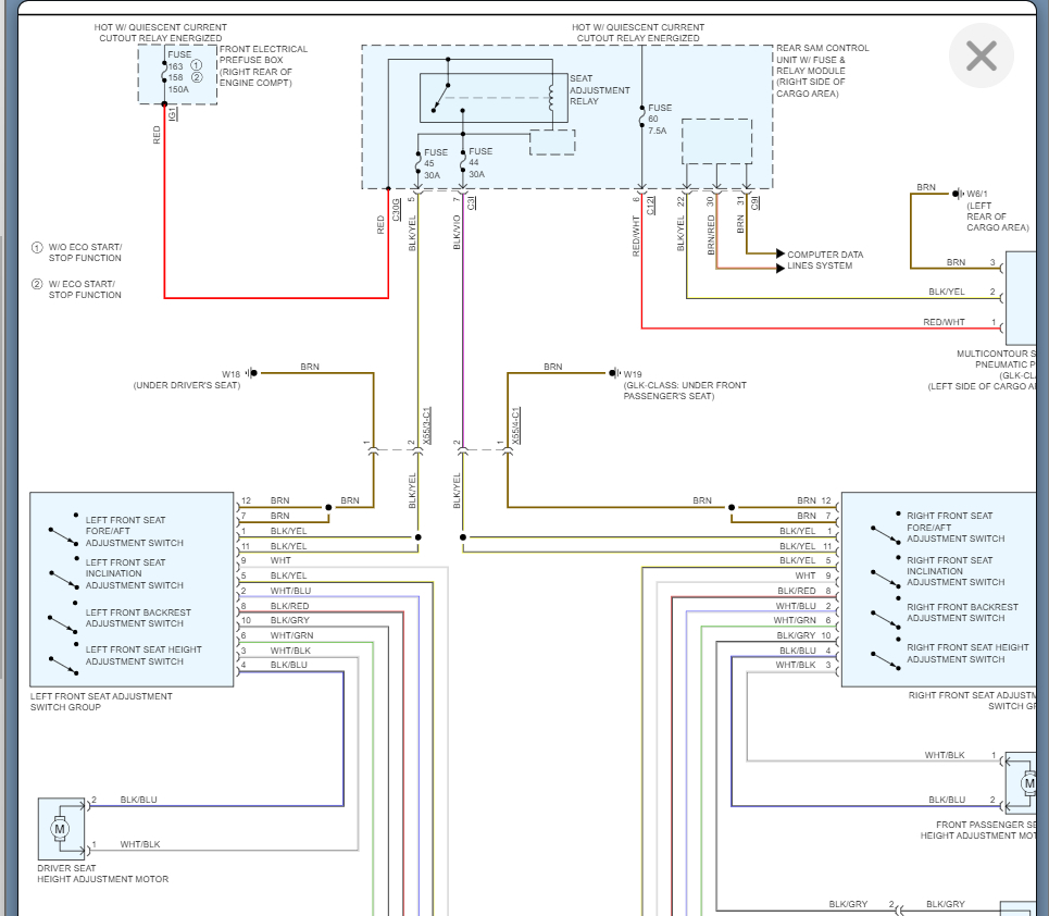
Hii , my car have power seat but ı want install memory seat full option ( ı bought front memory seat and switch and wood decor )
I need to 2015 memory seat electric diagram
I need to 2015 memory seat electric diagram
Jun 5, 2022 at 2:44 AM

