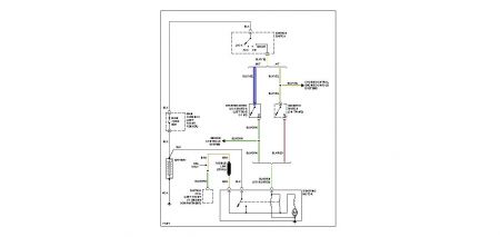
Friday, December 26th, 2008 AT 4:17 PM
When I try to start it, all the power comes on but the starter don't turn over. I've checked thye neutral switch, but still no starter. Is there an in-line fuse to the starter? Or what else might it be? It started just fine yesterday. I did hit a snow bank, yat all the wires are connected.


