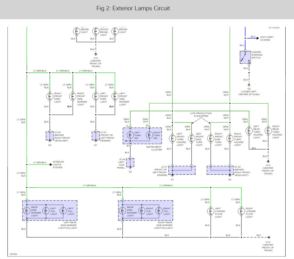
2002 protege 5, While driving I lose my dash board and rear lights, so I check my fuses, found the blown one and replaced with a good new one, turned my head lights on and it blows right away, I took both back tail lights out and tried a new fuse with the lights out of the holder and the fuse blows right away again, so I took the instrument cluster out and put in a new fuse with it out and the same thing happens, my head lights and turn signal lights, radio, inter lights all work just fine, so I'm pretty sure I have a short some place, but any idea as to the best place to start from?
Wednesday, February 13th, 2008 AT 1:25 AM








