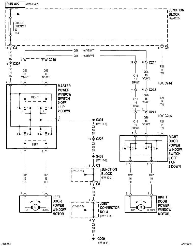
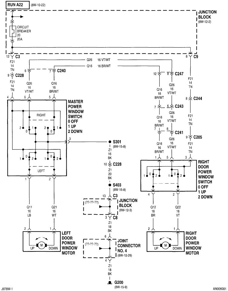
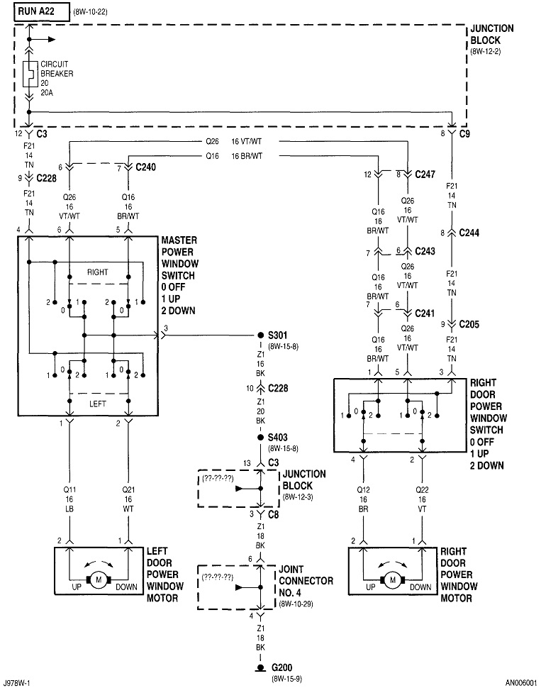
Monday, January 26th, 2026 AT 2:35 PM
The master window switch wiring was cut and I got a new switch and I'm trying to figure out which wires go where to rewire this back right.




