Wednesday, April 29th, 2020 AT 4:36 PM
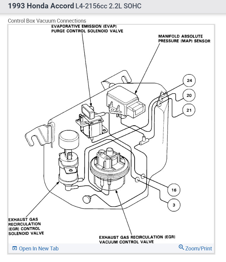
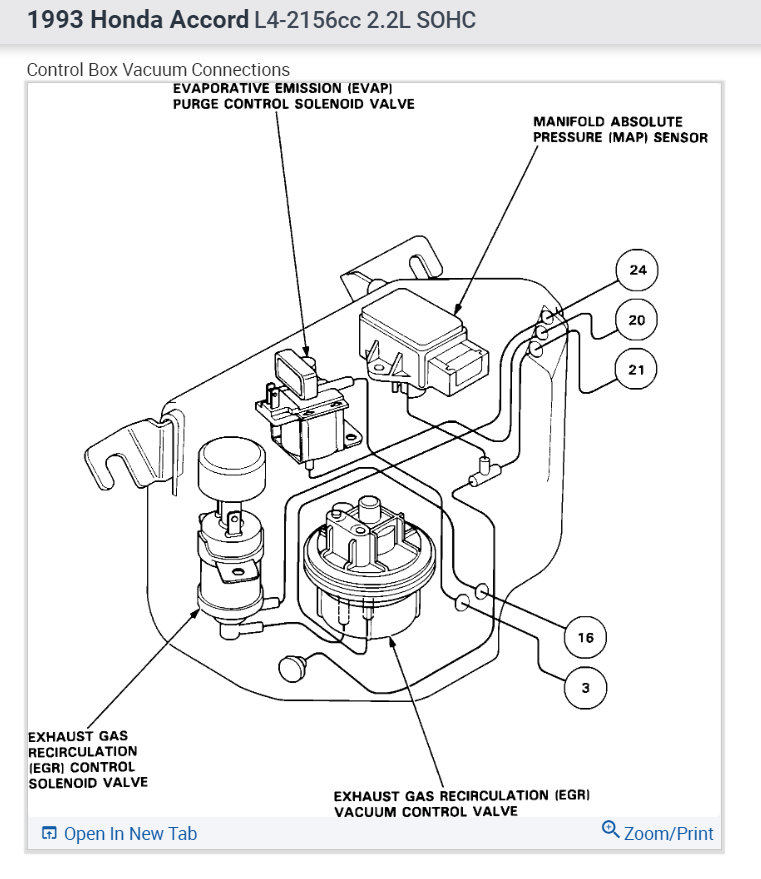
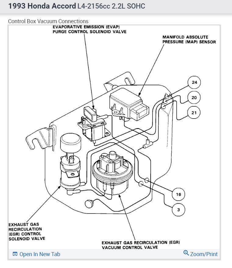
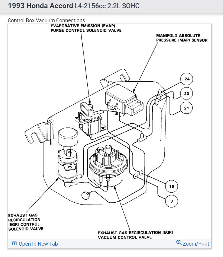
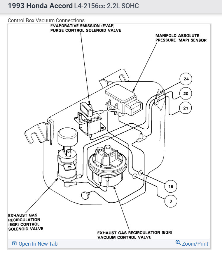
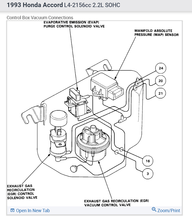
I accidentally left my MAP sensor unplugged. The engine light the steering wheel light and the tire pressure light are on while I was driving the car. It was driving rough. Once I got when I was l was leaving the store the engine shut off. So I opened the hood and noticed the MAP sensor (computer sensor ) was disconnected so I plugged it back in. While I was driving home the engine seemed forced and the lights were still on. So I got home I parked it and I’m just waiting for the engine to cool off to see what happens.















