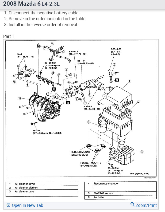
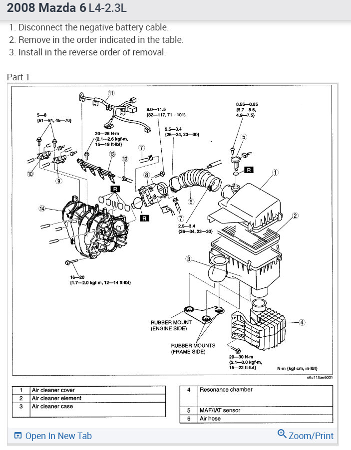
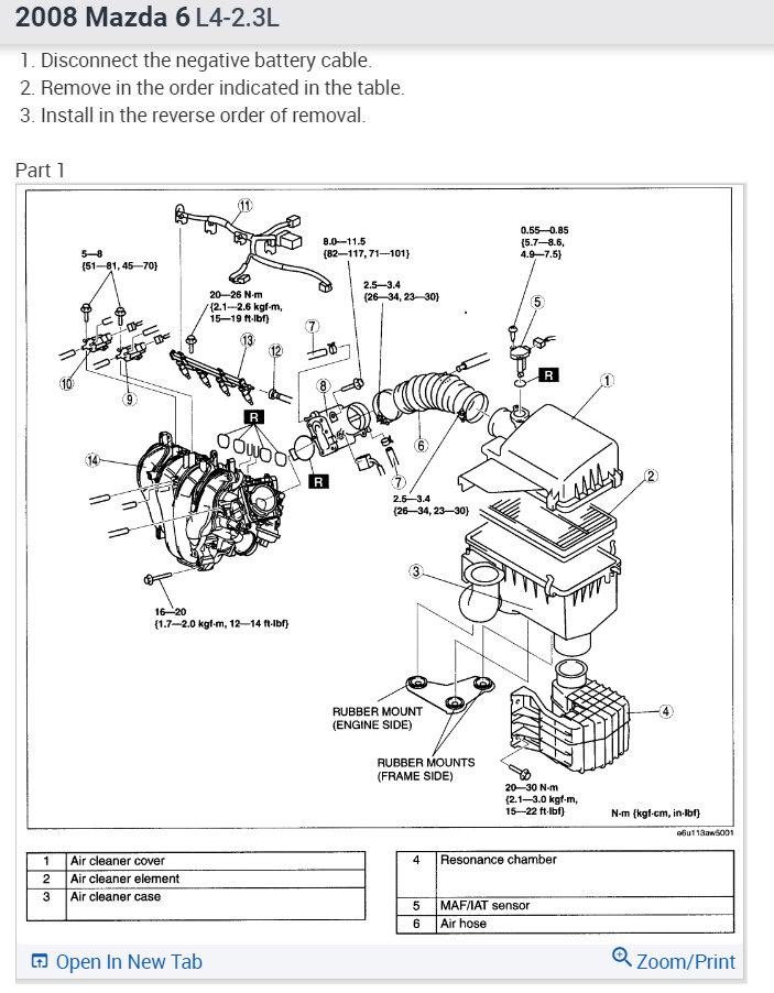
One day the engine warning light came up, and the car lost its power.
Diagnostics showed MAP and MAF sensor faulty.
Fault codes.
P0107
P0104
P0101.
Changed both. MAP and MAF sensors, but the problem was still same.
Also checked the wiring and everything is okay.
Can you tell what can cause the problem?
Wednesday, February 15th, 2023 AT 11:51 PM

















