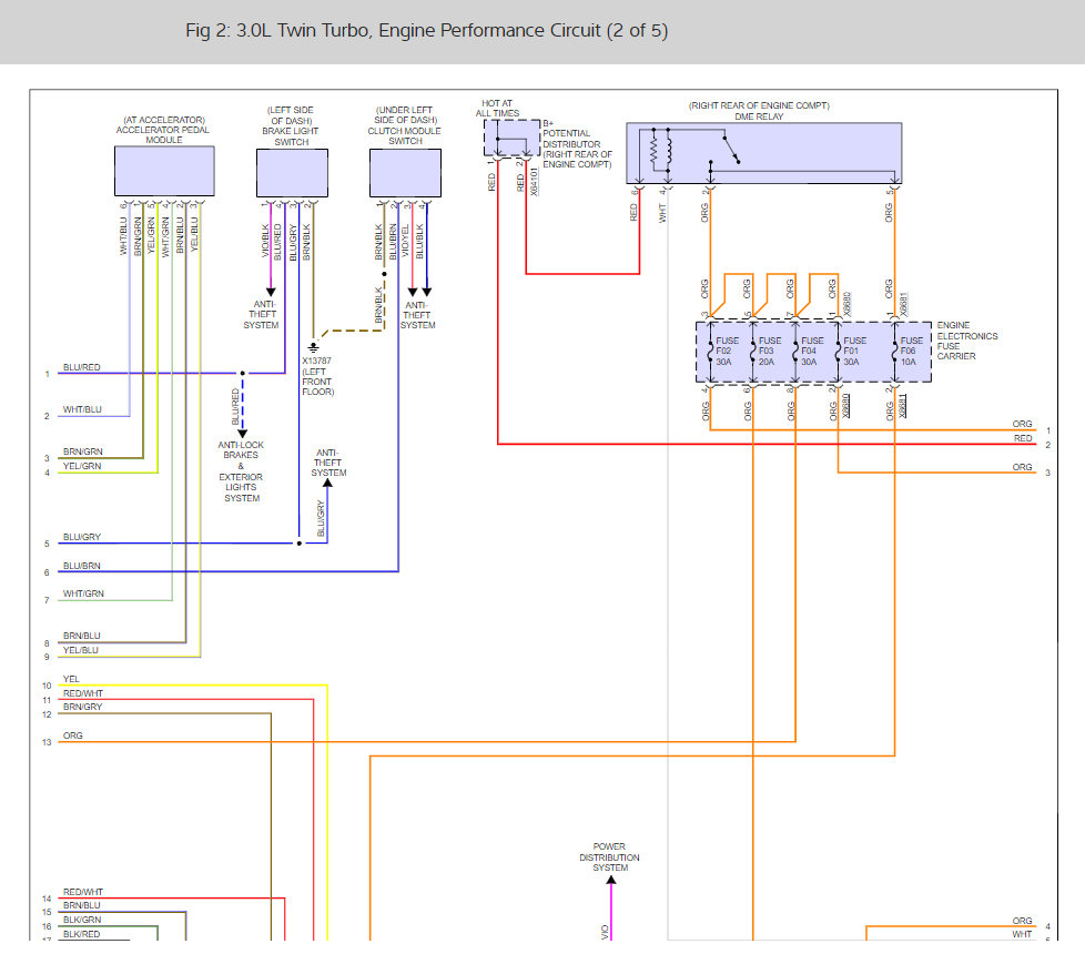
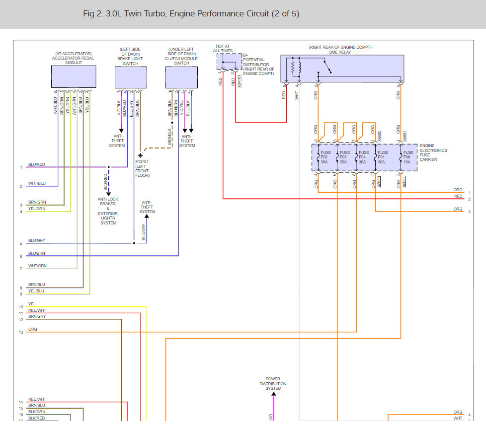
When engine starts after long time of cranking it will keep run for a few seconds then shut off.
after scanned we found following codes:
108A01
120408
160001
160020
168A20
1B2001
1C3101
CF2C21
930769
93076A
93076B
93076C
Crankshaft sensor has been replaced with new one. the two knock sensors cleaned
all codes has been cleared .
but after we start engine all above codes will comeback again.
note :
even with crankshaft sensor wire plugged out , engine will start also!
Need your urgent help please.
Thanks
after scanned we found following codes:
108A01
120408
160001
160020
168A20
1B2001
1C3101
CF2C21
930769
93076A
93076B
93076C
Crankshaft sensor has been replaced with new one. the two knock sensors cleaned
all codes has been cleared .
but after we start engine all above codes will comeback again.
note :
even with crankshaft sensor wire plugged out , engine will start also!
Need your urgent help please.
Thanks
Sep 14, 2017 at 1:20 AM


















