Friday, October 9th, 2020 AT 2:00 PM
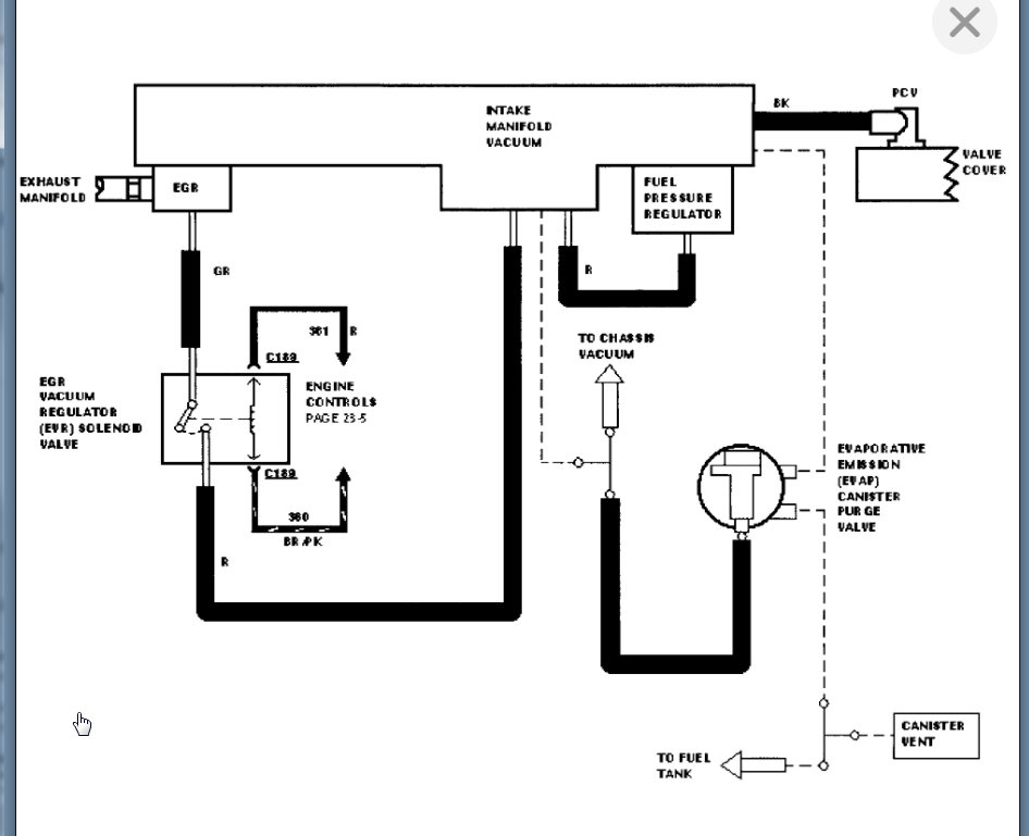
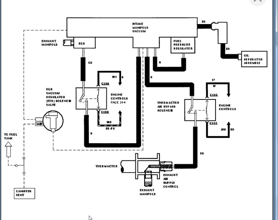
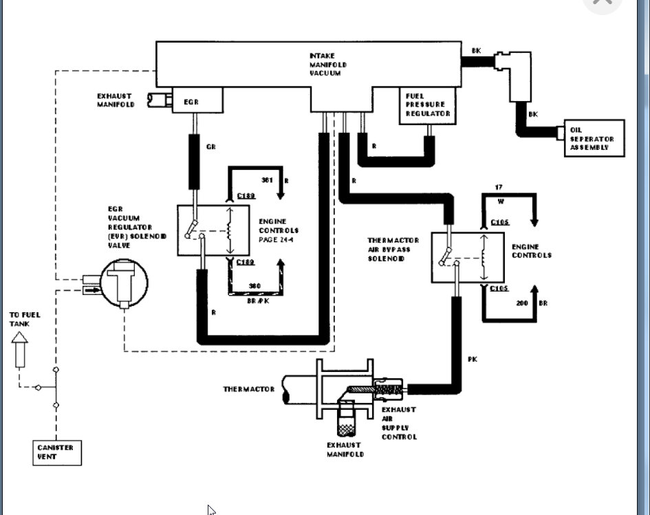
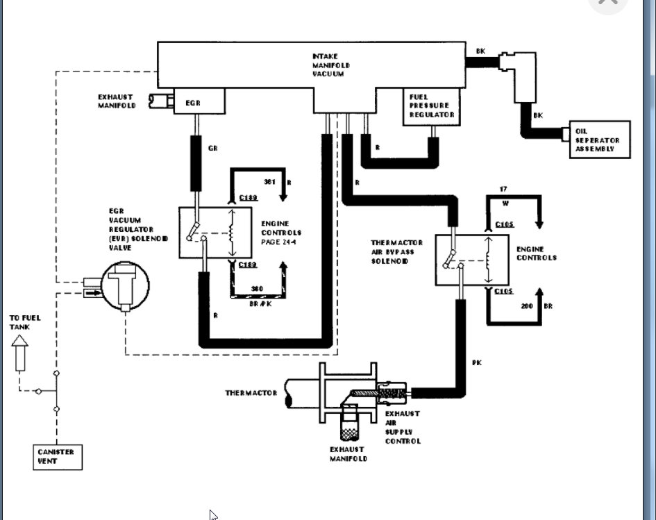
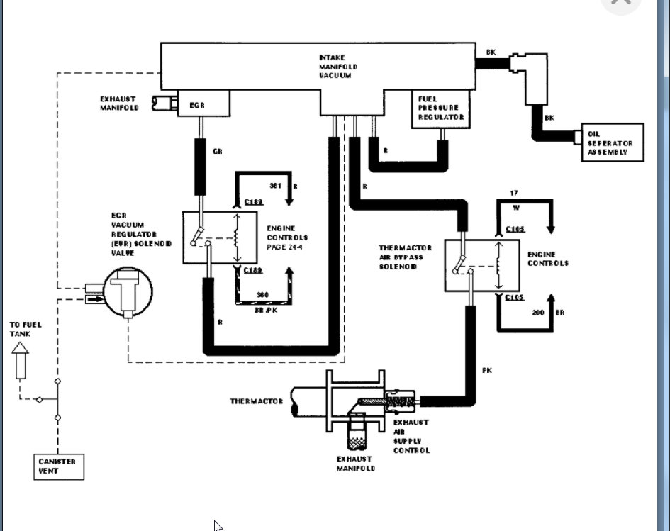
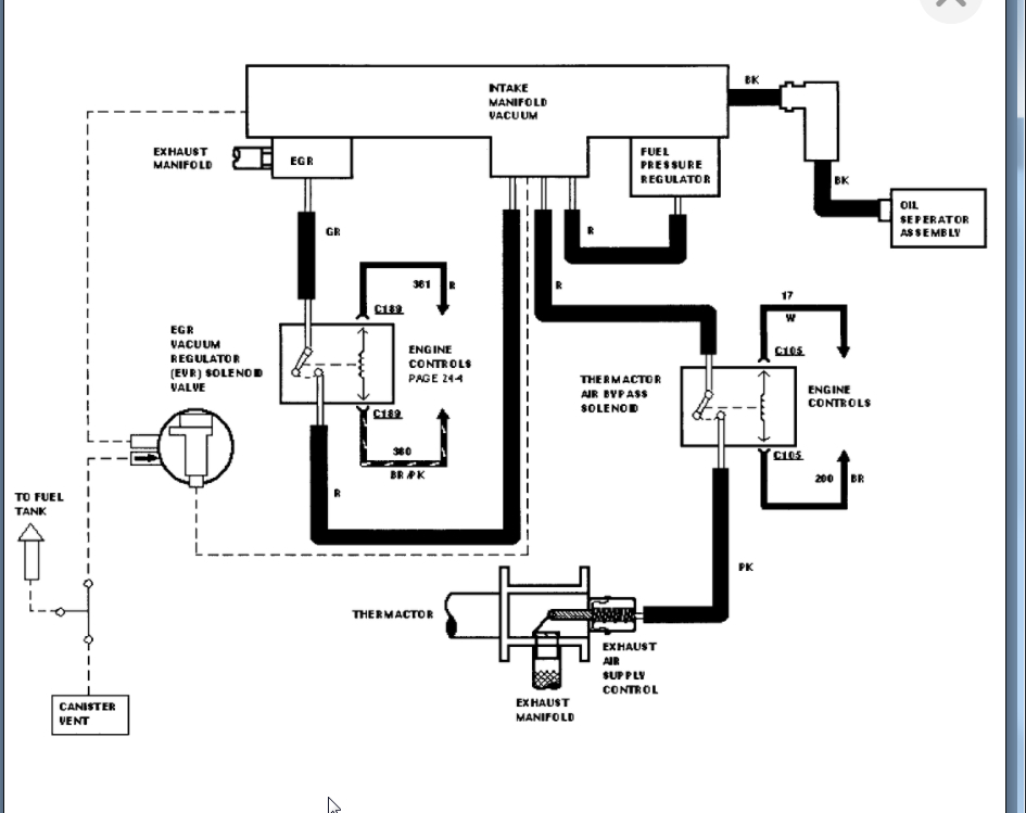
There are 2 vacuum connections on the side of the intake manifold near the throttle body on the back side. The large one goes to the vacuum junction on the firewall. The smaller one next to it goes where?




