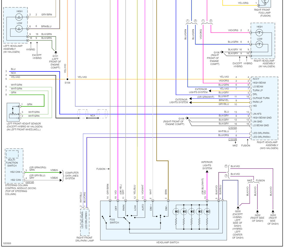
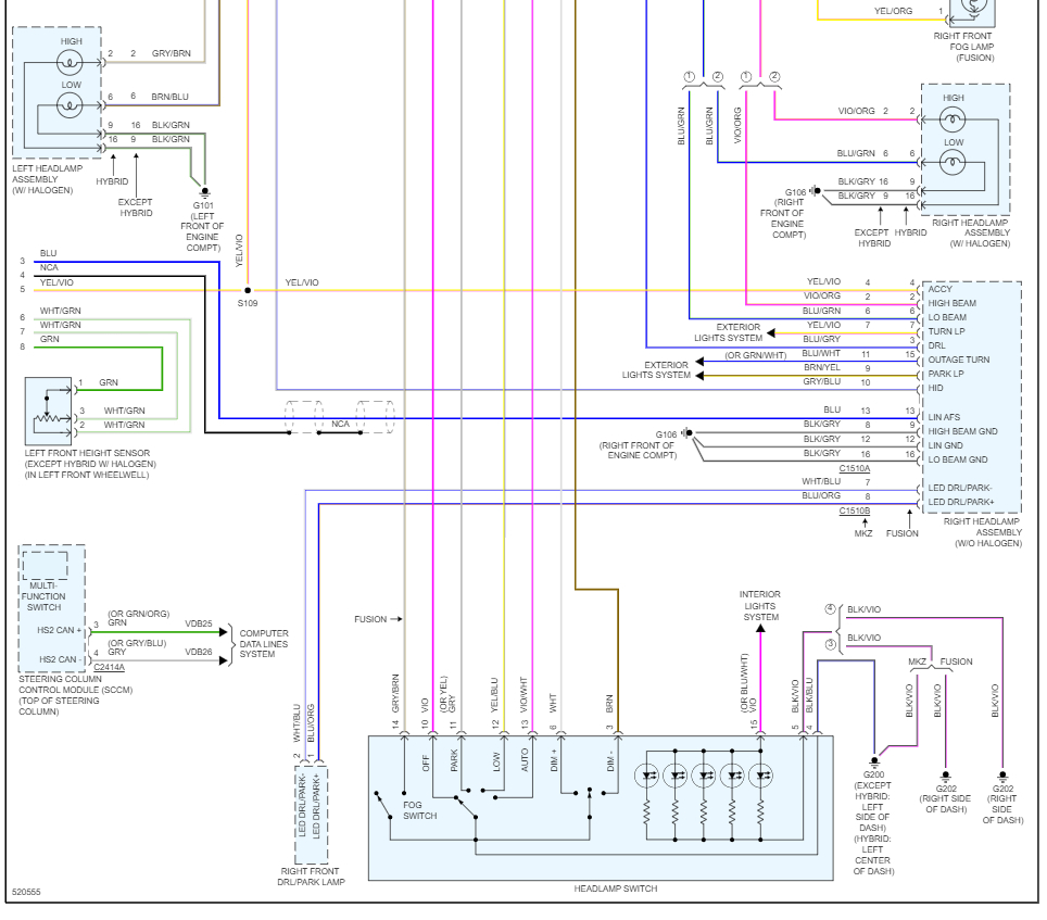
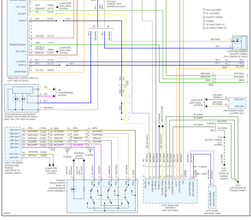
We have the car listed above SE. Just noticed copilot low beam headlight is out. We replaced the whiter and brighter bulb we just installed in September, still nothing.
Replaced overheated socket (when new bulb didn't work, we next thought the socket had overheated by the way it looks, see attached picture), still nothing.
Now totally perplexed!
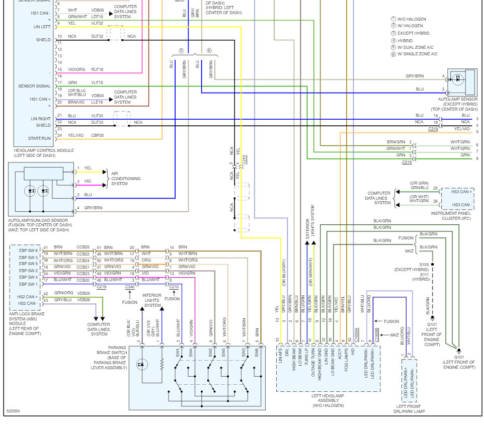
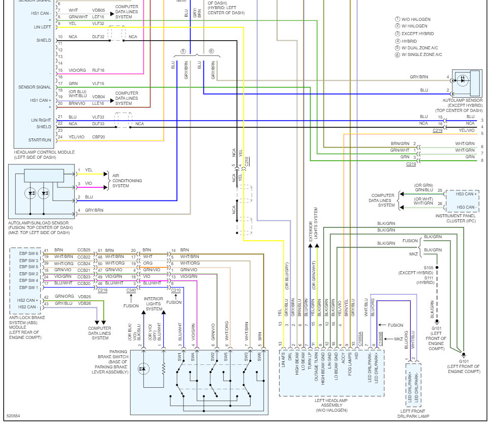
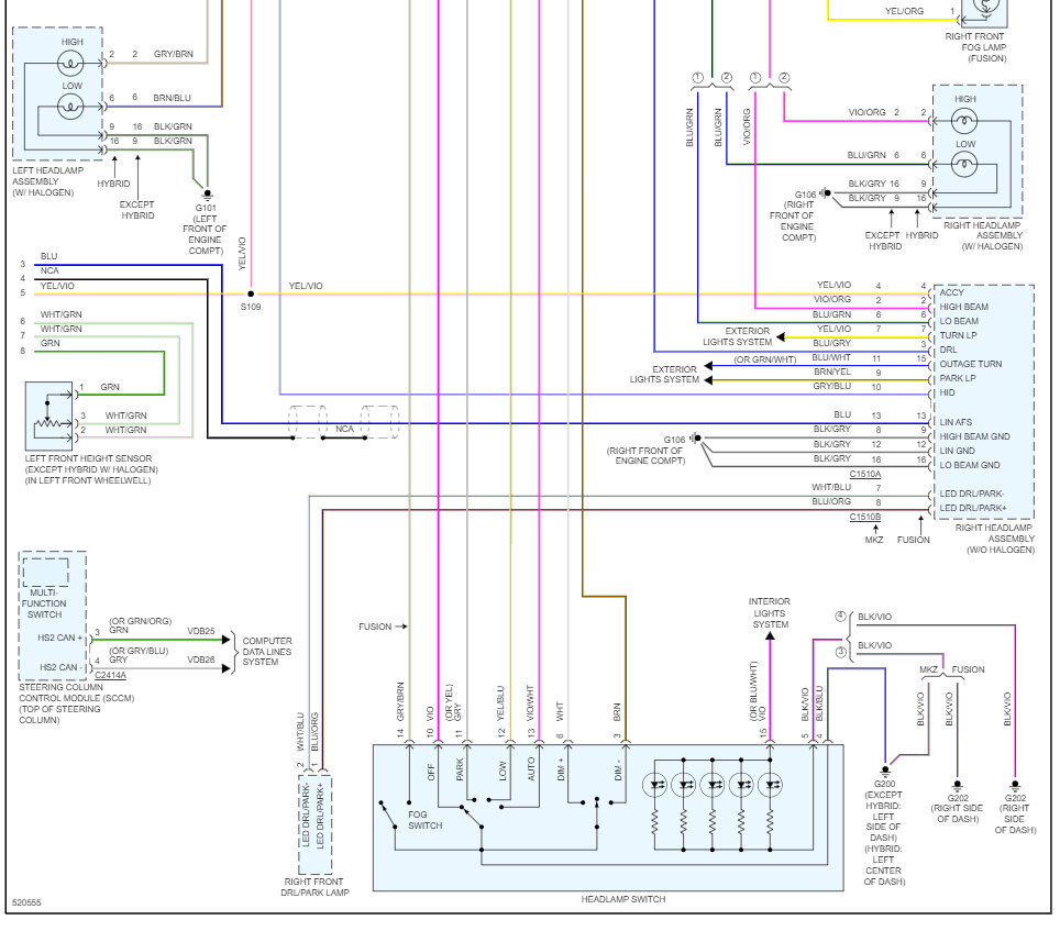
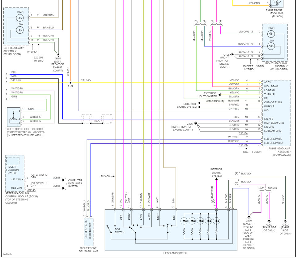
Research shows some fuse panels having a fuse for each light, so 4 fuses, one for each low beam and one for each high beam. Our owner manual does not list any fuses for headlights at all.
Can anyone who is super familiar with internal electrical system give us (seniors) any ideas of what to try next before we take it in to a repair shop and have them rape us for something computer related?
We are living on very little, and I drive most days and nights delivering food, so I need both lights working, never thought it would blossom into such a major ordeal. Just like the rear-view mirror that can no longer be tightened via a set screw, now you have to replace entire gosh darned mirror. What are humans doing to one another, grin!
Hoping for some positive feedback today.
Danke Schön. Merci. Thank you
Best
Mrs. D
Wednesday, April 19th, 2023 AT 10:29 AM













