Low beams not working

Tiny
BIGGED79
  • MEMBER
  • 2007 SATURN AURA
  • 187,000 MILES
Low beams won’t work. Relay is fine and fuses are fine. What else should I check?
Tuesday, March 9th, 2021 AT 4:59 PM

1 Reply

Tiny
JACOBANDNICKOLAS
  • MECHANIC
  • 110,192 POSTS
Hi,

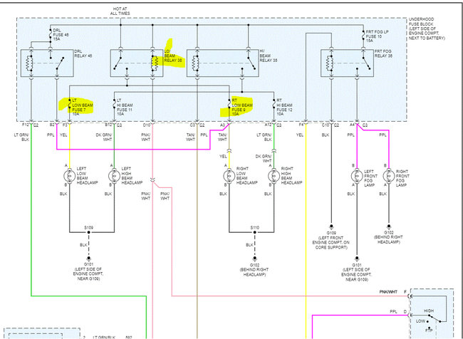
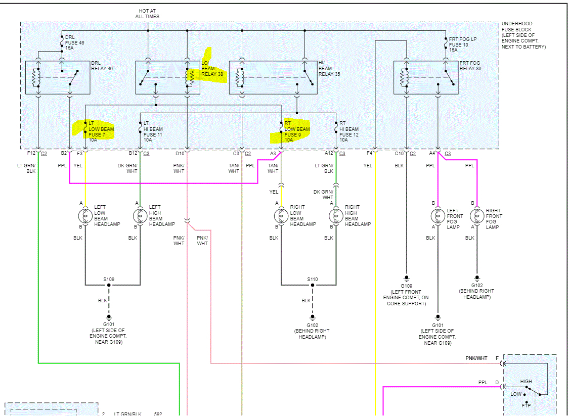
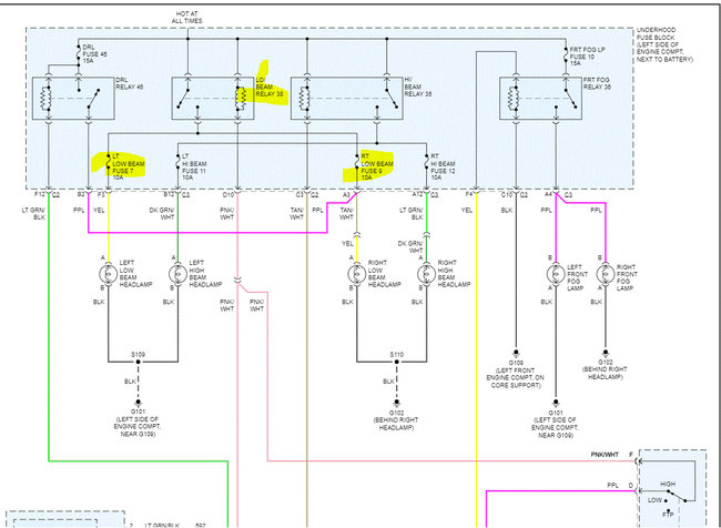
First, the two pics below are the entire wiring schematic for the headlamp system. I did highlight the low beam relay and fuses. You indicated the fuses are good and the relay. Is there power to the fuses and relays?

https://www.2carpros.com/articles/how-to-check-a-car-fuse

https://www.2carpros.com/articles/how-to-check-an-electrical-relay-and-wiring-control-circuit

Next, if the fuses have power in and out and the relay is good, check the yellow at the headlamp plug for power when the low beam is on. If there is power, confirm there is no damage to the connector or bulb where they connect. Also, make sure there isn't a corrosion issue. Here is a link you may find helpful:

https://www.2carpros.com/articles/how-to-check-wiring

Don't laugh at this. Yesterday, I had a woman with a Hyundai upset because her low beams wouldn't work. She was told the switch was bad and expensive to replace. She actually had two burned-out low beams. I know it sounds odd, but is there any chance the bulbs are bad? I ask because I spent the time testing fuses, the relay, and so on. I didn't realize until I noticed there was power to each bulb, but it wouldn't light. LOL

Also, this won't be a ground issue because the high and low beams share the same ground.

Let me know what you find or if you have other questions.

Take care and God Bless,

Joe

Was this
answer
helpful?
Yes
No
Wednesday, March 10th, 2021 AT 6:18 PM

Please login or register to post a reply.