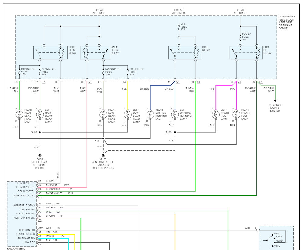
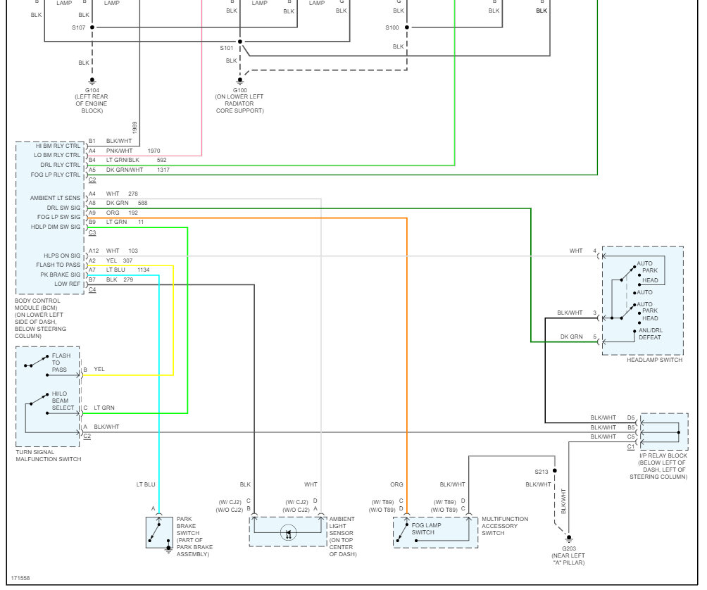
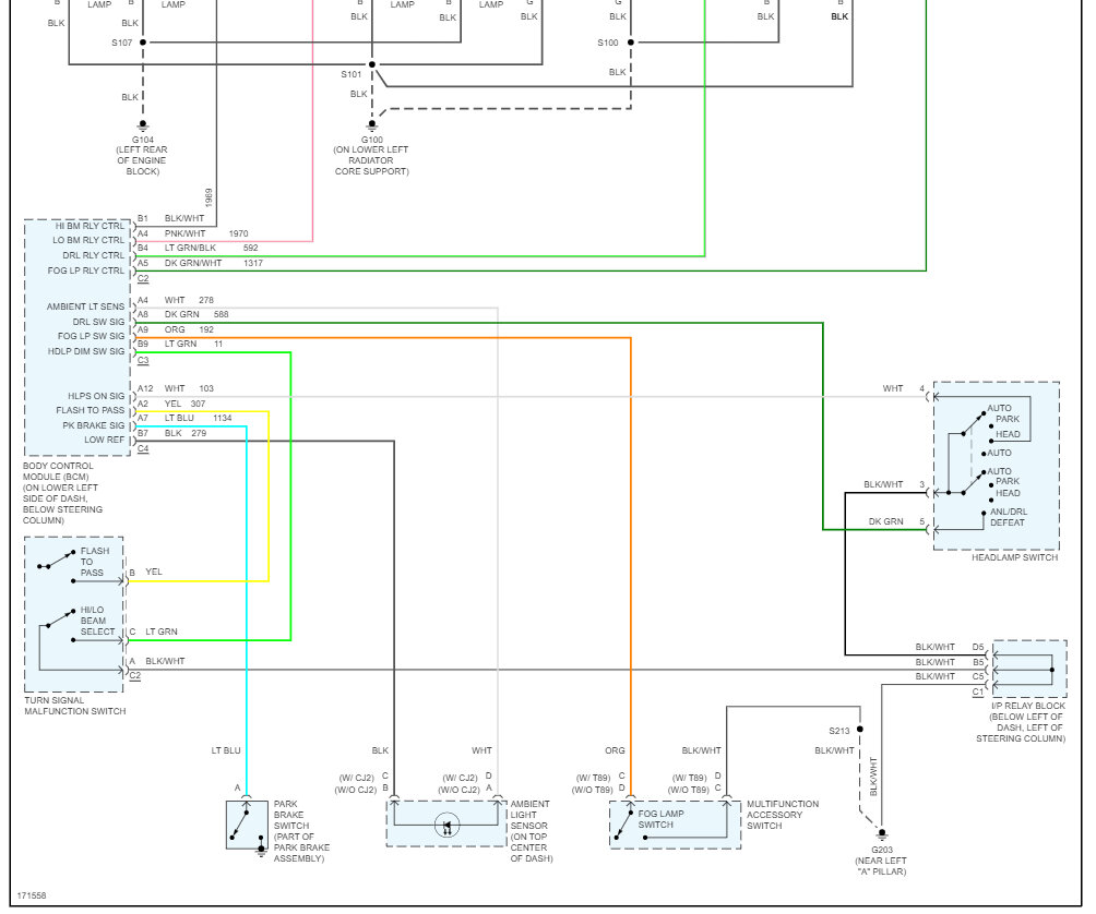
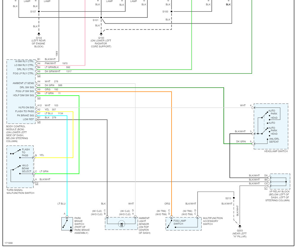
Sunday, August 27th, 2023 AT 9:43 PM
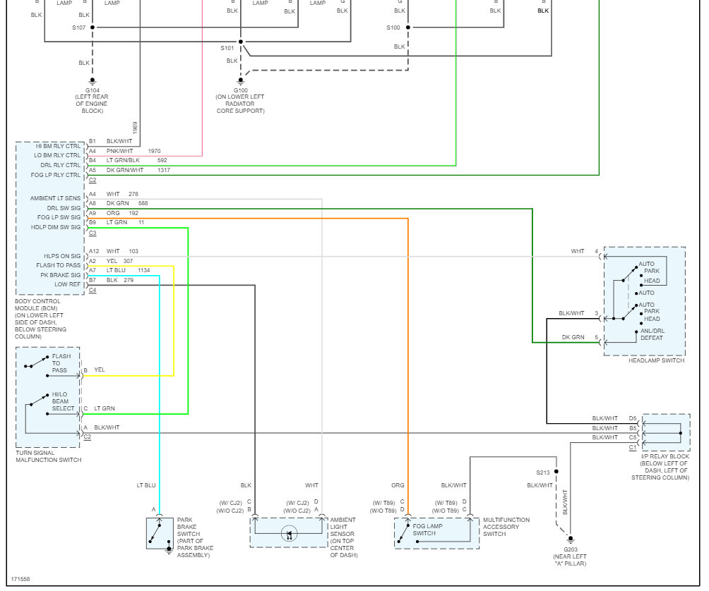
My low beams went out, but my high beams still work. My running lights still work so I replaced the switch on the blinker switch and still got nothing. No power at the fuse box and if I take a piece of speaker wire and tap it on the head light wire and the battery they come on.




