Low beam headlights not working properly

Tiny
KPORTER1013
  • MEMBER
  • 2015 CHEVROLET TRAVERSE
  • 2WD
  • AUTOMATIC
  • 52,000 MILES
In 2020, from Jan-Feb my driver's side low bean did not work. All of a sudden it came on and life went on. In Sept 2021, my passenger side low beam went out. Thinking it would come back on like the other one I didn't do anything. About two months later my driver's side went out too. I have changed the driver's side headlight, but it doesn't turn on all of the time. At night, my low beams don't work but during the day a few minutes after I start my car and I start driving I hear a click and the dashboard lights change and become brighter and the headlight comes on. I haven't changed my passenger side low beam yet. My high beams and fog lights were perfectly.
Thursday, December 9th, 2021 AT 1:58 PM

1 Reply

Tiny
JACOBANDNICKOLAS
  • MECHANIC
  • 110,194 POSTS
Hi,

This could be a few things. First, each side low beam has its own separate fuse. We need to check to confirm they are both good.

Now, you indicate the driver's side low beam is the issue. With that, I assume the passenger side is working. So, first, locate the left low beam fuse in the under-hood fuse box. First, inspect the fuse and where it inserts into the box. Make sure connections are tight, free of corrosion, and not pushed inward.

Also, confirm there is power to and from the fuse. Here is a link to help:

https://www.2carpros.com/articles/how-to-check-a-car-fuse

If fuses are good, then go to the light socket and check for power at the red or yellow (whichever you locate) with the low beam lights on. Here is a link you may find helpful:

https://www.2carpros.com/articles/how-to-check-wiring

If that checks good, then we need to remove the low beam relay and either switch it with a different relay in the box with the same part number to see if that makes a difference or test it. Here is a link that shows how to test a relay:

https://www.2carpros.com/articles/how-to-check-an-electrical-relay-and-wiring-control-circuit

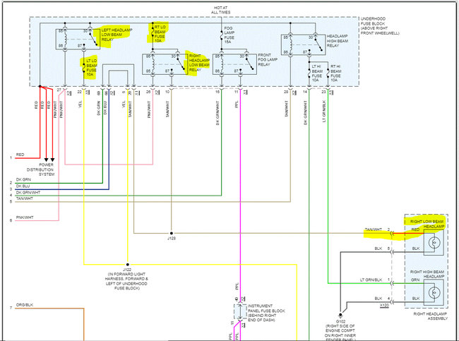
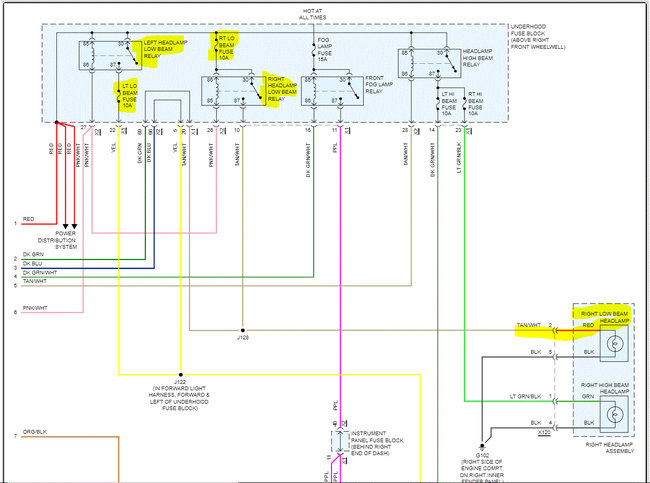
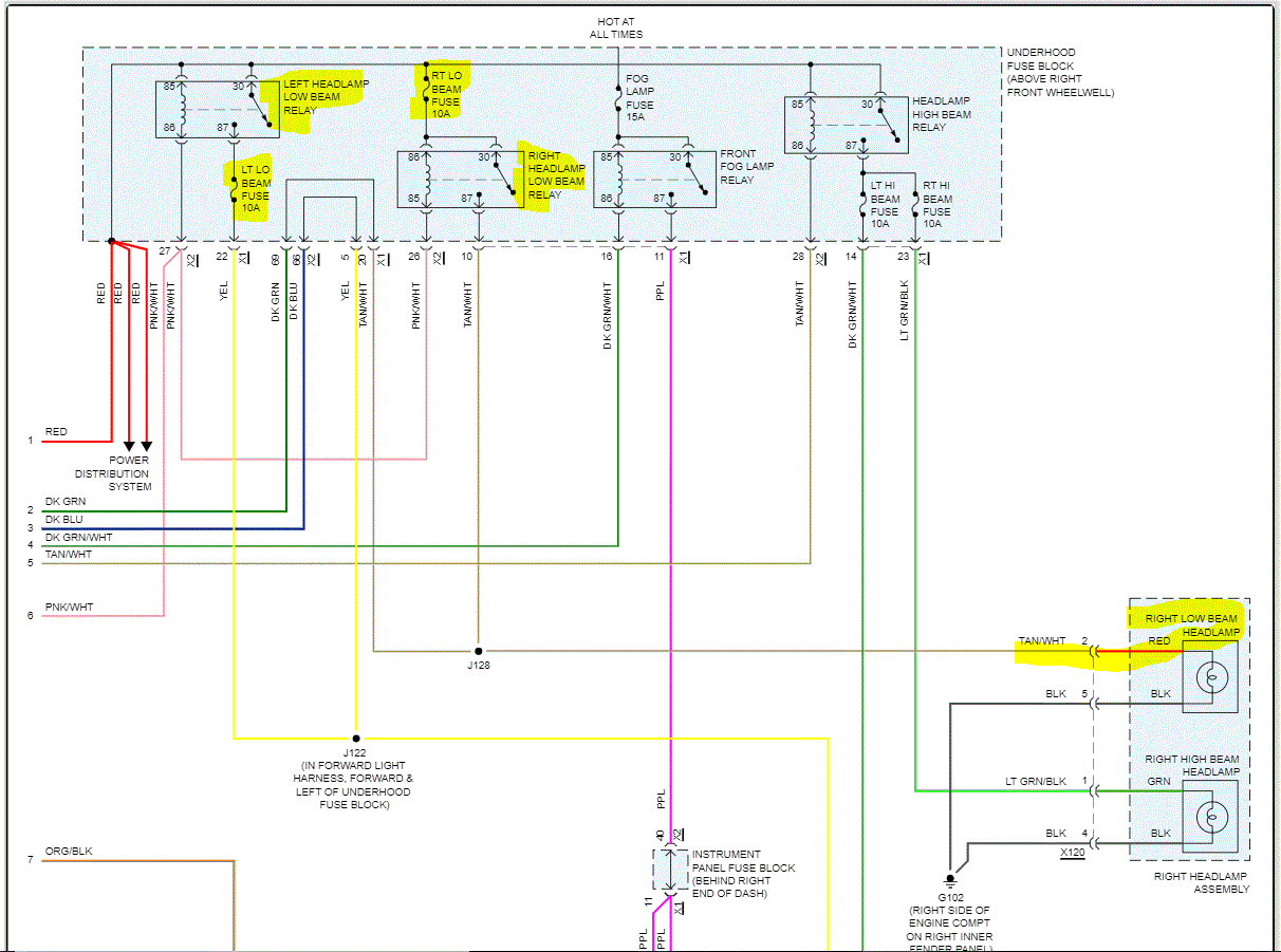
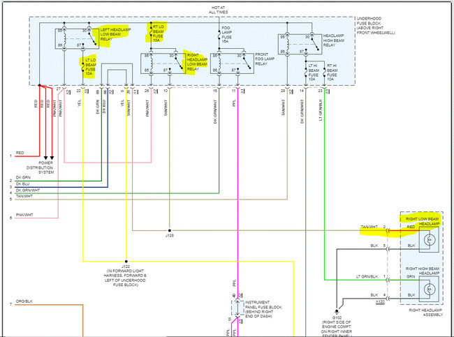
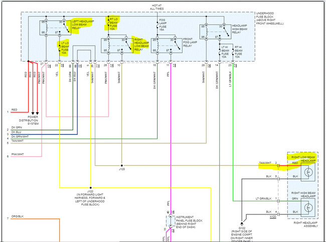
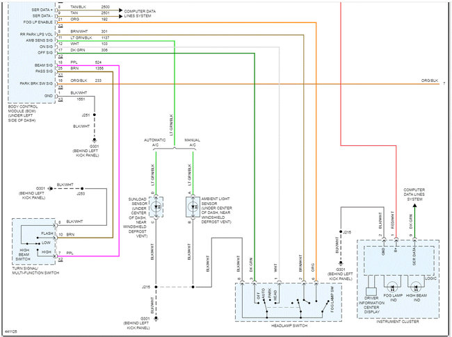
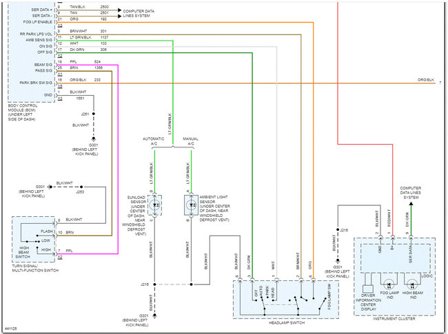
The schematic pics had to be cut in half to make them readable for you. I did overlap them so you can follow from one to the next. I also highlighted fuses, relays, and lights.

I tried to identify the fuse and relay locations, but there are four different fuse box designs based on options. I don't want to give you the wrong one. I hope you understand.

If you look under the fuse box lid, it should have a legend identifying the components.

Let me know what you find or if you have other questions.

Take care,

Joe

See pics below.
Was this
answer
helpful?
Yes
No
+1
Thursday, December 9th, 2021 AT 6:50 PM

Please login or register to post a reply.