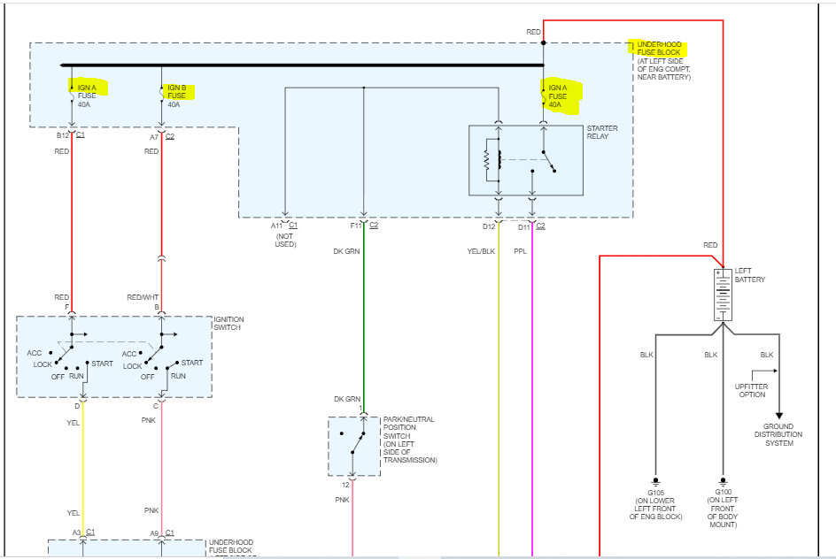
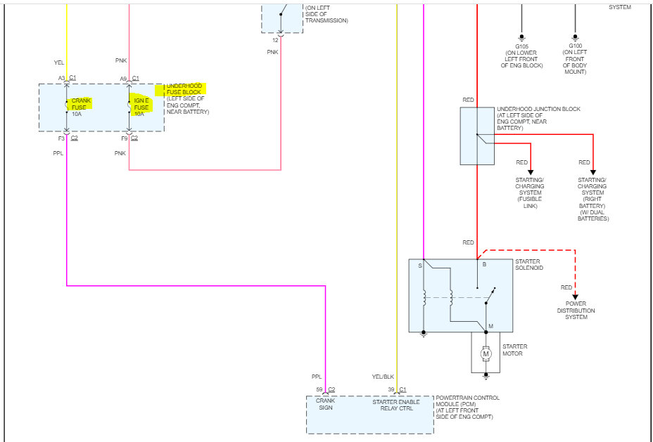
I have since replaced the ignition switch twice. I replaced the starter relay, ignition relay. I had the starter and solenoid checked and they came back good (which is why I replaced the relays). We have checked all connections and get power. I swapped the PCM from another vehicle to see if that was the problem, still the same issues as before.
I am able to get it started by using a jumper wire where the starter relay goes. So, I did drive it to my nearest O'Reilly's Auto Parts store to have a diagnostic hooked up to see if any codes were going to be thrown. It wouldn't connect between the connector under the steering column and their handheld machine.
I don't know if it's important to say but It drove pretty rough on the way there and back. I could put the gas pedal to the floor, but it was very sluggish to get going and get up to any speed. I didn't try to make it go over 30MPH as a precaution to not make things worse. We can't figure out what is wrong and now I am at a loss for what else it could be.
Any help or advice would be greatly appreciated.
Saturday, October 8th, 2022 AT 12:16 PM



