Lost entertainment light visual?

Tiny
1SEER7
  • MEMBER
  • 2020 CHEVROLET SILVERADO
  • 38,500 MILES
My radio is working via steering wheel controls but have a blank screen, my air is working where I had it saturday but lost lights on knobs and ability to turn up or down.
Thursday, July 6th, 2023 AT 11:29 AM

1 Reply

Tiny
KEN L
  • MASTER CERTIFIED MECHANIC
  • 55,499 POSTS
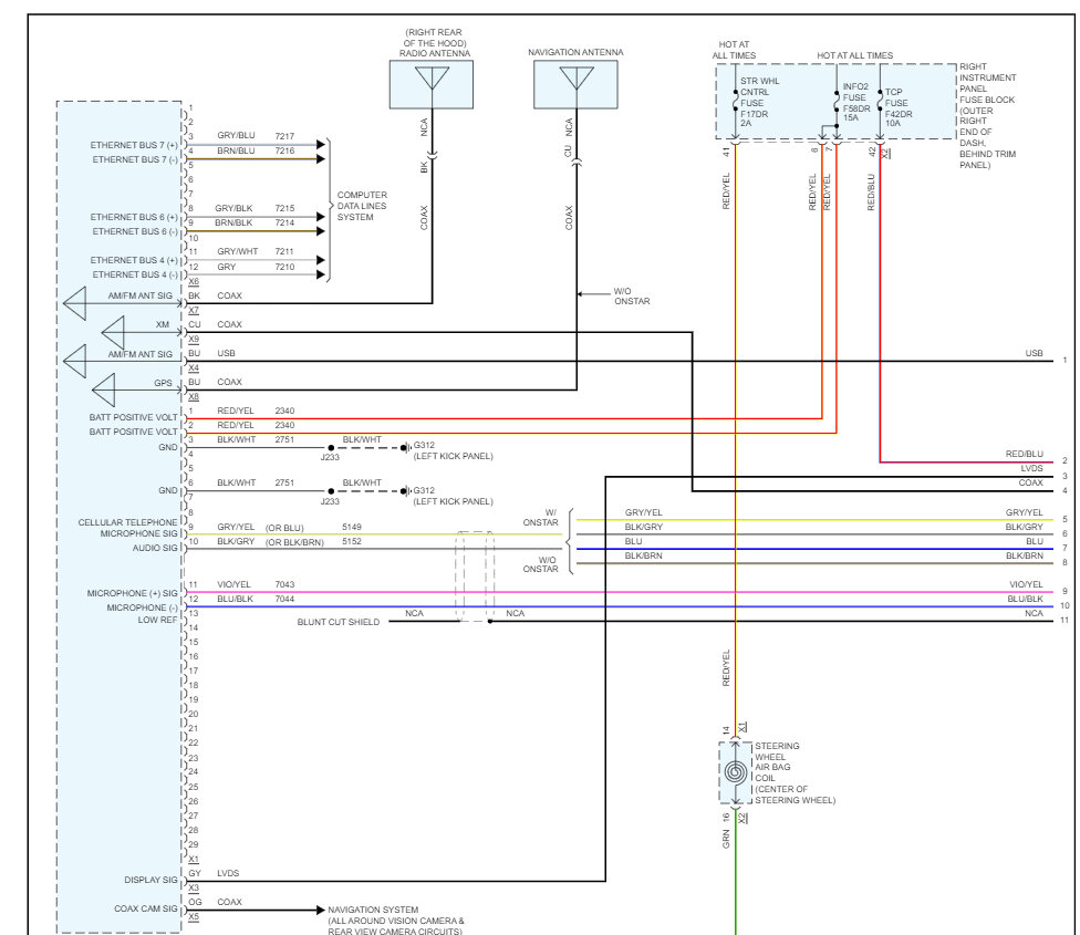
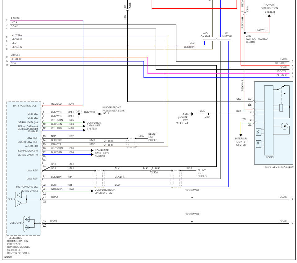
When you say lost the "entertainment lights" do you mean the info display module? We should start by checking the fuses with the system on. This guide can help, and I have included where the fuses are in the images below:

https://www.2carpros.com/articles/how-to-check-a-car-fuse

If all fuses are okay, we need to run a CAN scan, you can get a CAN scanner (Controller Area Network) which will work on most cars from Amazon.

here is a video to show you how:

https://youtu.be/u-4syLc-ifQ

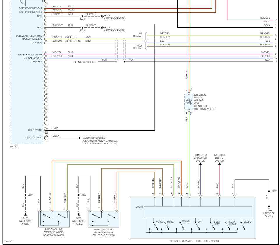
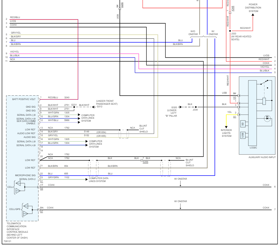
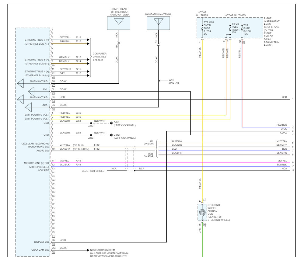
I have seen the info screen go bad due to heat inside the cab (windows up in the summertime). It sounds like the radio has gone out, does the info screen work for other functions? Here are the radio wiring diagrams so you can see how the system works. Check out the images (below). Let us know what happens and please upload pictures or videos of the problem so we can see what's going on.

Was this
answer
helpful?
Yes
No
+1
Friday, July 7th, 2023 AT 11:05 AM

Please login or register to post a reply.