Air conditioner and headlights not working

Tiny
CANEMASTER56
  • MEMBER
  • 2004 CHEVROLET SILVERADO
  • 5.3L
  • V8
  • 2WD
  • AUTOMATIC
  • 100,000 MILES
Noticed air conditioning won't come on. Was working great when I push the button to turn it on it flashes like 3 times and turns off. Also noticed I lost running lights and when I checked my headlights lost them too. Hope it's nothing too bad. Need some help please.
Sunday, August 23rd, 2020 AT 11:05 AM

7 Replies

Tiny
JACOBANDNICKOLAS
  • MECHANIC
  • 110,192 POSTS
Hi,

I just went through wiring schematic for the A/C, exterior light, and headlamps. Nothing it tied together for all of them except the body control module.

Before I suggest replacing anything, check the body control module (BCM) connection for corrosion, damage, make sure it's tight.

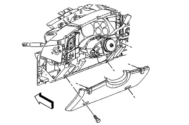
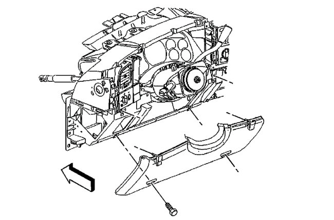
The BCM is below the steering column. You need to remove the plastic cover under the column to get good access. See pics 1 and 2.

Now, there are a number of fuses that can cause issues, but none of them will deal with all the issues you have. Also, the lights, A/C, headlamps have different grounding locations. So, that doesn't seem like the cause. That is why I'm suspecting something has happened at the BCM.

Let me know what you find or if you have other questions.

Take care,
Joe
Was this
answer
helpful?
Yes
No
Monday, August 24th, 2020 AT 8:17 PM
Tiny
CANEMASTER56
  • MEMBER
  • 4 POSTS
I will check it out and let you know.
Was this
answer
helpful?
Yes
No
Tuesday, August 25th, 2020 AT 6:51 AM
Tiny
JACOBANDNICKOLAS
  • MECHANIC
  • 110,192 POSTS
Hi,

That sounds like a plan. I look forward to hearing from you.

Take care,
Joe
Was this
answer
helpful?
Yes
No
Tuesday, August 25th, 2020 AT 8:02 PM
Tiny
CANEMASTER56
  • MEMBER
  • 4 POSTS
Hey Joe,

Just one more thing. Air is coming on it's cold on passenger side but very hot on drivers side. Just wanted to let you know. Still trying to check out DCM, but there is a hurricane going on right now in my area. So still hunkered down.
Was this
answer
helpful?
Yes
No
Thursday, August 27th, 2020 AT 8:53 AM
Tiny
JACOBANDNICKOLAS
  • MECHANIC
  • 110,192 POSTS
Hi,

Not a problem. Whenever you have a chance, let me know. I hope you are okay. I have seen damage and what has been going on. I'm up north of you guys. Stay safe!

Joe
Was this
answer
helpful?
Yes
No
Thursday, August 27th, 2020 AT 8:20 PM
Tiny
CANEMASTER56
  • MEMBER
  • 4 POSTS
Yes, checked the DCM looked okay. Do you have any other options for me? My truck is hard to drive with the hot air blowing out of the drivers side even when I have the air conditioner off. Hopefully it is something I can fix. Thank you sir.
Was this
answer
helpful?
Yes
No
Sunday, August 30th, 2020 AT 12:47 PM
Tiny
JACOBANDNICKOLAS
  • MECHANIC
  • 110,192 POSTS
Hi,

The heat on one side and A/C on the other is usually the result of a faulty blend air door. Here is a link that explains how in general to replace one:

https://www.2carpros.com/articles/replace-blend-door-motor

I attached a pic below that shows where it is located on your truck.

Let me know if that helps.

Joe
Was this
answer
helpful?
Yes
No
Sunday, August 30th, 2020 AT 9:43 PM

Please login or register to post a reply.