Tuesday, December 2nd, 2025 AT 4:09 PM
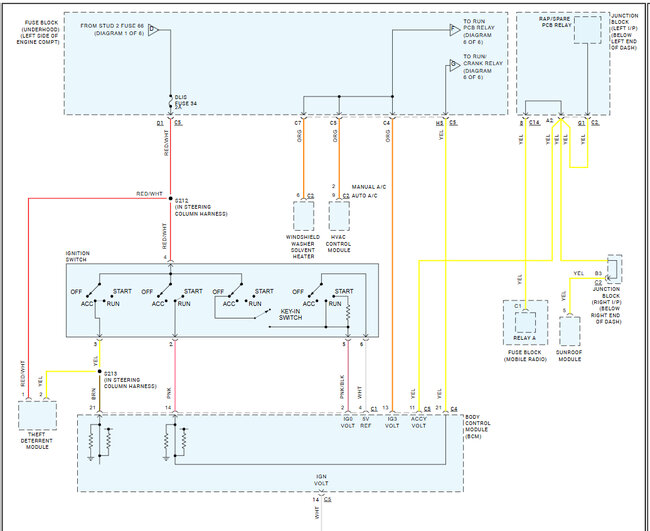
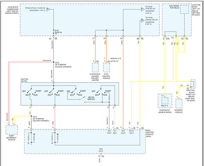
I am getting a code on my scanner saying ign 1 circuit low/open on bcm pin 1 and 5. Reason for checking it was I lost 3rd and 4th gear outta know were. I know the trans is still good because when I pull the fuse for the trans I got 3rd and 2nd



