Monday, October 3rd, 2022 AT 9:25 PM
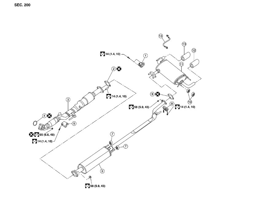
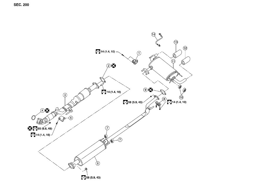
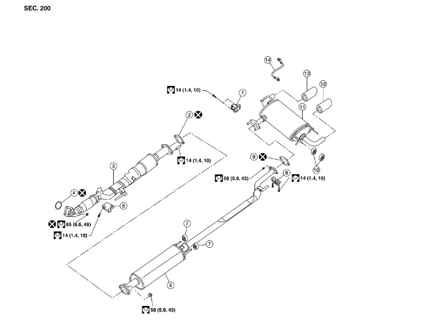
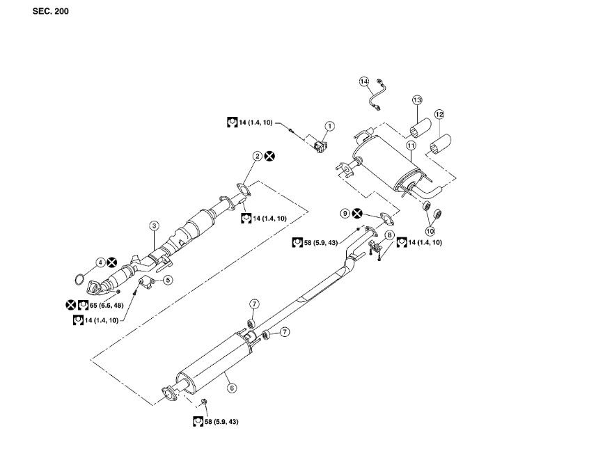
I cannot go over 20 MPH. I'm losing power, the car starts stalling and jerking. It also sounds like air is blowing, kind of like how an air compressor sounds, when I start up the car and it's even worse when I accelerate. No check engine is on, no trouble codes are showing on the reader, I don't know what to do.








