Turn signal relay location

Tiny
JOEY GONZALES
  • MEMBER
  • 2002 PONTIAC BONNEVILLE
  • 3.8L
  • V6
  • 2WD
  • AUTOMATIC
  • 140,000 MILES
After replacing rear taillight assembly, signals and emergency flashers, are blinking fast. All bulbs were checked, no LED's. Bulbs were installed, with a little bulb grease. No relay, in either fuse box. Under the dash?

I also unplugged the emergency flasher, in the dash. Turned on the key, and no turn signal. This would be an easy fix, to replace. I understand, that they have separate power supplies.
Monday, October 19th, 2020 AT 10:00 AM

5 Replies

Tiny
JACOBANDNICKOLAS
  • MECHANIC
  • 110,194 POSTS
Hi,

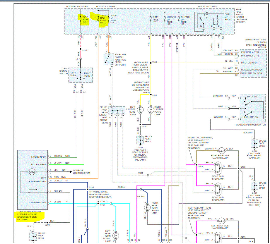
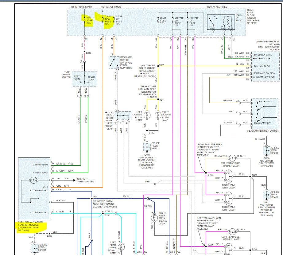
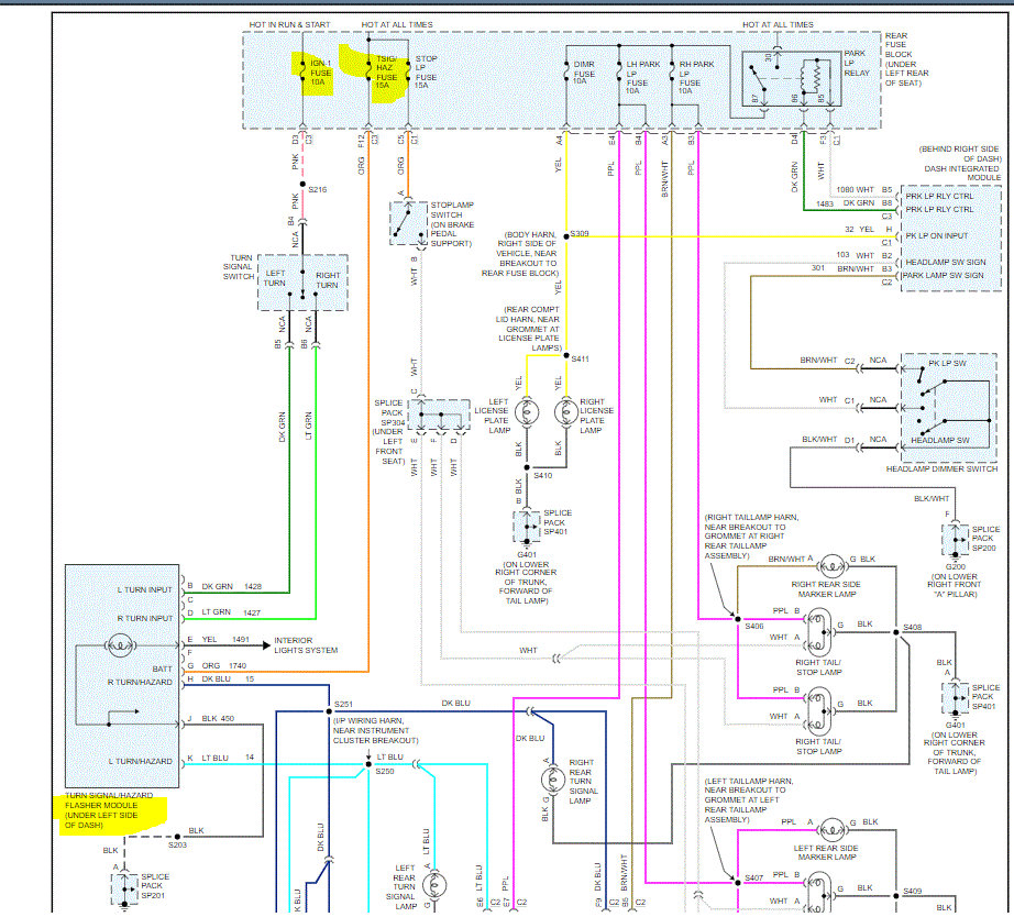
The power supply for the flashers and signals is from the same point. Also, they share the same flasher relay. I attached a pic below for you to see.

Now, was there a bulb that was bad prior to this issue? Also, are you certain that all bulbs are working? For the system to flash double-time requires an open in the circuit.

Double check that and let me know what you find.

Take care,
Joe
Was this
answer
helpful?
Yes
No
Monday, October 19th, 2020 AT 2:24 PM
Tiny
JOEY GONZALES
  • MEMBER
  • 3 POSTS
Okay. Must be one of the bulbs, or the sockets. I got a good deal, on E-Bay, Thought I checked them well. Going to replace the front tomorrow. Think I will hook them up first, then take a good look at the back. I have plenty of bulbs, might be trial and error. Thank you for your help. Old blue might get by cheap! God bless you!
Was this
answer
helpful?
Yes
No
Monday, October 19th, 2020 AT 3:38 PM
Tiny
JACOBANDNICKOLAS
  • MECHANIC
  • 110,194 POSTS
Hi,

If you have a chance, let me know what you find. Also, interestingly, I have an old blue as well. LOL One other thought, I had a customer the other day with the light flashing fast. He told me that he checked all lights and they all worked. He missed a bulb that works in parallel with another working one. That was the problem. It's just a thought.

Take care,
Joe
Was this
answer
helpful?
Yes
No
Monday, October 19th, 2020 AT 7:54 PM
Tiny
JOEY GONZALES
  • MEMBER
  • 3 POSTS
Hi Joe. Put new headlights on, put new bulbs, in the rear. That was the cure. Old blue is shining bright. Thanks for your help!
Was this
answer
helpful?
Yes
No
Tuesday, October 20th, 2020 AT 5:45 PM
Tiny
JACOBANDNICKOLAS
  • MECHANIC
  • 110,194 POSTS
Hi,

I'm glad to hear it's working again. We have to keep them going. Mine is 43 years old and starts every time. LOL

Take care,
Joe
Was this
answer
helpful?
Yes
No
Tuesday, October 20th, 2020 AT 6:54 PM

Please login or register to post a reply.