Monday, March 7th, 2011 AT 8:08 PM
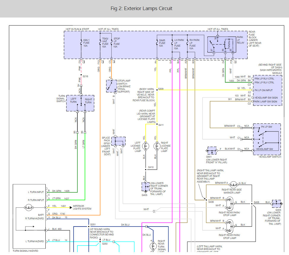
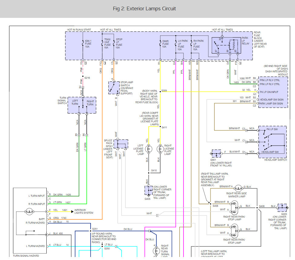
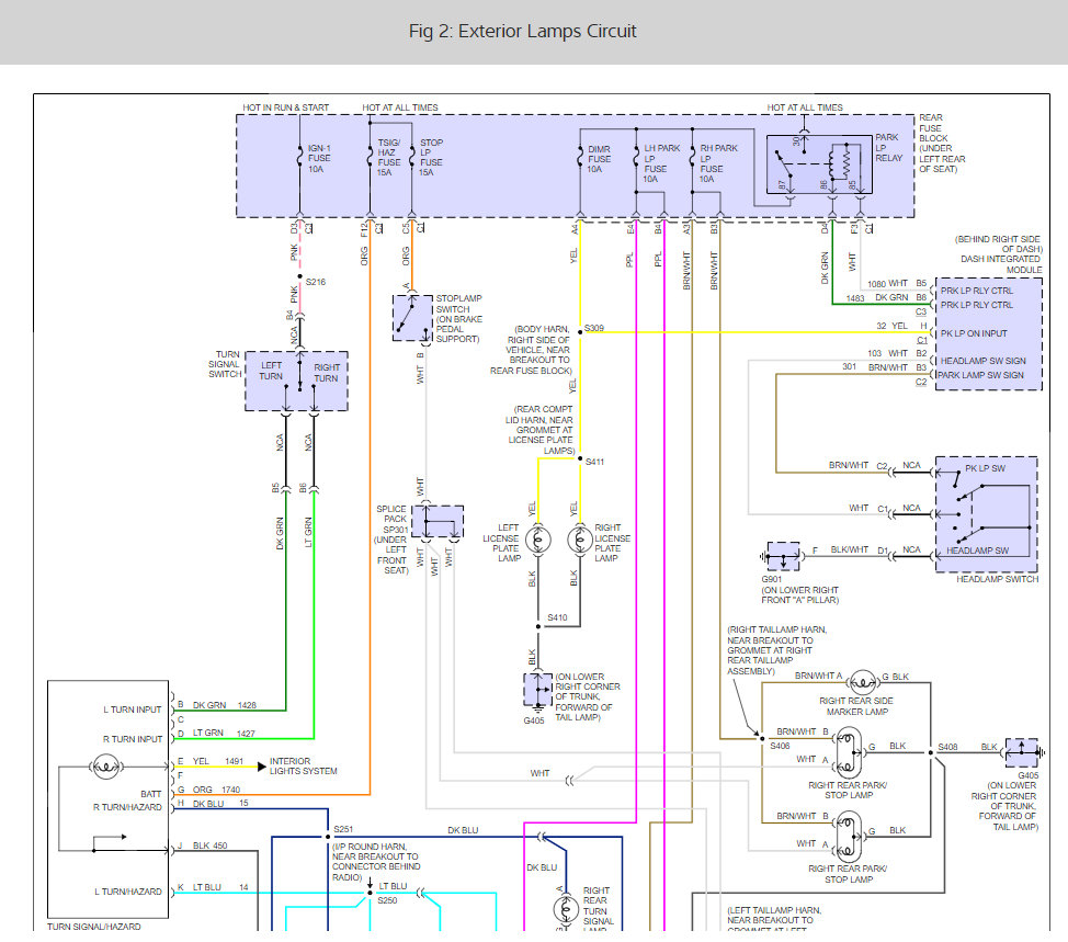
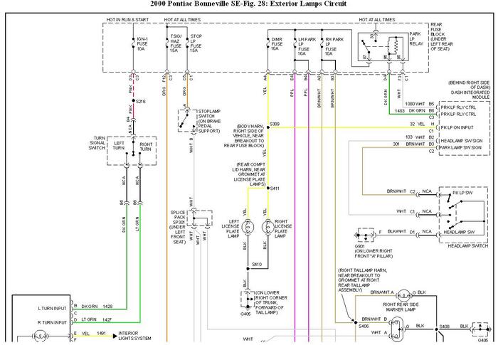
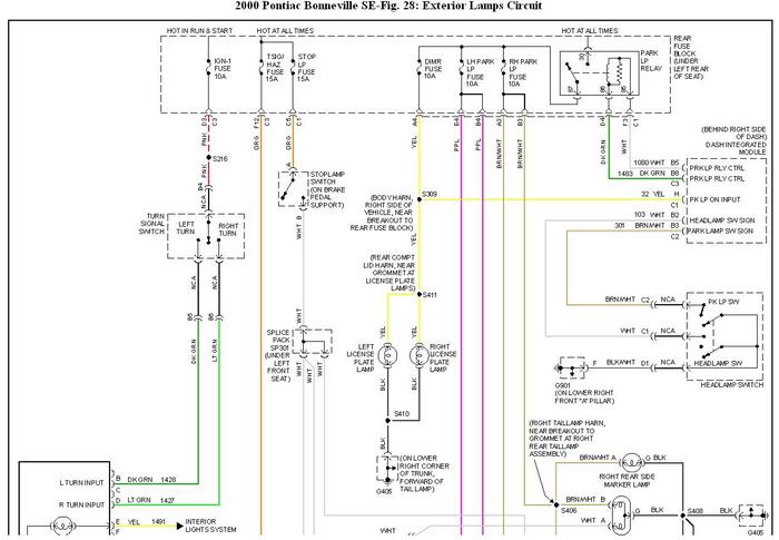
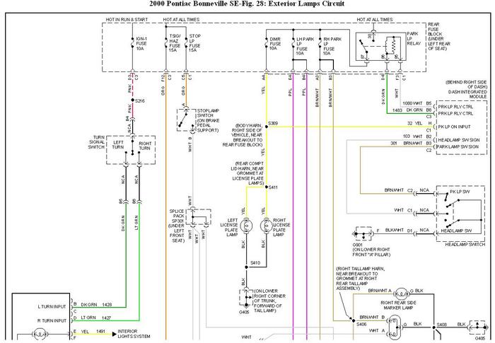
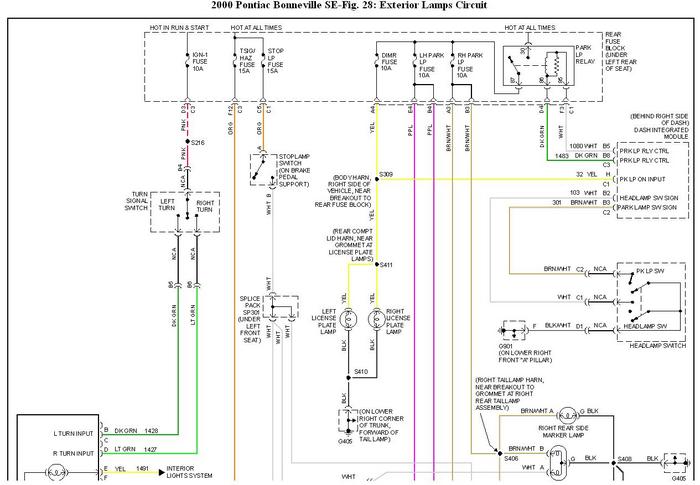
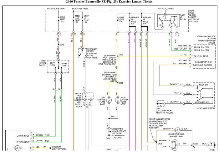
My right turn signal doesn't work in the front or the back and the blinking indicator on the dash does not work. A couple people have checked my fuses, the bulbs, tried bulbs from the other side that worked and they did not work on the right side. Someone said it could be something like a sensor or switch in the column? I would like to try to narrow it down before I start buying all types of parts? Any ideas? Is this something that I would have to take to the (overpriced) dealers or get fixed relatively easy? Any feedback would be greatly appreciated!







