Location of the transmission speed sensor output shaft - VSS vehicle speed sensor

Tiny
TIMOTHY SHINKAROFF
  • MEMBER
  • 2 POSTS
I replaced the engine harness with a wire harness so its from the ECU to the engine and the only part of the old harness that is used is the two clips on the drivers side. Yes, I have a multi-meters yes Hondata told me it can’t be the Hondata unit because the ECU is what reads the speed so they said it’s wiring or the ECU I open the ECU looking for anything burnt and did not see anything. Also my cruse control still works but that’s for the diagrams it raining here today. So I’ll do some more work on it tomorrow.
Was this
answer
helpful?
Yes
No
Thursday, January 7th, 2021 AT 10:32 AM (Merged)
Tiny
JOETECHPRO
  • MECHANIC
  • 705 POSTS
Hey TIMOTHY SHINKAROFF,

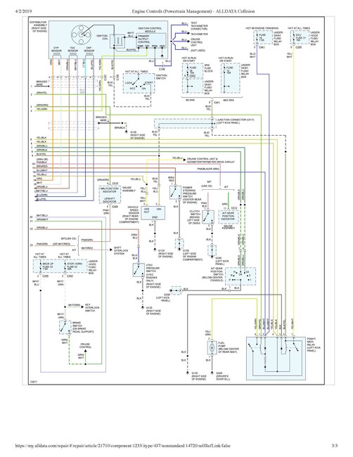
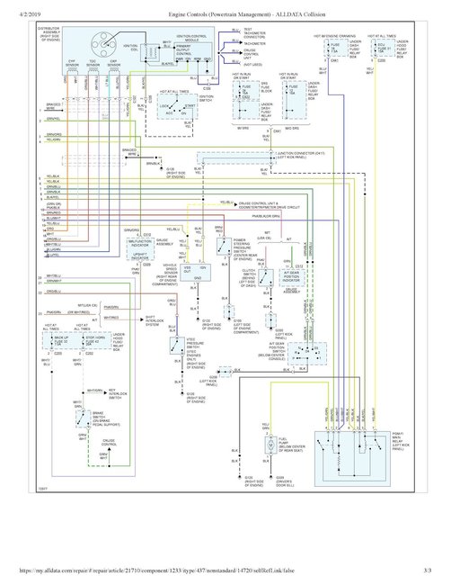
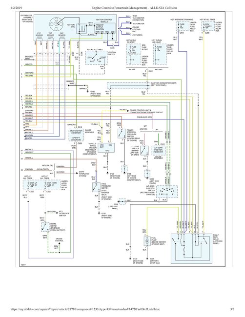
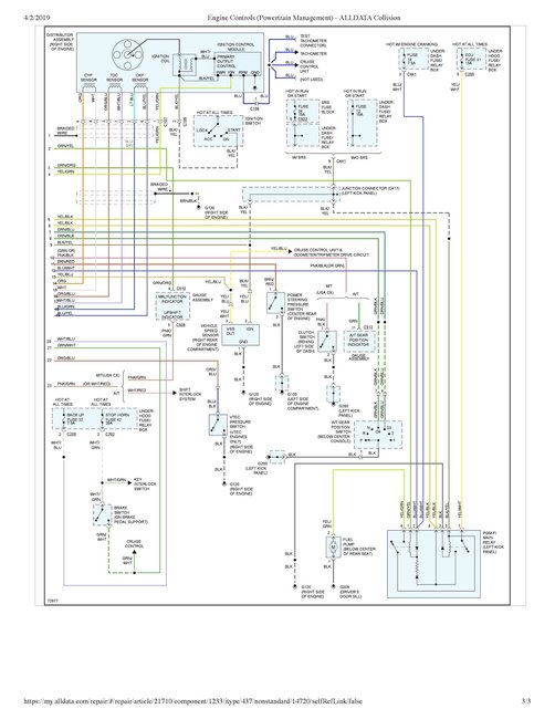
So the harness from the VSS to the ECM/cruise control/instrument cluster has been replaced?

Where does the Hondata connect?

You will need to check the wiring, I would start by disconnecting the VSS and the ECM.

Check resistance between -
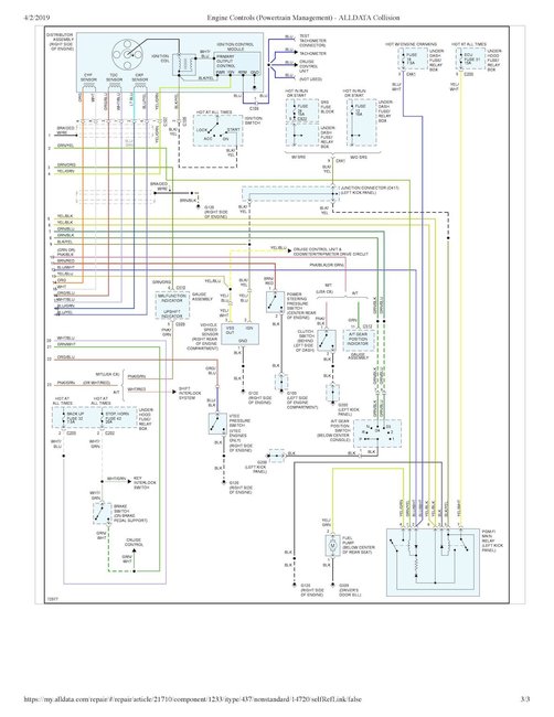
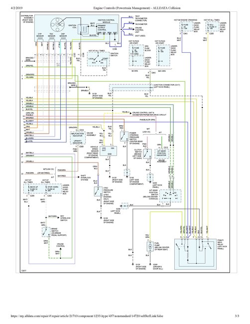
Pin 3 Yellow/white wire on the VSS
Pin B10 Yellow/blue wire on the ECM

You are looking for a low resistance value (0-3ohms)

Let me know what you get here.

Do you have the check engine light on?

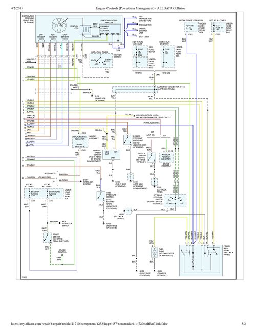
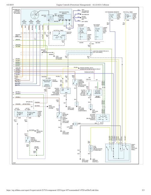
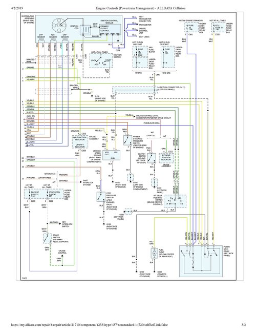
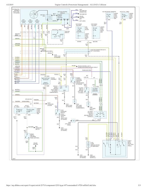
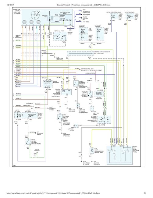
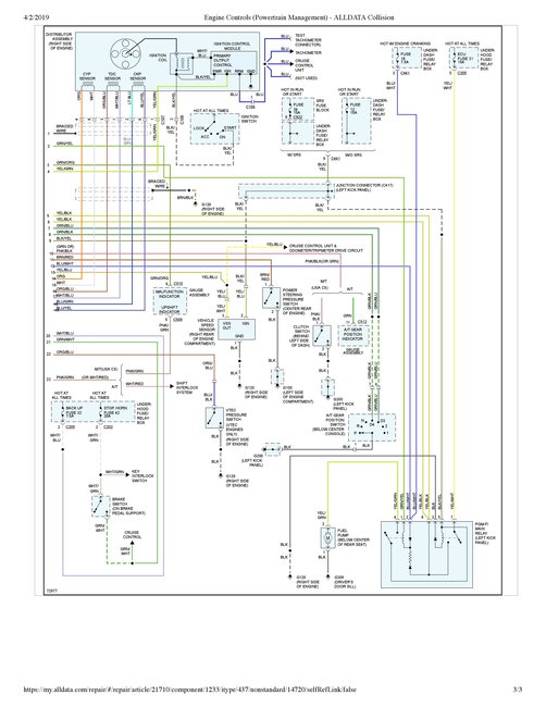
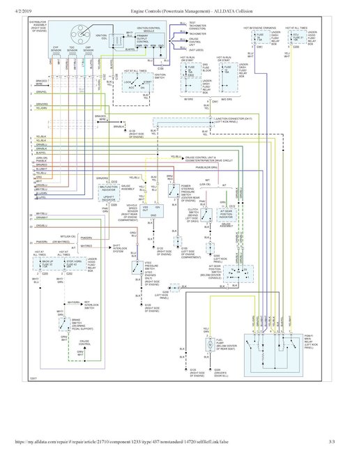
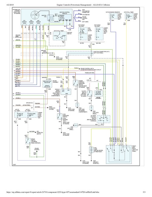
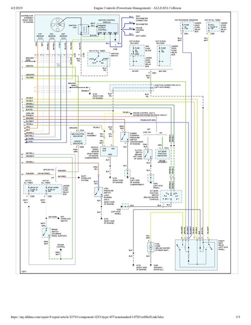
I have attached the wiring diagram again below, it came out low resolution before.

Regards, Joe
Was this
answer
helpful?
Yes
No
Thursday, January 7th, 2021 AT 10:32 AM (Merged)
Tiny
TEAMDEVOTION24
  • MEMBER
  • 2 POSTS
  • 1995 HONDA CIVIC
  • 4 CYL
  • FWD
  • AUTOMATIC
  • 136,000 MILES
I just replaced the vehicle speed sensor and to speedometer, trip and odometer still dont work. The tachometer, gas gauge and temperature gauge work. What could be the problem? Is it the speedometer itself? Is it the shaft inside the tranny that is part of the speed sensor. I didnt replace all of that. I just replaced the plug.
Was this
answer
helpful?
Yes
No
Thursday, January 7th, 2021 AT 10:32 AM (Merged)
Tiny
KHLOW2008
  • MECHANIC
  • 41,814 POSTS
Hi teamdevotion24,

It could be any of the those mentioned.

Testings would have to be carried out to determine the source. Was the VSs replaced new or used? Was the center pin installed?
Was this
answer
helpful?
Yes
No
+1
Thursday, January 7th, 2021 AT 10:32 AM (Merged)
Tiny
TEAMDEVOTION24
  • MEMBER
  • 2 POSTS
Yes it is brand new and I tested it in my other 1995 honda civic. Yes the pin was installed. I removed the gear shaft and it looked brand new with no wear on it. So I assume it is electrical. Where do I start? I mean the tach works the gas gauge everything. My cruise turns on but doesnt work. When looking through the book I looked at the wiring diagram and the wiring for the VSS is also part of the cruise control. I know the check engine light comes on but I dont have the money to have it hooked up and checked.
Was this
answer
helpful?
Yes
No
+1
Thursday, January 7th, 2021 AT 10:32 AM (Merged)
Tiny
KHLOW2008
  • MECHANIC
  • 41,814 POSTS
You can retrieve the trouble code by bridging the SCS connector, turn ignition ON and count the blinking of the CEL to get the code.


https://www.2carpros.com/forum/automotive_pictures/192750_SCS95Civic_2.jpg



I have sent the diagnostic files for VSS truble codes to you via email.
Was this
answer
helpful?
Yes
No
+2
Thursday, January 7th, 2021 AT 10:32 AM (Merged)

Please login or register to post a reply.