Location of the transmission speed sensor output shaft - VSS vehicle speed sensor

Tiny
MYCIVIC2013ISBROKEN
  • MEMBER
  • 2013 HONDA CIVIC
  • AUTOMATIC
  • 50,000 MILES
My speedometer reading is zero while driving. Checked the code is p0722 output shaft speed sensor has no signal.

Could anyone please tell me where the sensor is located? Many thanks! I tried to look it up but still have no clue of where it is. Must be hidden somewhere.
Wednesday, February 26th, 2020 AT 7:57 PM

26 Replies

Tiny
JACOBANDNICKOLAS
  • MECHANIC
  • 110,192 POSTS
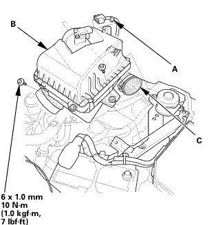
To access the sensor, you need to remove the air filter box. The sensor is on the top of the transmission housing. Here are the directions. The attached pics correlate with the directions.

____________________

2013 Honda Civic Sedan L4-1.8L (R18Z1)
Output Shaft (Countershaft) Speed Sensor Removal And Installation (A/T)
Vehicle Powertrain Management Transmission Control Systems Sensors and Switches - Transmission and Drivetrain Sensors and Switches - A/T Transmission Speed Sensor Service and Repair Removal and Replacement Output Shaft (Countershaft) Speed Sensor Removal And Installation (A/T)
OUTPUT SHAFT (COUNTERSHAFT) SPEED SENSOR REMOVAL AND INSTALLATION (A/T)
Service Information

Output Shaft (Countershaft) Speed Sensor Removal and Installation

Removal

1. Air Cleaner

pic 1

1. Disconnect the intake air duct (A).

2. Remove the air cleaner (B).

3. Remove the harness clamp (C).

2. Output Shaft (Countershaft) Speed Sensor

pic 2

1. Disconnect the connector (A).

Pic 3

2. Remove the output shaft (countershaft) speed sensor (A) with the O-ring (B).

Service Information

Installation

1. Output Shaft (Countershaft) Speed Sensor

pic 4

1. Install the output shaft (countershaft) speed sensor (A) using a new O-ring (B).

Pic 5

2. Check the connector (A) for corrosion, dirt, or oil, and clean or repair if necessary, then connect the connector securely.

2. Air Cleaner

pic 6

1. Install the harness clamp (A).

2. Install the air cleaner (B).

3. Connect the intake air duct (C).

________________________

Let me know if this helps or if you have other questions.

Take care,
Joe
Was this
answer
helpful?
Yes
No
+3
Wednesday, February 26th, 2020 AT 8:09 PM
Tiny
MYCIVIC2013ISBROKEN
  • MEMBER
  • 3 POSTS
Hi Joe,

Thanks so much for the quick and detailed response! I'll check it out on Friday (ordered a ratchet extension since the one I have so far is too short).

Another question is, is there a serial number or parts number to look for if I need to buy a replacement sensor? May I just use R18Z1?

Thanks again in advance!
Was this
answer
helpful?
Yes
No
+1
Wednesday, February 26th, 2020 AT 9:03 PM
Tiny
JACOBANDNICKOLAS
  • MECHANIC
  • 110,192 POSTS
Hi,

All you will need to tell them is the year, make and model. They will most likely ask for the engine size.

Let me know if I can help.

Take care,
Joe
Was this
answer
helpful?
Yes
No
+1
Thursday, February 27th, 2020 AT 4:44 PM
Tiny
MYCIVIC2013ISBROKEN
  • MEMBER
  • 3 POSTS
Hi Joe,

a quick update:

After replacing the VSS, all the lights are gone, including p0722, p1747 and p1780.

Thanks so much for the help. This has saved me thousands of dollars since some folks from AutoZone told me that my transmission is not working.
Was this
answer
helpful?
Yes
No
Saturday, March 7th, 2020 AT 10:19 PM
Tiny
JACOBANDNICKOLAS
  • MECHANIC
  • 110,192 POSTS
You are very welcome. I'm glad to hear it took care of everything.

Take care and feel free to come back anytime you need help.

Joe
Was this
answer
helpful?
Yes
No
+1
Saturday, March 7th, 2020 AT 10:46 PM
Tiny
SBUFFALO
  • MEMBER
  • 2 POSTS
  • 2010 HONDA CIVIC
  • AUTOMATIC
  • 140,000 MILES
What do I have to take off to access sensor?
Was this
answer
helpful?
Yes
No
Thursday, January 7th, 2021 AT 10:31 AM (Merged)
Tiny
ASEMASTER6371
  • MECHANIC
  • 52,796 POSTS
Good morning,

Below is a picture and the procedure for you for the sensor.

Roy

A/T Output Shaft (Countershaft) Speed Sensor Replacement

1. Remove the air cleaner assembly See: Air Cleaner Housing > Removal and Replacement and the intake air duct.

2. Disconnect the output shaft (countershaft) speed sensor connector, and remove the output shaft (countershaft) speed sensor (A).

3. Install a new O-ring (B) on a new output shaft (countershaft) speed sensor, then install the output shaft (countershaft) speed sensor in the transmission housing.

4. Check the connector for rust, dirt, or oil, and clean or repair if necessary, then connect the connector securely.

5. Install the intake air duct and the air cleaner assembly. See: Air Cleaner Housing > Removal and Replacement
Was this
answer
helpful?
Yes
No
+2
Thursday, January 7th, 2021 AT 10:31 AM (Merged)
Tiny
SBUFFALO
  • MEMBER
  • 2 POSTS
Thank you.
Was this
answer
helpful?
Yes
No
Thursday, January 7th, 2021 AT 10:31 AM (Merged)
Tiny
ASEMASTER6371
  • MECHANIC
  • 52,796 POSTS
You are welcome.

Always glad to help.

Roy
Was this
answer
helpful?
Yes
No
Thursday, January 7th, 2021 AT 10:31 AM (Merged)
Tiny
EFAUL33815
  • MEMBER
  • 1 POST
  • 1998 HONDA CIVIC
  • 4 CYL
  • FWD
  • AUTOMATIC
  • 119,000 MILES
119000 speedometer fails and comes back on at will
after rebooting check engine light stays off or on while speedometer is working. I am taking it back to a repair shop for the 5th time Monday $1270.00 later
started with a tune up 3 weeks ago because of a check engine light $270.00 and then $ 1000.00 more to replaced a alternater, computer speed sensor
electrical socket to speed sensor, fan motor and head light reconditioning kit and towing the original
analizer code after tune up po501?
Was this
answer
helpful?
Yes
No
Thursday, January 7th, 2021 AT 10:31 AM (Merged)
Tiny
DAVE H
  • MECHANIC
  • 13,384 POSTS
Hello .. thanks for the donation .. much appreciated

You have replaced the sensor and the computer .. you will now need to check the wiring !!

DTC P0500 & P0501: VEHICLE SPEED SENSOR (VSS) MALFUNCTION

Test drive vehicle. Using scan tool, check vehicle speed. If correct speed is not indicated, go to next step. If correct speed is indicated, problem is intermittent. System is okay at this time. Check for poor connections or loose wires at VSS and PCM connectors. See appropriate wiring diagram in WIRING DIAGRAMS article. Repair as necessary.

Turn ignition off. Block rear wheels and set parking brake. Raise and support front of vehicle. Turn ignition on. Block right front wheel and slowly rotate left front wheel by hand. Using backprobe set, measure voltage between PCM 25-pin connector "B" terminal No. 20 (Brown/Black wire) and PCM 31-pin connector "C" terminal No. 23 (Blue/White wire). See Fig. 2 and Fig. 3 . If voltage does not pulse between zero and 5 volts or battery voltage, go to next step. If voltage pulses between zero and 5 volts or battery voltage, substitute a known-good PCM and recheck. If symptom or indication goes away, replace original PCM.

Turn ignition off. Disconnect PCM 31-pin connector "C". Turn ignition on. Block right front wheel and slowly rotate left front wheel by hand. Using backprobe set, measure voltage between PCM 25-pin connector "B" terminal No. 20 (Brown/Black wire) and PCM 31-pin connector "C" terminal No. 23 (Blue/White wire). See Fig. 2 and Fig. 3 . If voltage pulses between zero and 5 volts or battery voltage, substitute a known-good PCM and recheck. If symptom or indication goes away, replace original PCM. If voltage does not pulse between zero and 5 volts or battery voltage, check for short in Blue/White wire between PCM, TCM and VSS. Also check for open in Blue/White wire between PCM and VSS.

Fig2 " B"Terminals


https://www.2carpros.com/forum/automotive_pictures/266999_honda1_1.jpg


Fig3 "C" Terminals


https://www.2carpros.com/forum/automotive_pictures/266999_honda2_1.jpg



I would also check the junction connector in the right Kick Panel ... this may have been damaged by passengers feet !!


https://www.2carpros.com/forum/automotive_pictures/266999_honda_2.jpg



Hope this helps


https://www.2carpros.com/forum/automotive_pictures/266999_AAA2_294.png

Was this
answer
helpful?
Yes
No
+1
Thursday, January 7th, 2021 AT 10:31 AM (Merged)
Tiny
DUANE98
  • MEMBER
  • 1 POST
  • 1998 HONDA CIVIC
  • 147,000 MILES
When I first start the car and start driving, the speedometer sticks and bounces around 20 mph, no matter what my accual speed is. Once the car is warmed up, (1 to 2 miles, outside temp 50-60 degrees), It works fine from then on. I have already changed the Vehicle Speed Sensor, and checked for loose and fraid wires under the hood.
Was this
answer
helpful?
Yes
No
Thursday, January 7th, 2021 AT 10:31 AM (Merged)
Tiny
JACOBANDNICKOLAS
  • MECHANIC
  • 110,192 POSTS
If the wiring is good and VSS is new, the speedo itself must be bad.
Was this
answer
helpful?
Yes
No
Thursday, January 7th, 2021 AT 10:31 AM (Merged)
Tiny
F4I_GUY
  • MECHANIC
  • 3,302 POSTS
I've seen this numerous times. I can confirm that the speedometer needs to be replaced.
Was this
answer
helpful?
Yes
No
Thursday, January 7th, 2021 AT 10:32 AM (Merged)
Tiny
WALLY77
  • MEMBER
  • 1 POST
  • 1997 HONDA CIVIC
  • 134,000 MILES
Hi, I have a '97 honda civic lx sedan, the speedometer, cruise and the srs doesn't work. I've checked all fuses an I'm wondering, does the vss need voltage or does it send voltage to the ecm?
Was this
answer
helpful?
Yes
No
Thursday, January 7th, 2021 AT 10:32 AM (Merged)
Tiny
KHLOW2008
  • MECHANIC
  • 41,814 POSTS
Speedometer and cruise are related but the SRS is another different problem. It is related to the cruise only if the horns are not working, that would mean a bad clock spring reel under the steering wheel.

The VSS needs voltage and it sends a pulse to the speedomter and ECM.
Was this
answer
helpful?
Yes
No
Thursday, January 7th, 2021 AT 10:32 AM (Merged)
Tiny
JASON.MOORE77
  • MEMBER
  • 1 POST
  • 1997 HONDA CIVIC
  • 4 CYL
  • FWD
  • MANUAL
  • 190,000 MILES
My speedometer stopped working all of a sudden on the road and the check engine light came on. Where is my VSS located, and how do I replace it?
Was this
answer
helpful?
Yes
No
Thursday, January 7th, 2021 AT 10:32 AM (Merged)
Tiny
DAVE H
  • MECHANIC
  • 13,384 POSTS
It is a simple case of unscrewing old sensor and screwing back in new one .. you will need wrenches of course ? hope this helps


https://www.2carpros.com/forum/automotive_pictures/266999_Graphic2_1.jpg

Was this
answer
helpful?
Yes
No
Thursday, January 7th, 2021 AT 10:32 AM (Merged)
Tiny
TIMOTHY SHINKAROFF
  • MEMBER
  • 2 POSTS
  • 1995 HONDA CIVIC
  • 1.6L
  • 4 CYL
  • 2WD
  • MANUAL
  • 165,000 MILES
Hey, my gauge cluster reads speed fine but my Hondata is only reading 4mph I changed speed sensor changed engine harness still only reads/data logs 4mph. I need to know how to fix this. Thanks
Was this
answer
helpful?
Yes
No
Thursday, January 7th, 2021 AT 10:32 AM (Merged)
Tiny
JOETECHPRO
  • MECHANIC
  • 705 POSTS
Hey TIMOTHY SHINKAROFF,

Which part of the harness did you replace?

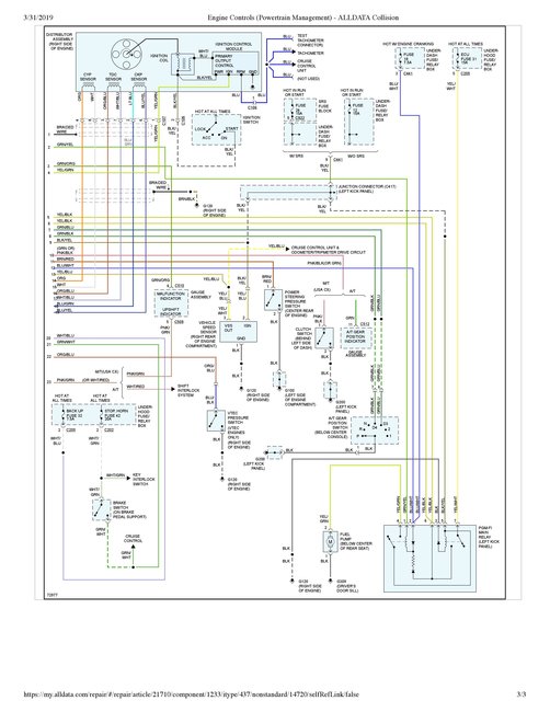
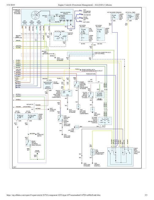
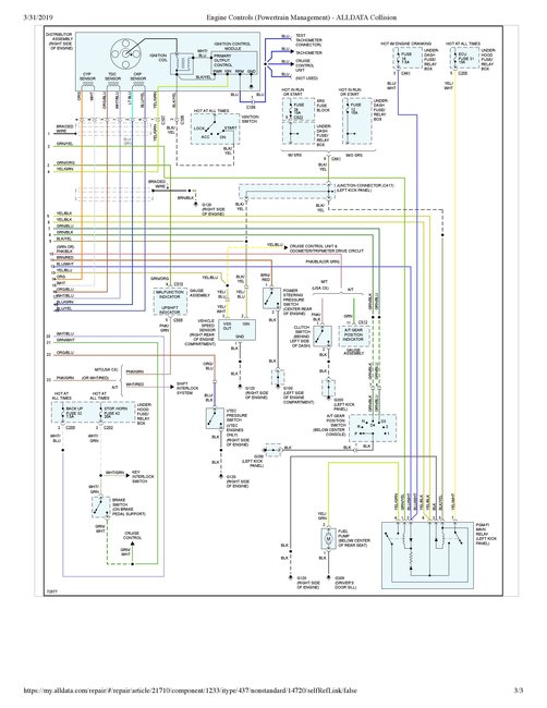
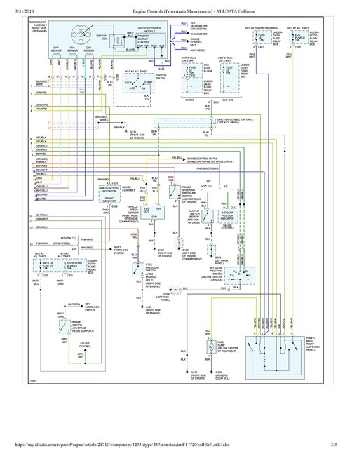
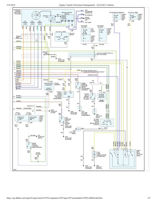
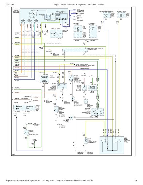
I have attached the wiring diagrams for engine controls.

From this you will see there is a yellow/blue wire that goes to the PCM pin B10 from the VSS.

I have attached a description of the VSS function too.

Do you have access to a multi-meter?

Have you contacted Hondata regards this fault?

Regards, Joe
Was this
answer
helpful?
Yes
No
Thursday, January 7th, 2021 AT 10:32 AM (Merged)

Please login or register to post a reply.