Friday, November 17th, 2023 AT 8:51 AM
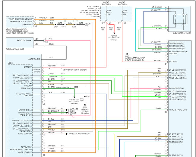
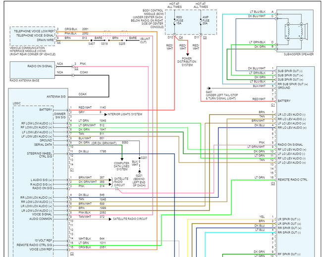
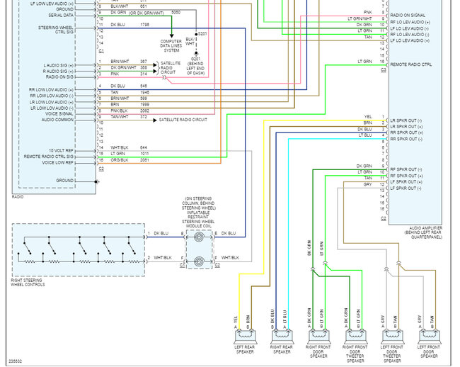
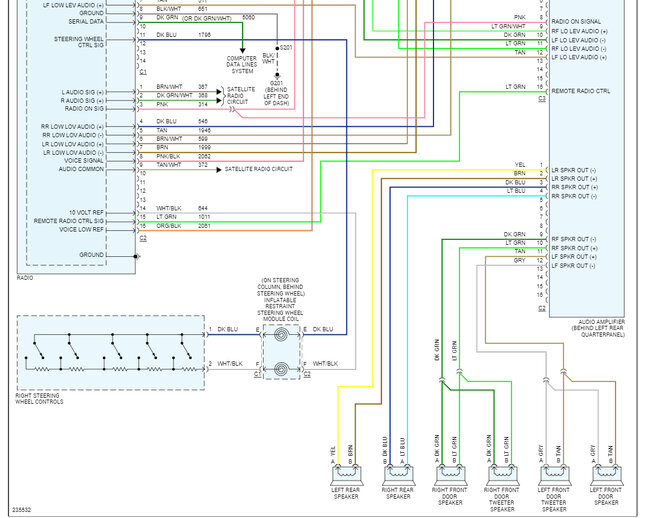
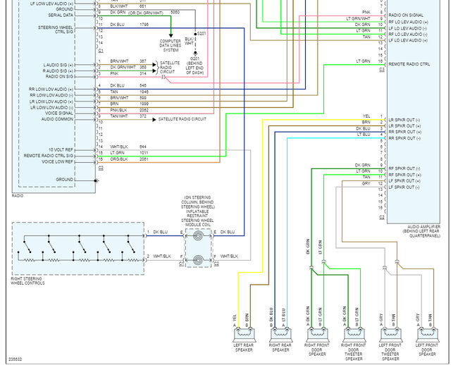
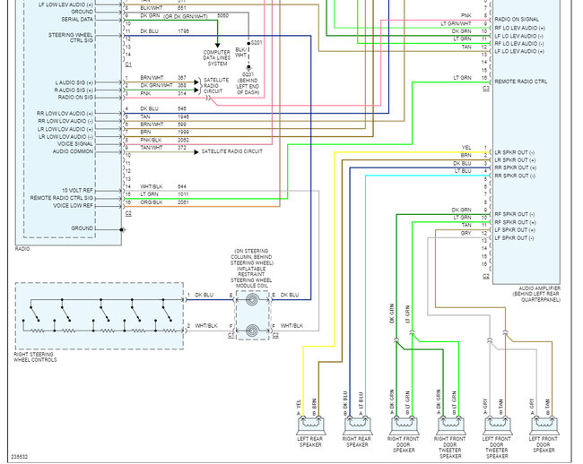
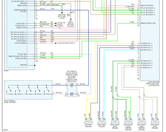
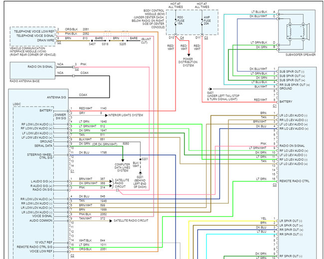
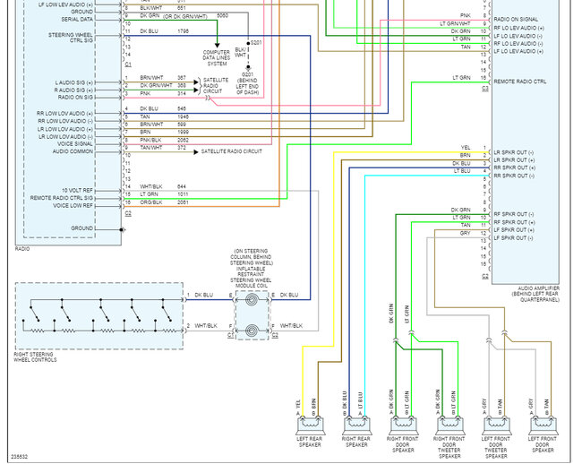
The vehicle listed above is an LT model. The stereo speakers stopped working. However, all the visible functions on the stereo are working, but there is no sound. Could it be the amplifier? If so, where is it located? Your site is awesome and I really appreciate your expert advice. Thank you




