Wednesday, October 28th, 2020 AT 12:44 AM
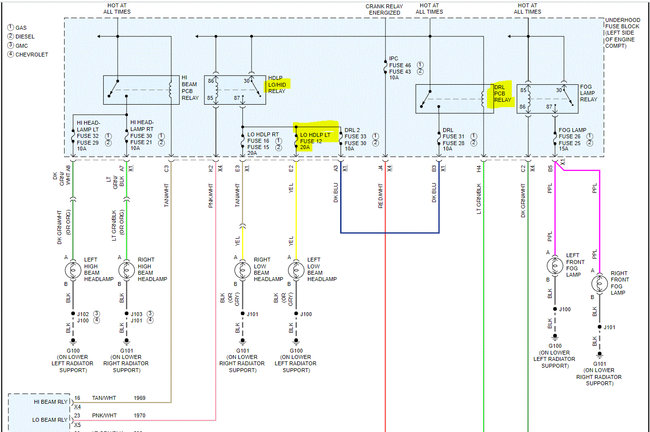
I have a clicking sound in my fuse box. Relay I am sure. In the hotter months my DRL's wont shut off. Blew fuse box out with air hose but still not sure. I can press down on the whole fuse panel it goes off usually just disconnect positive for the night. Now the passenger, low beam went out. Been problematic over years. Changed all relays, did a 2 plug changes, have replaced entire harness and plug harness all work. No lo beam or DRL?




