Sunday, February 4th, 2024 AT 3:17 PM
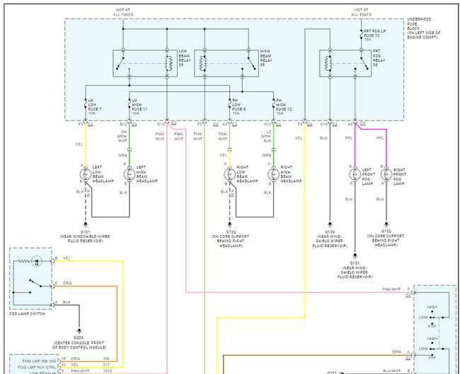
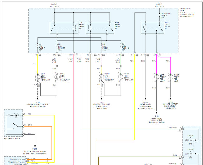
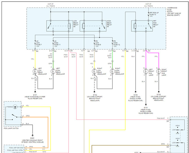
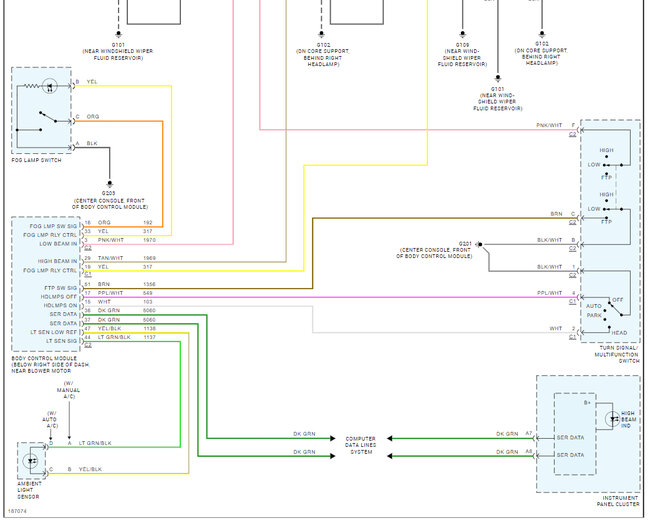
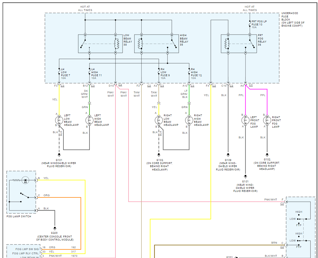
I have the car listed above LT, Z model that has had electrical problems since I purchased it almost 5 years ago. The previous owner had cut the original wire harness and installed pigtails to put in aftermarket projector halo headlights. The pigtails were not the same color wires as the original wires. They have since burned out. Leaving me with original wire harness all wires cut. I removed headlights and tidied up all wires (some were about 2ft. Long) and now I need to know what wires to connect for all my external lights to function properly. And then I will move on to the rest of the wiring like the driver's seat is not connected it's not original. The trunk has a short to ground and the 3rd brake light is gone. I can't afford to hire someone, so I've tried to do most repairs myself. All the diagrams I've found seem to have different colored wires than the car. If anyone could help with information it would be greatly appreciated. I live 8 miles from the nearest store, so I need transportation. I'm ready to use it for target practice at this point. Lol






