Taillights not working, diagram needed?

1983 PONTIAC BONNEVILLE
3,000,002 MILES • 0.5L • V8 • 2WD • AUTOMATIC
Avatar
JUMUNJI
  • MEMBER
  • 1 POST
Taillights not working.
Apr 5, 2023 at 10:58 PM
Repair Safety Notice: This information is for general instructional purposes only. Vehicle repair can be dangerous. Verify all information, follow manufacturer service procedures, use proper tools and safety equipment, and consult a qualified repair shop when needed.
Advertisement
Avatar
STEVE W.
  • CAR REPAIR CONTRIBUTOR
  • 15,148 POSTS
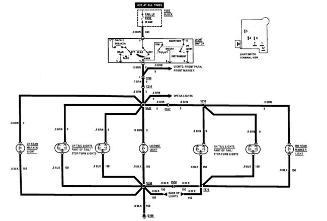
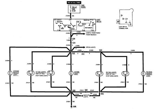
The taillights all share a single feed, the brown wire. That wire runs from the light switch back to the lights. I would first check the tail lamp fuse, however if the front marker lamps work then the fuse is okay as it feeds them all. The next step would be to see if the ground at the rear failed. A simple way to do that is to pick any light that is easy to get to and use a pin to pierce the insulation on the black wire. Then take a piece of wire and connect one end to a good ground and then to the pin, do the lights come on? Repair the bad ground wire, it is at the left rear of the trunk bolted through the body. If they don't light up with a jumped ground, it is likely in the harness. Either a bad splice or a bad connector. Attached is the wiring diagram. All marker and running lamps use a brown wire for power.
https://www.2carpros.com/articles/how-to-check-wiring
Apr 6, 2023 at 6:34 AM
Advertisement