Monday, September 25th, 2023 AT 10:38 AM
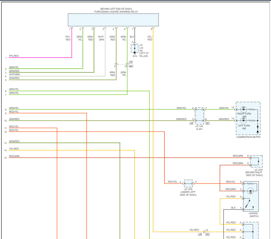
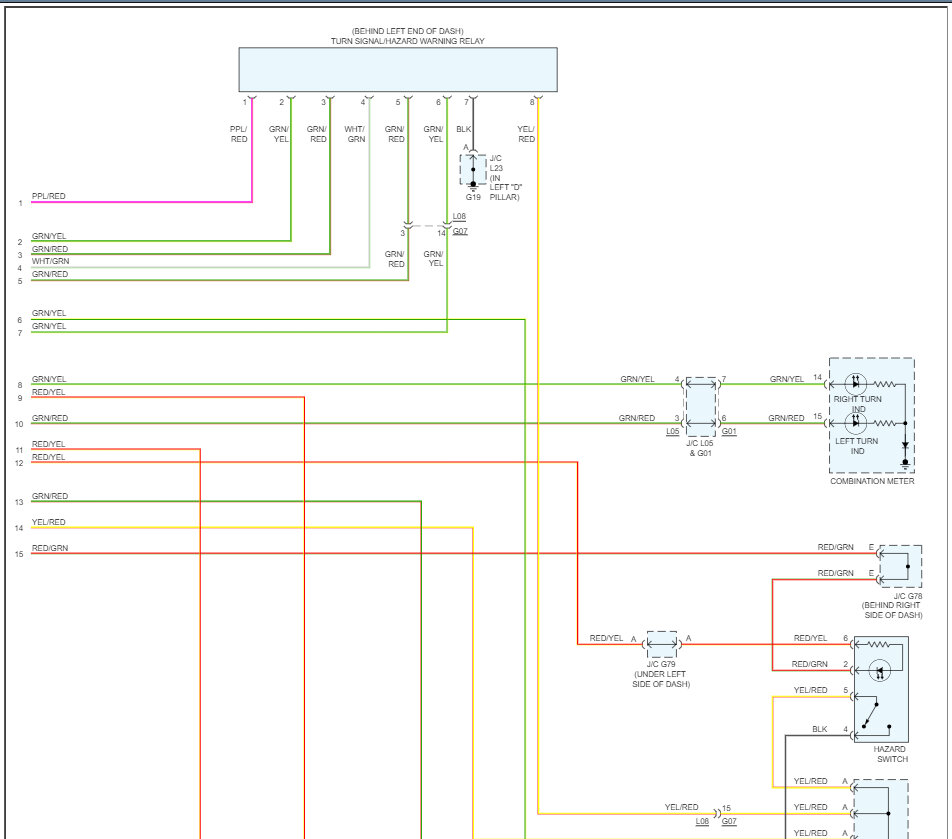
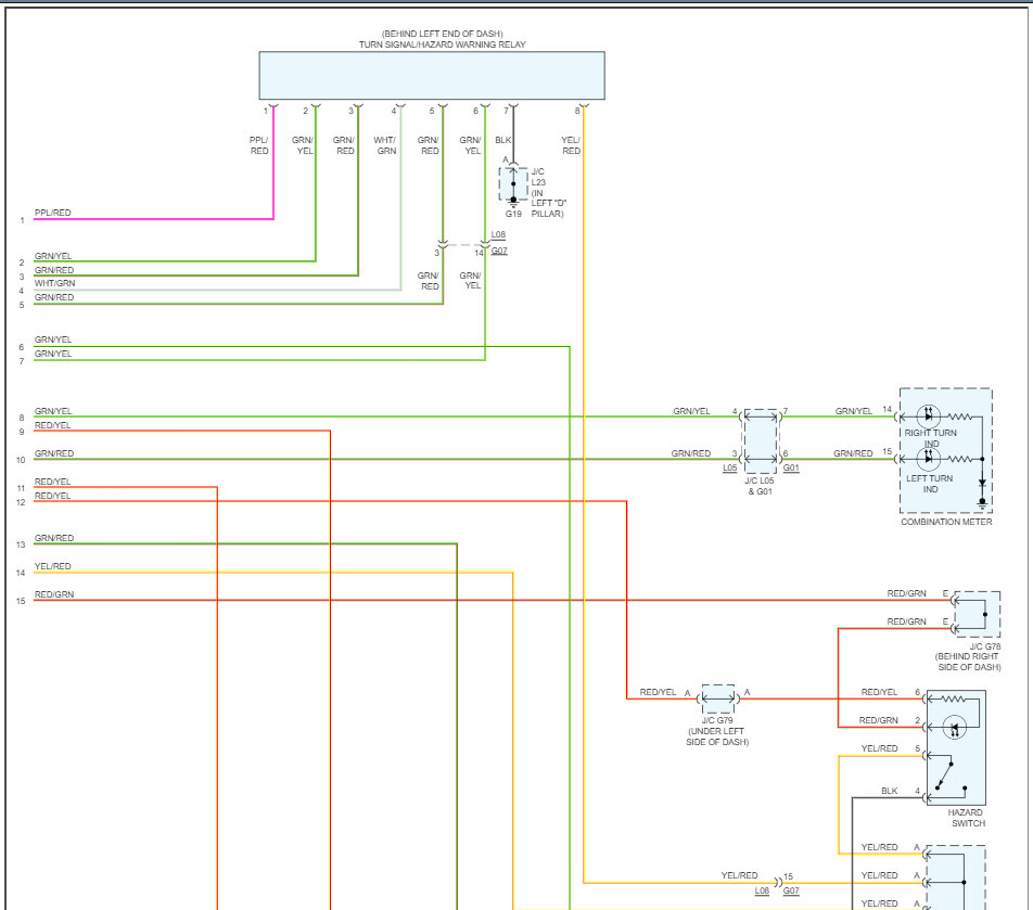
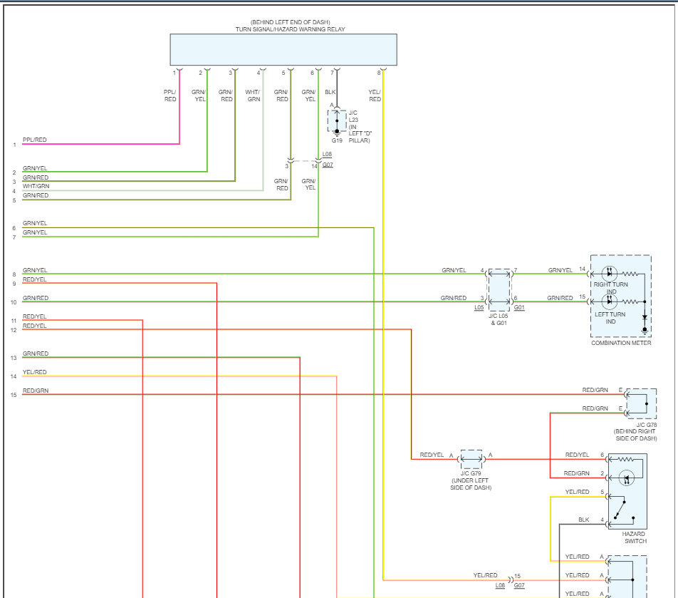
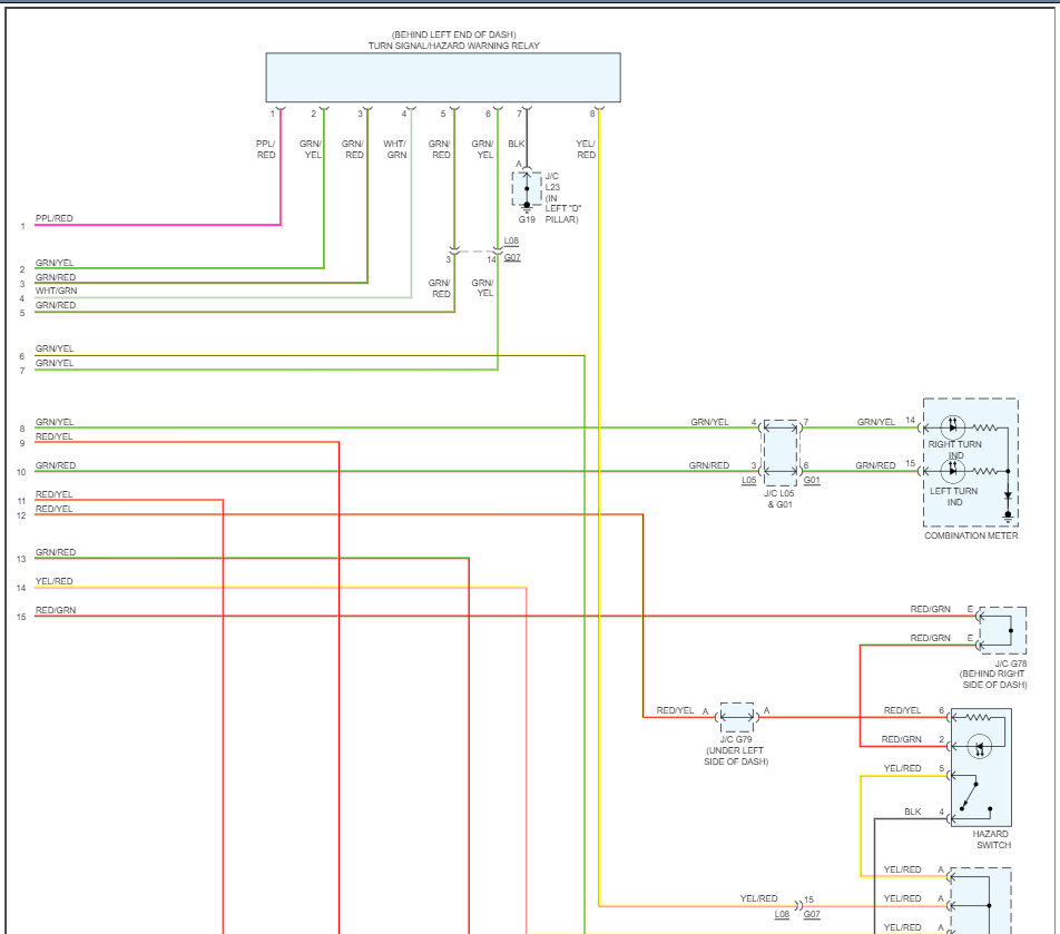
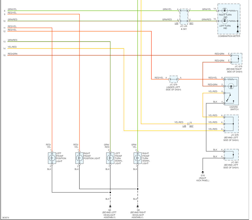
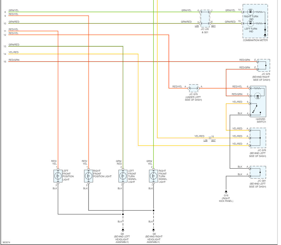
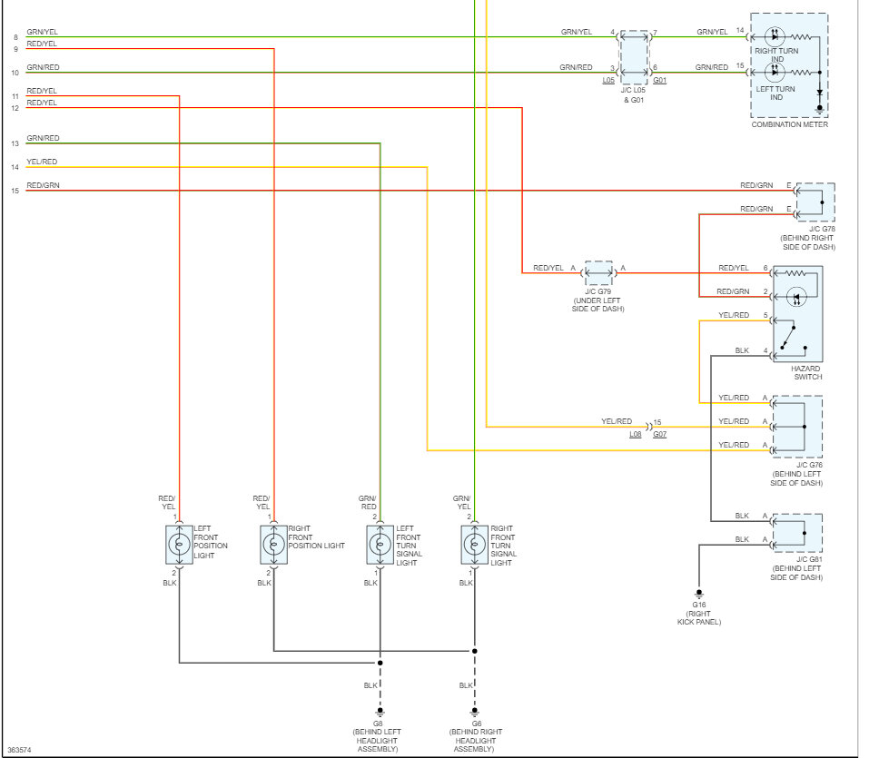
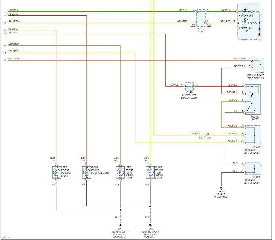
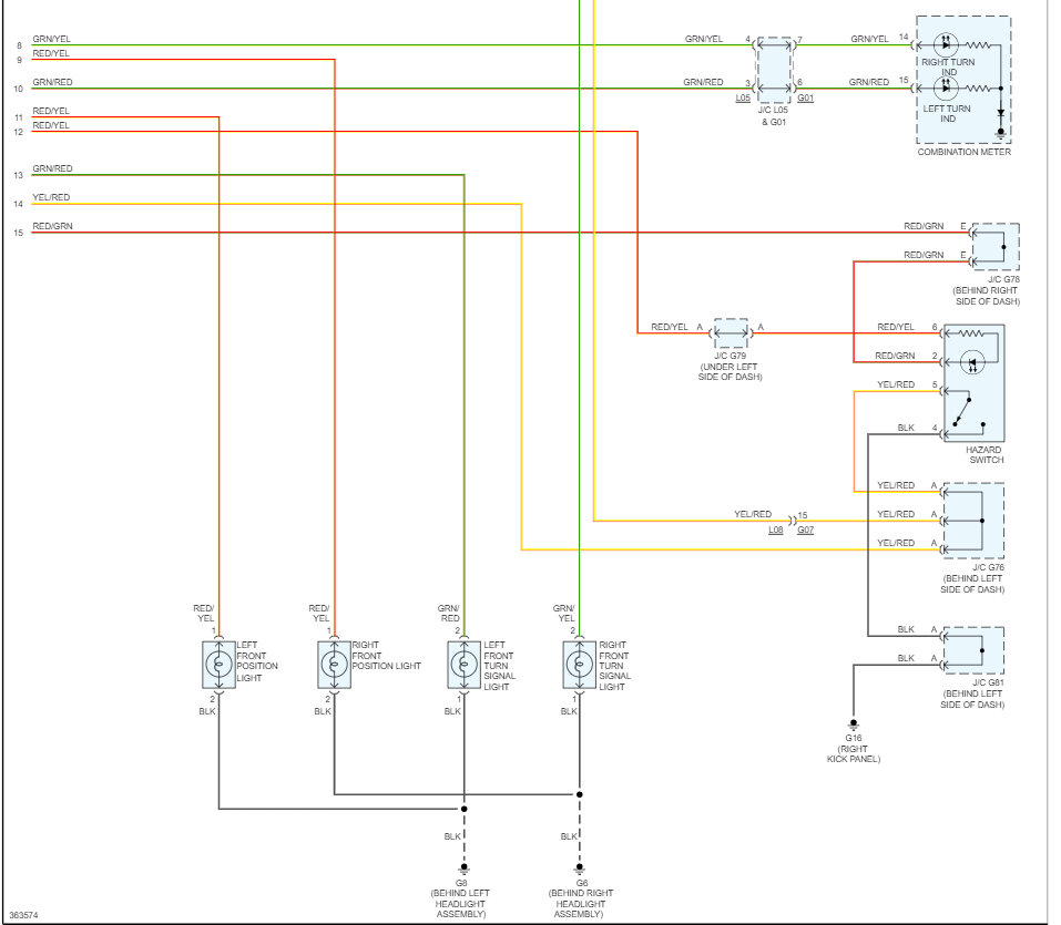
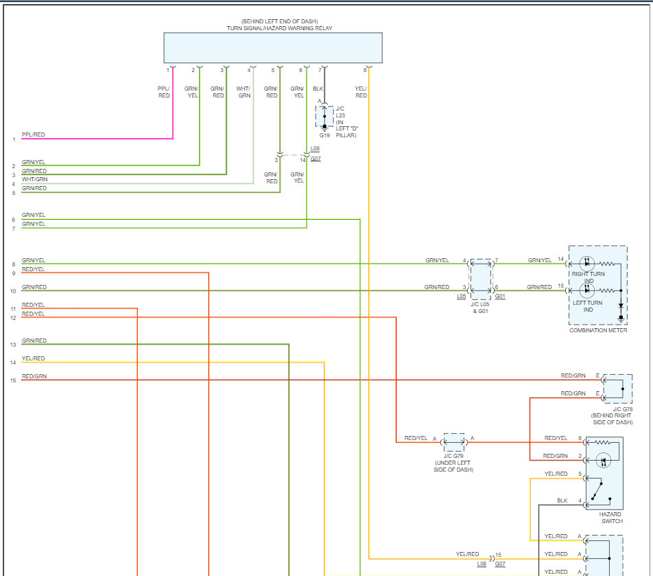
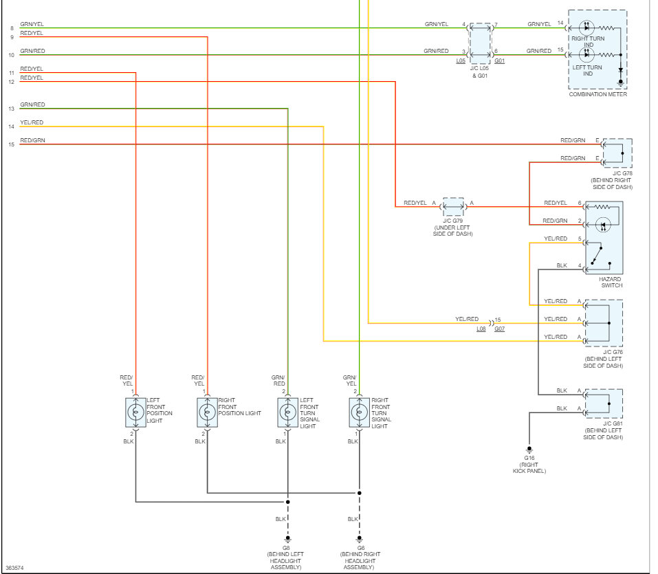
I start the car to leave for my job interview and the left blinker won't shut off. I mistook it for just being left on in the active position, but after trying to troubleshoot it, the problem hasn't been fixed. I am taking it to a mechanic, but I was hoping to have some information, so I don't get taken advantage of as I have less than $300 to my name right now.








