HOME
ASK A QUESTION
REPAIR GUIDES
BECOME A MEMBER
LOG IN
Login with Facebook
OR
Remember me
NOT A MEMBER?
FORGOT PASSWORD?
CONTACT US
PRIVACY POLICY
TERMS AND CONDITIONS
☰
Home
Chevrolet
Impala
Body
License Plate
Light
License plate light bulb not working?
BIGNESSAROMO
MEMBER
2008 CHEVROLET IMPALA
V6
AUTOMATIC
147,725 MILES
I bought a new wiring receptacle, a new bulb and still not working? Can anybody help
Wednesday, May 5th, 2021 AT 6:11 PM
1 Reply
ASEMASTER6371
MECHANIC
52,796 POSTS
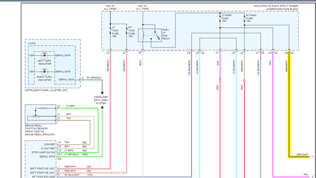
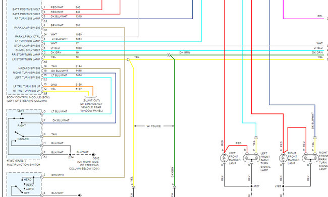
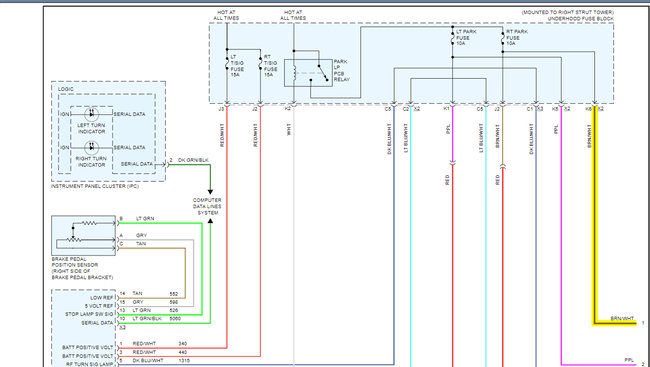
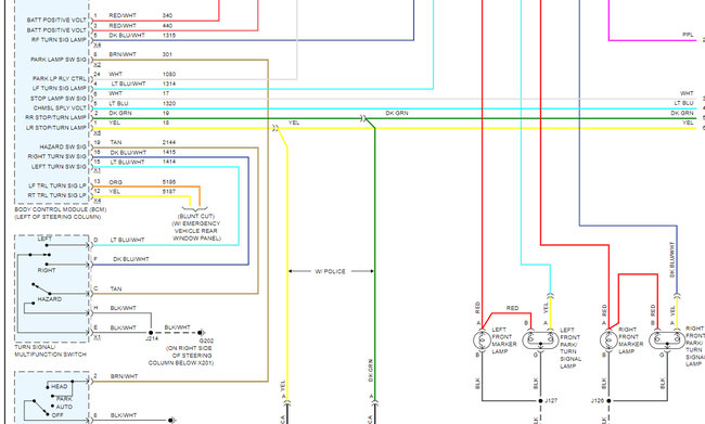
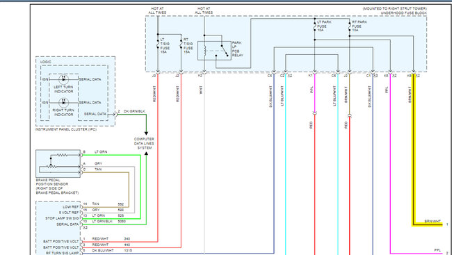
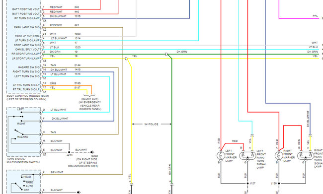
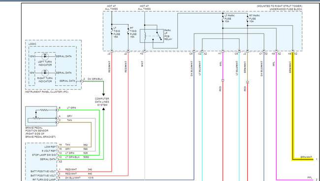
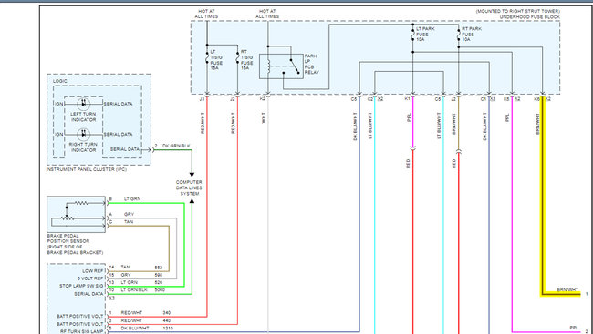
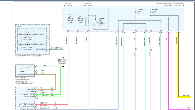
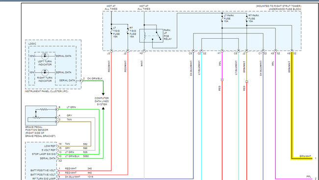
Good evening,
I attached a wiring diagram for you to view.
https://www.2carpros.com/articles/no-tail-lights-exterior-running-lights-tail-lights-out
Check the brown/white wire for power with the headlights on.
https://www.2carpros.com/articles/how-to-check-wiring
https://www.2carpros.com/articles/how-to-check-wiring
Roy
Images (Click to make bigger)
Was this
answer
helpful?
Yes
No
Wednesday, May 5th, 2021 AT 7:01 PM
Please
login
or
register
to post a reply.
Related License Plate Light Content
License Plate Fuse
Where's The License Plate Light Fuse?
Asked by
Anonymous
·
1 ANSWER
17 IMAGES
2009
CHEVROLET IMPALA
VIDEO
License Plate Bulb Replacement Chevy Truck
Instructional repair video
2008 Chevrolet Impala Heating Issues
My Car's Side And Back Side Windows Will Not Defrost, But The Front And Back Window Will. Also My Car Wont Heat Up Until I Actually Pull...
Asked by
toriaustin27
·
1 ANSWER
2008
CHEVROLET IMPALA
2005 Chevy Impala Windshield Wipers
My Windshield Wipers Do Not Return Full Back In Place After They Are Shut Off. Is This A Major Repair Job?
Asked by
fabernat
·
6 ANSWERS
2005
CHEVROLET IMPALA
2002 Chevy Impala Windshield Wipers
The Windshield Wipers On My Impala Are In The Up Position When They Are Off. They Work Fine Otherwise Just That They Don't Reset In The...
Asked by
arielthesprite
·
1 ANSWER
2002
CHEVROLET IMPALA
Windshield Wipers
My Windshield Wipers On My 2003 Chevy Impala Wont Go Into The Park Position
Asked by
bthompsonbama
·
1 ANSWER
2003
CHEVROLET IMPALA
VIEW MORE
Ask a Car Question. It's Free!
License Plate Bulb Replacement Ford F-150
License Plate Bulb Replacement Chevy Truck
License Plate Bulb Replacement