The left front Parking light and turn signal will not turn off?

Tiny
JBK76
  • MEMBER
  • 2008 CHEVROLET SILVERADO
  • 4.8L
  • V8
  • 2WD
  • 200,000 MILES
The left front Parking light and turn signal will not turn off. Started after radiator tank blew out and saturated the fuse box. I pulled box and board looks pretty bad. Everything else works fine. Thank you.
Tuesday, June 13th, 2023 AT 10:14 AM

6 Replies

Tiny
KEN L
  • MASTER CERTIFIED MECHANIC
  • 55,488 POSTS
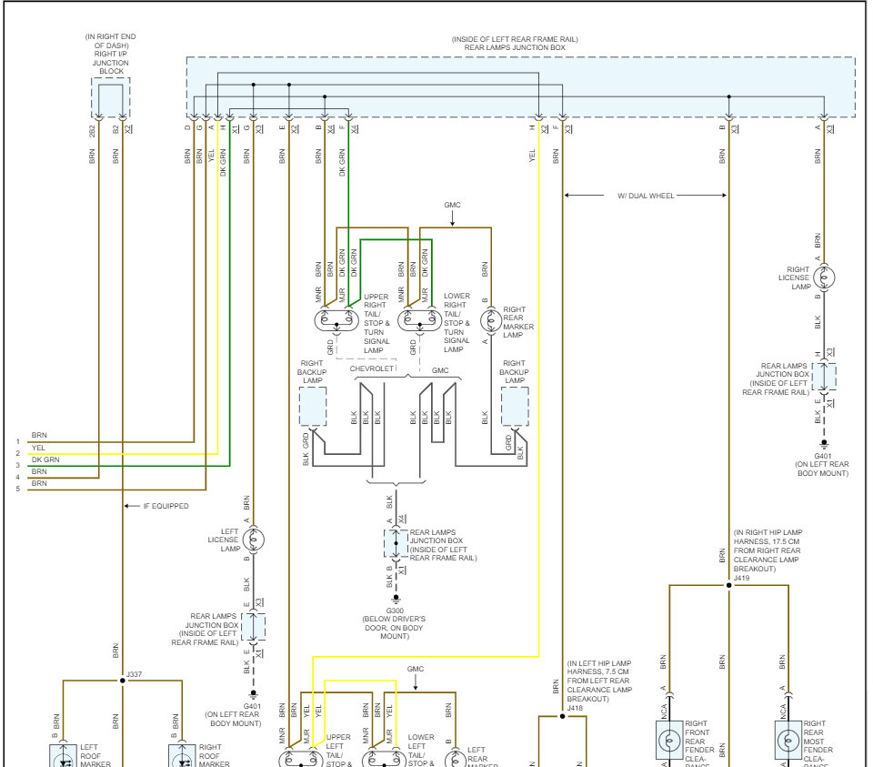
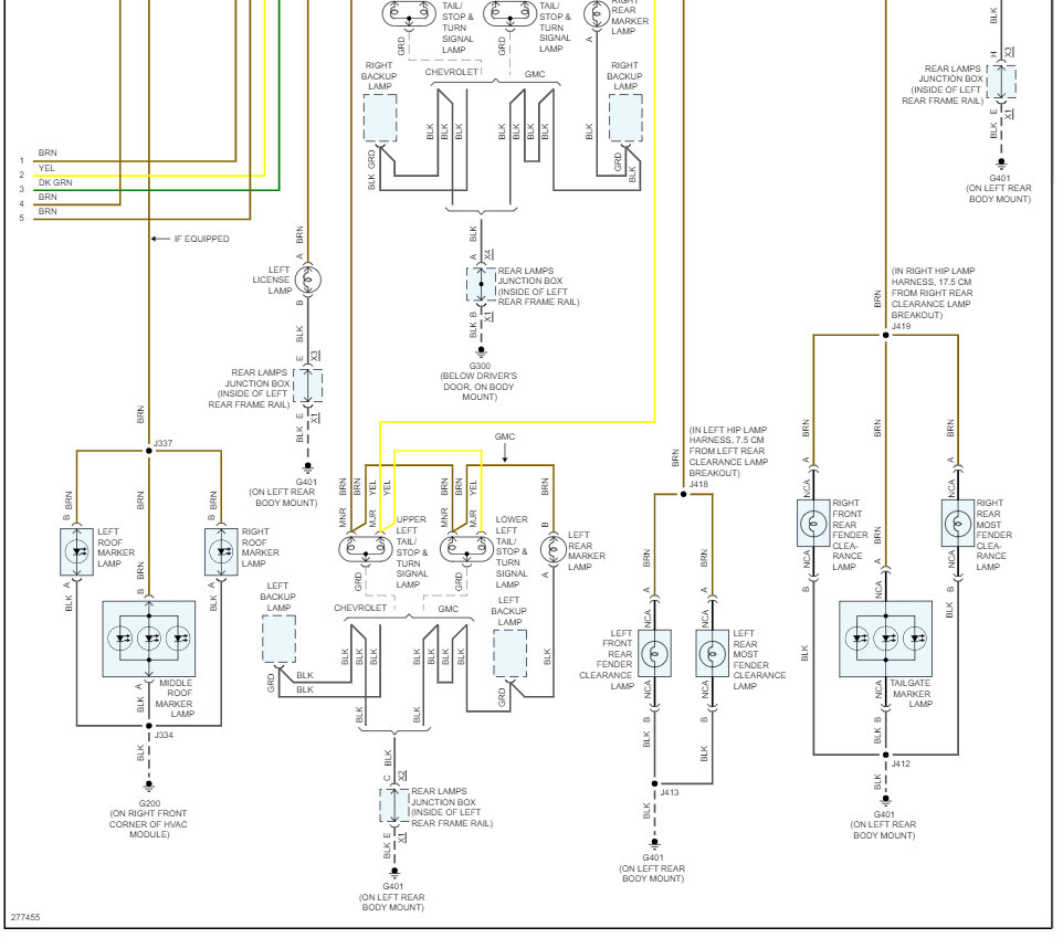
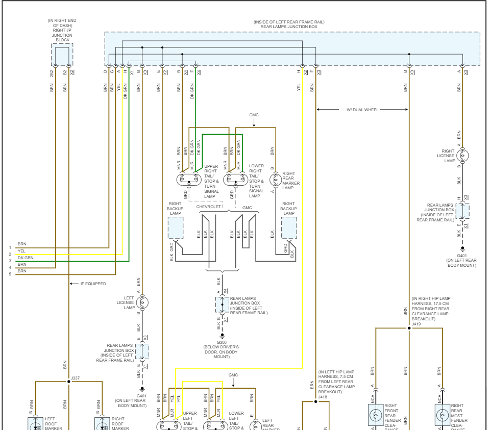
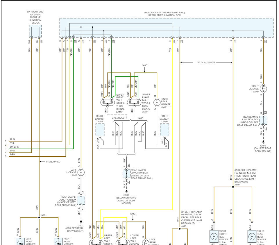
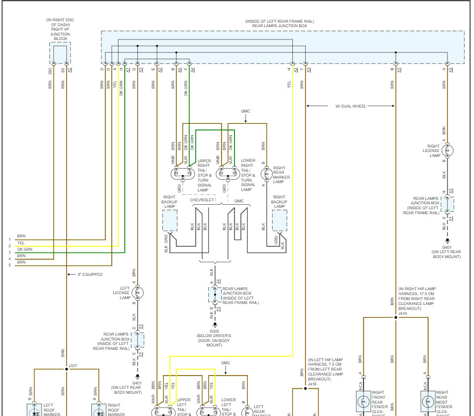
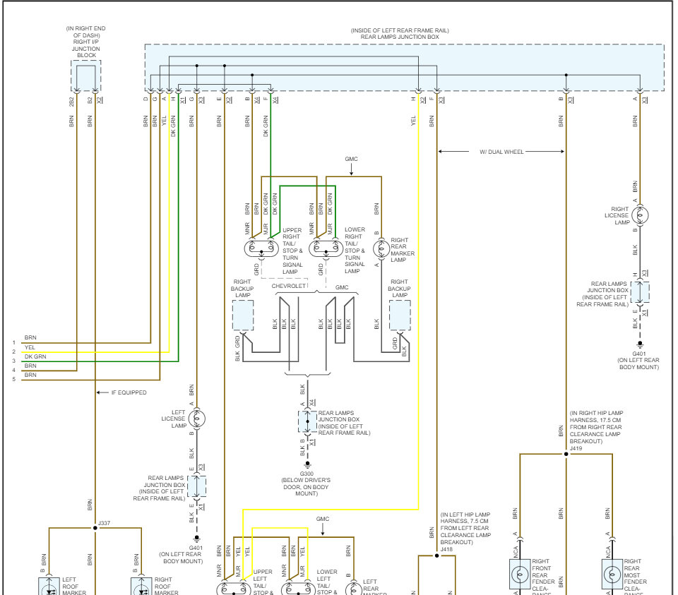
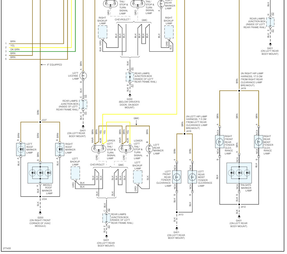
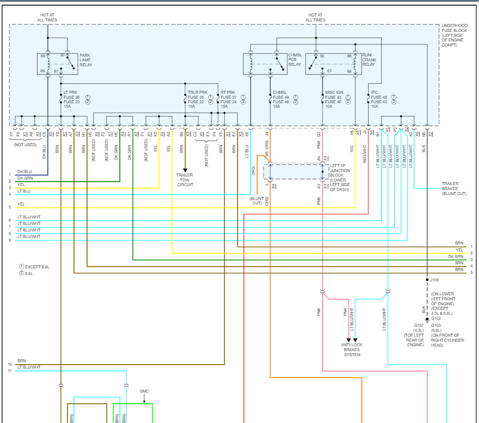
This lighting system is controlled by the BCM which is powered by fuses in the under-hood fuse panel. I would check fuses using this guide also I have included the running light wiring diagrams so you can see how the system works and which fuses to check. If all fuses are okay check the ground circuit of the left front bulb.

These guides can help us fix the problem:

https://www.2carpros.com/articles/how-to-check-a-car-fuse

and

https://www.2carpros.com/articles/no-tail-lights-exterior-running-lights-tail-lights-out

If everything is okay, I would replace the BCM, you can get a preprogrammed unit by searching Google or Ebay. Check out the images (below). Let us know what happens and please upload pictures or videos of the problem so we can see what's going on. I have included the location of the BCM and how to change it out.
Was this
answer
helpful?
Yes
No
+1
Wednesday, June 14th, 2023 AT 11:11 AM
Tiny
JBK76
  • MEMBER
  • 4 POSTS
Thanks for the info. All fuses are good and couldn't find a bad ground. I opened the fuse panel under the hood and I'll upload an image.
Was this
answer
helpful?
Yes
No
Thursday, June 15th, 2023 AT 8:27 PM
Tiny
KEN L
  • MASTER CERTIFIED MECHANIC
  • 55,488 POSTS
Yep, that does not look good, was the car under water? I would replace the board and check the amin battery ground to the engine block and the chassis, thanks for the image, it helps.
Was this
answer
helpful?
Yes
No
+1
Friday, June 16th, 2023 AT 7:33 AM
Tiny
JBK76
  • MEMBER
  • 4 POSTS
Thanks, that's what I was thinking. Actually the tank blew on radiator and got all in fuse panel.
Was this
answer
helpful?
Yes
No
Friday, June 16th, 2023 AT 9:32 AM
Tiny
KEN L
  • MASTER CERTIFIED MECHANIC
  • 55,488 POSTS
Yep, that will do it. Please let me know what happens after the BCM replacement.
Was this
answer
helpful?
Yes
No
Saturday, June 17th, 2023 AT 9:29 AM
Tiny
JBK76
  • MEMBER
  • 4 POSTS
Will do.
Was this
answer
helpful?
Yes
No
Saturday, June 17th, 2023 AT 3:35 PM

Please login or register to post a reply.