Tuesday, September 3rd, 2024 AT 9:23 AM
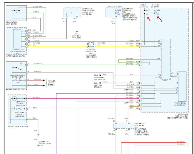
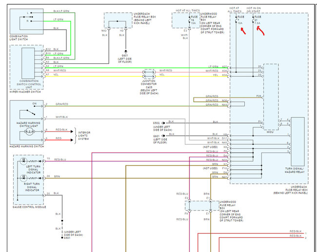
At first, my driver's side headlight, turn signals (front and back) and dash display for left turn did not click or light up and taillight did not light up, all on drivers' side. Hazards would click and light up only the right side, nothing on the left. Checked fuses, both under hood and inside panel, nothing bad found. Replaced the hazard/turn relay under panel above in dash fuse box and now the driver's headlight and taillights work, and turn signal on the back. Left turn signal now indicates on dash, and left turn bulb illuminates, but does not flash. Any ideas what to test next (I have a multimeter, but not skilled at using it) or what is worth replacing next?






