Thursday, November 2nd, 2017 AT 8:57 AM
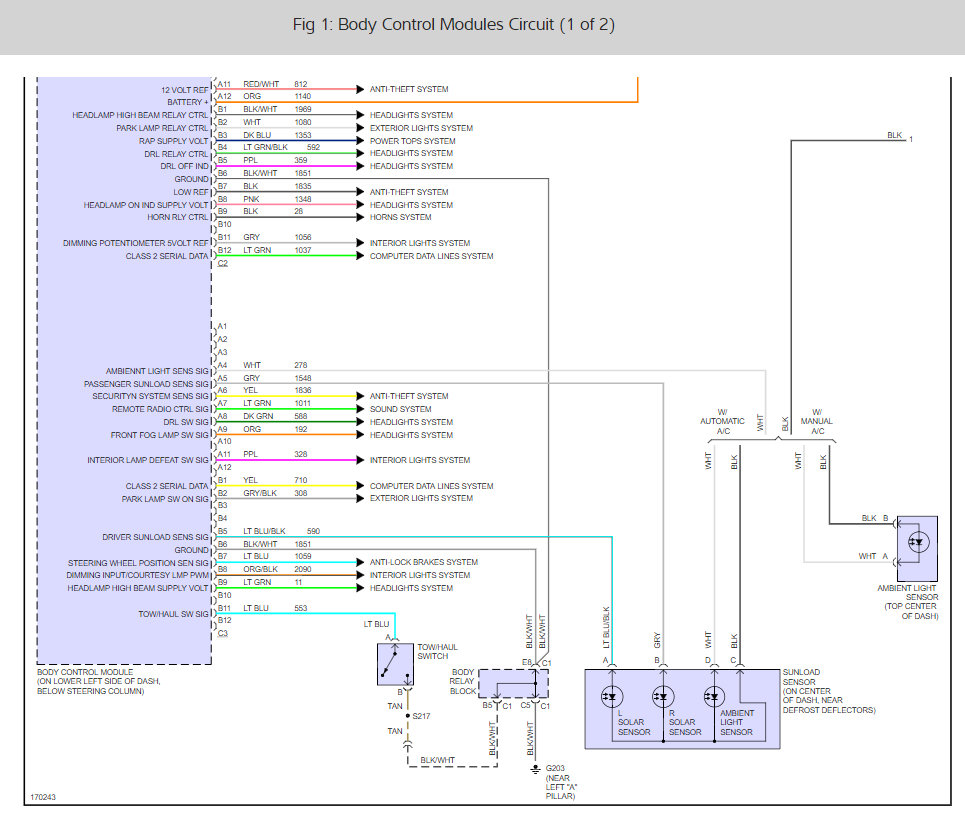
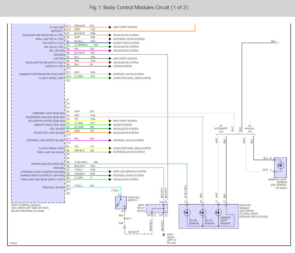
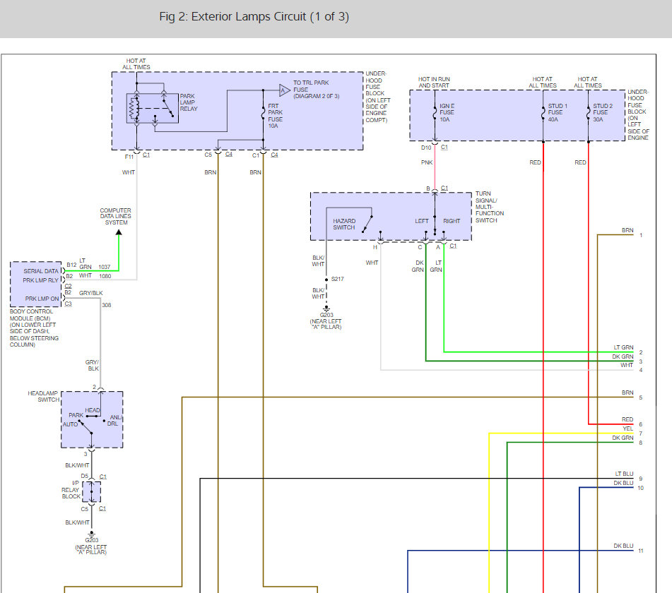
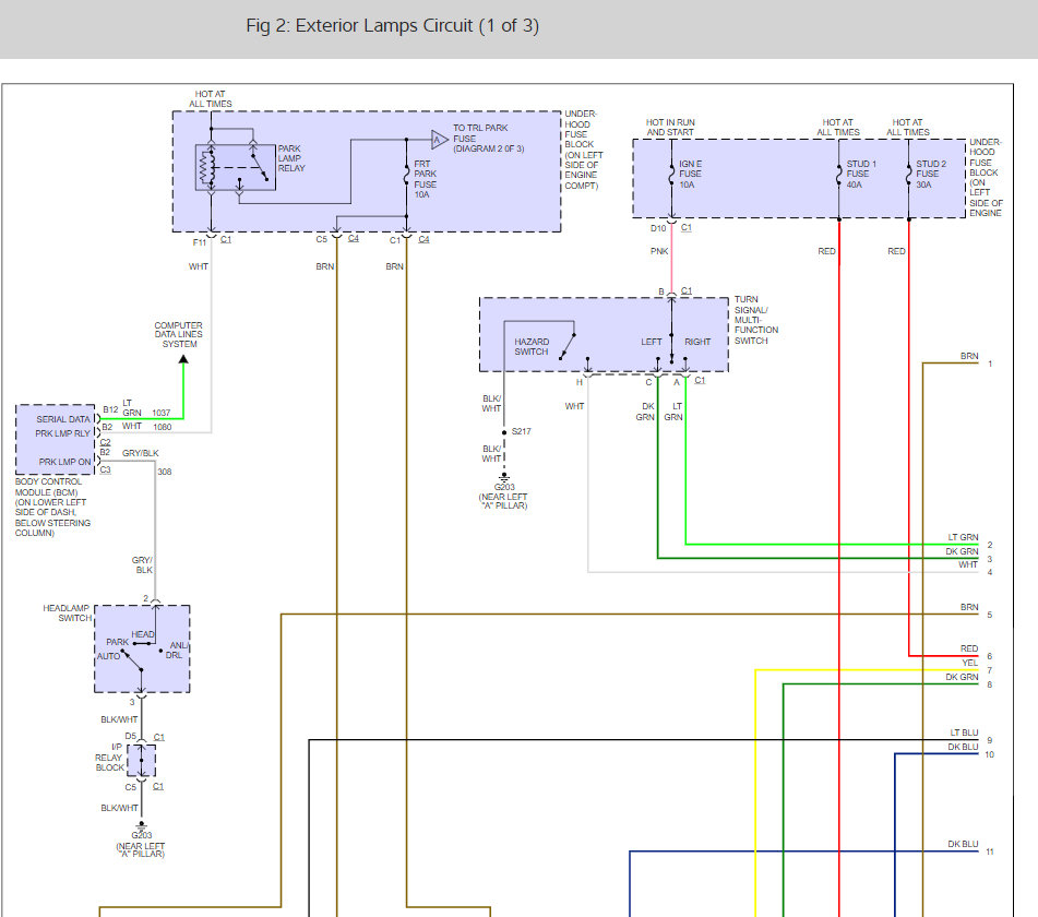
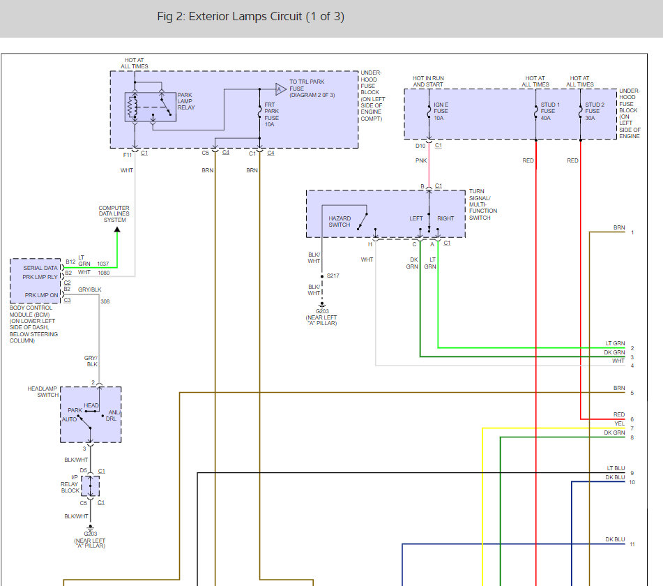
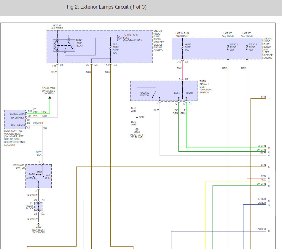
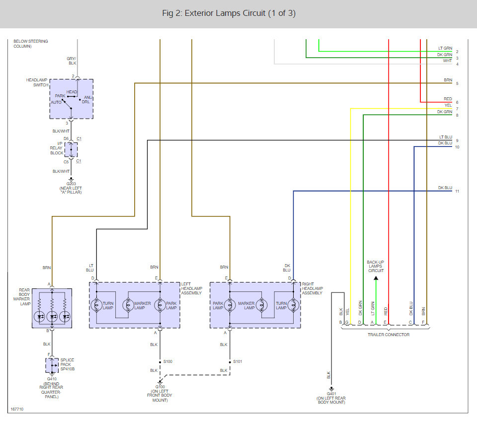
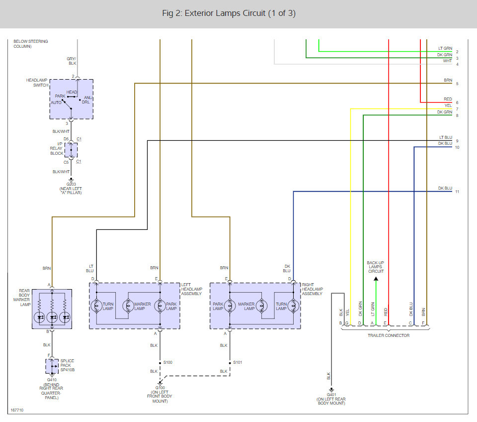
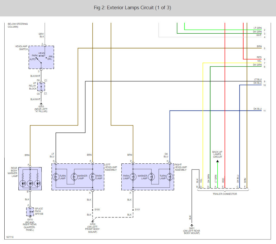
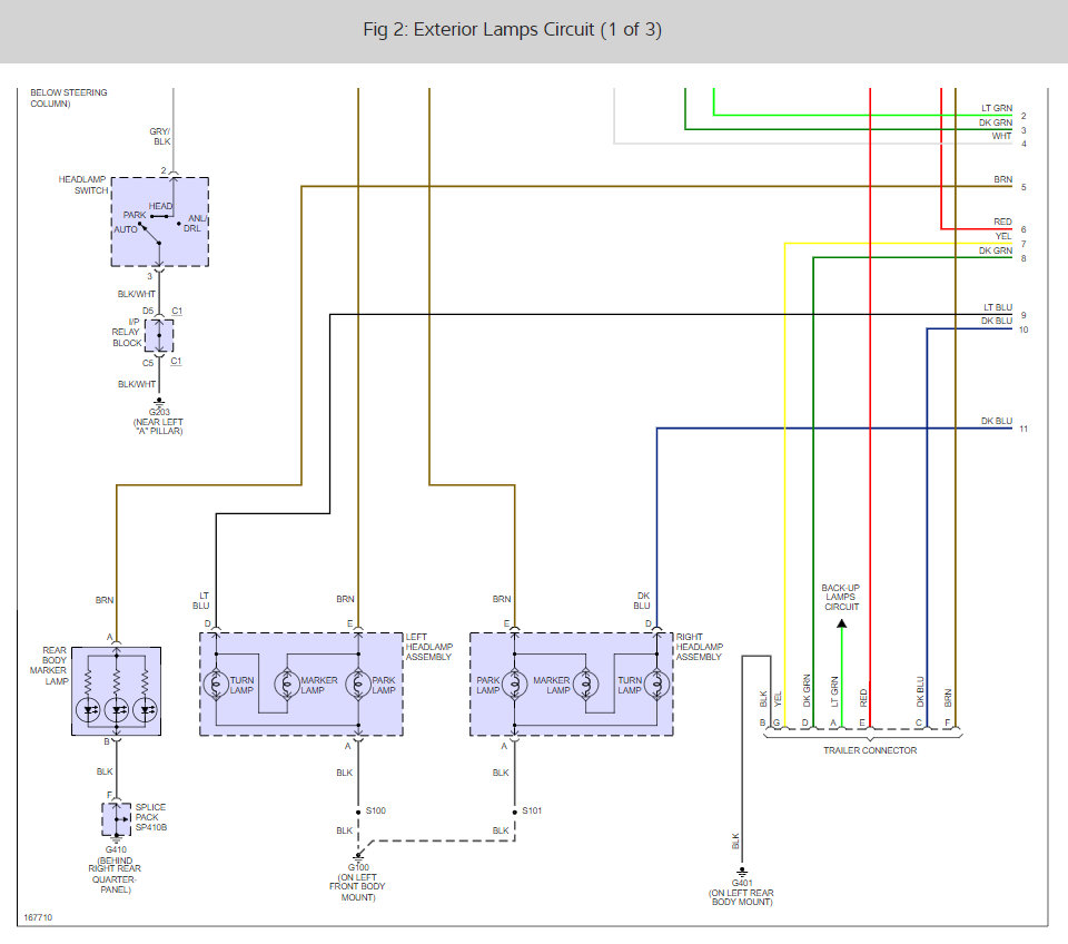
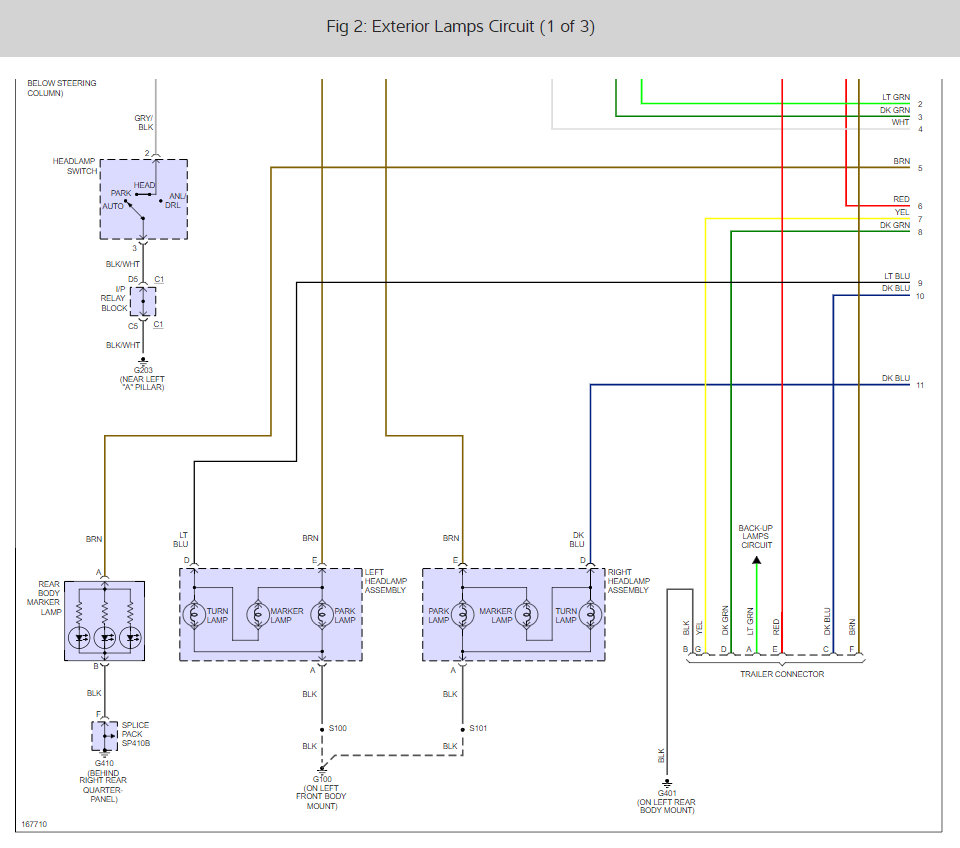
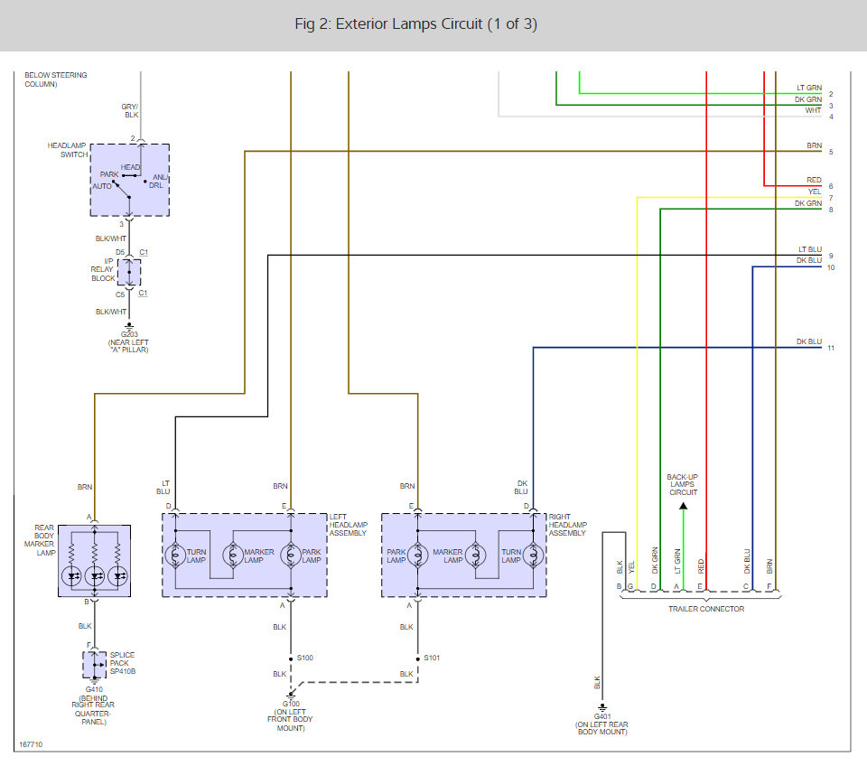
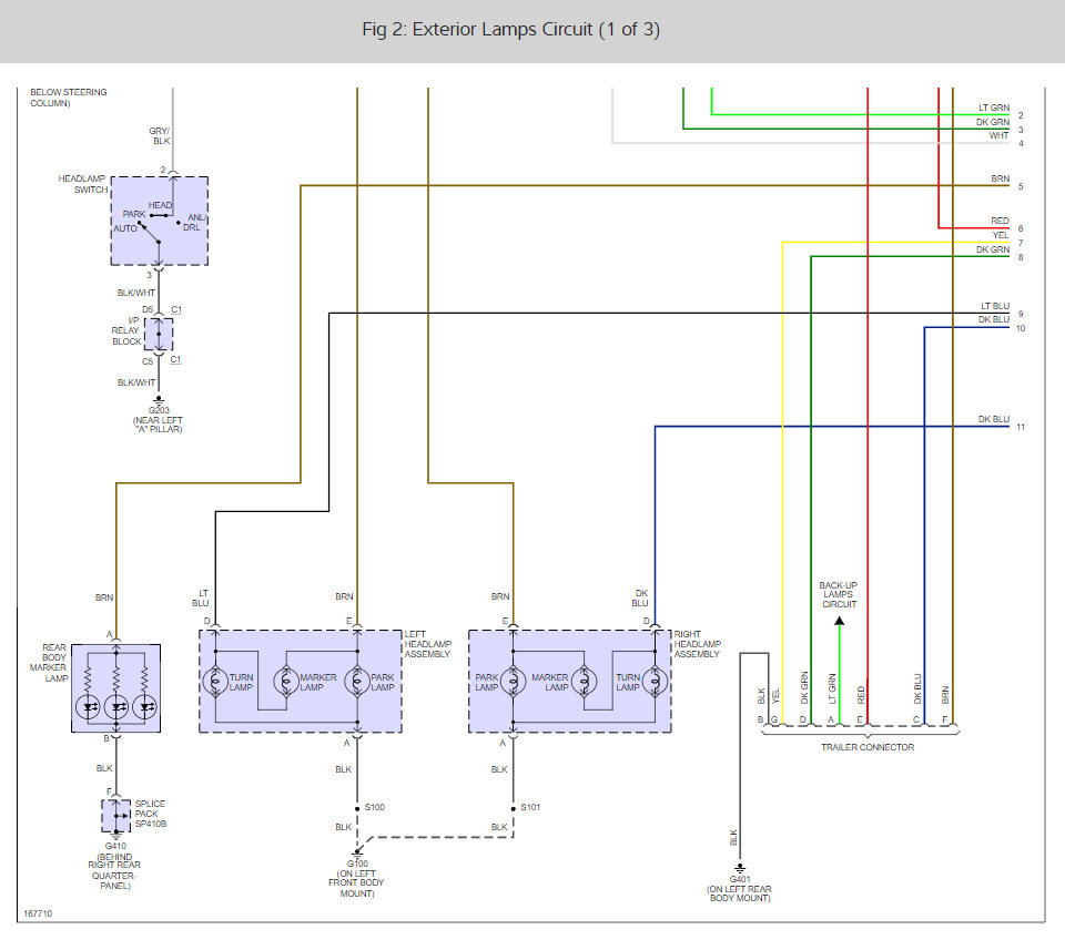
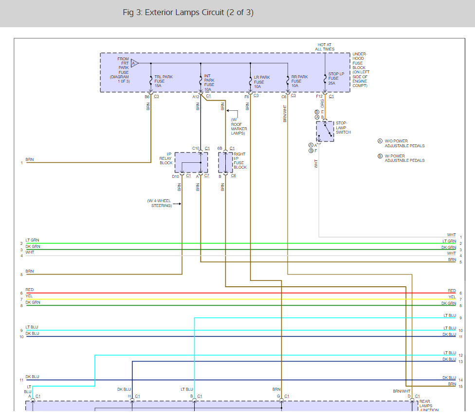
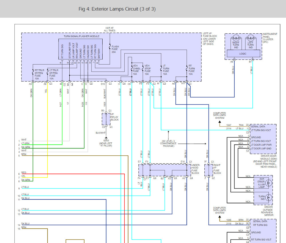
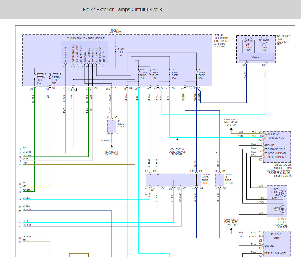
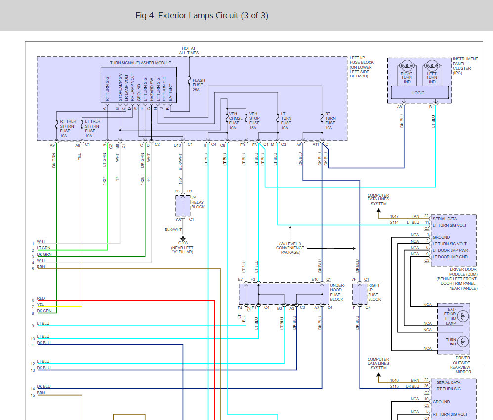
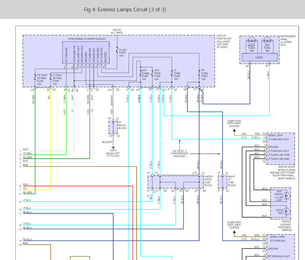
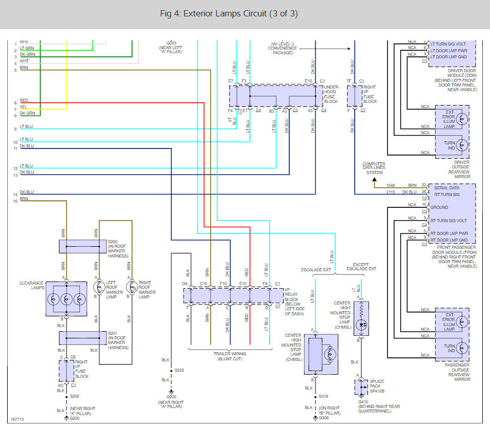
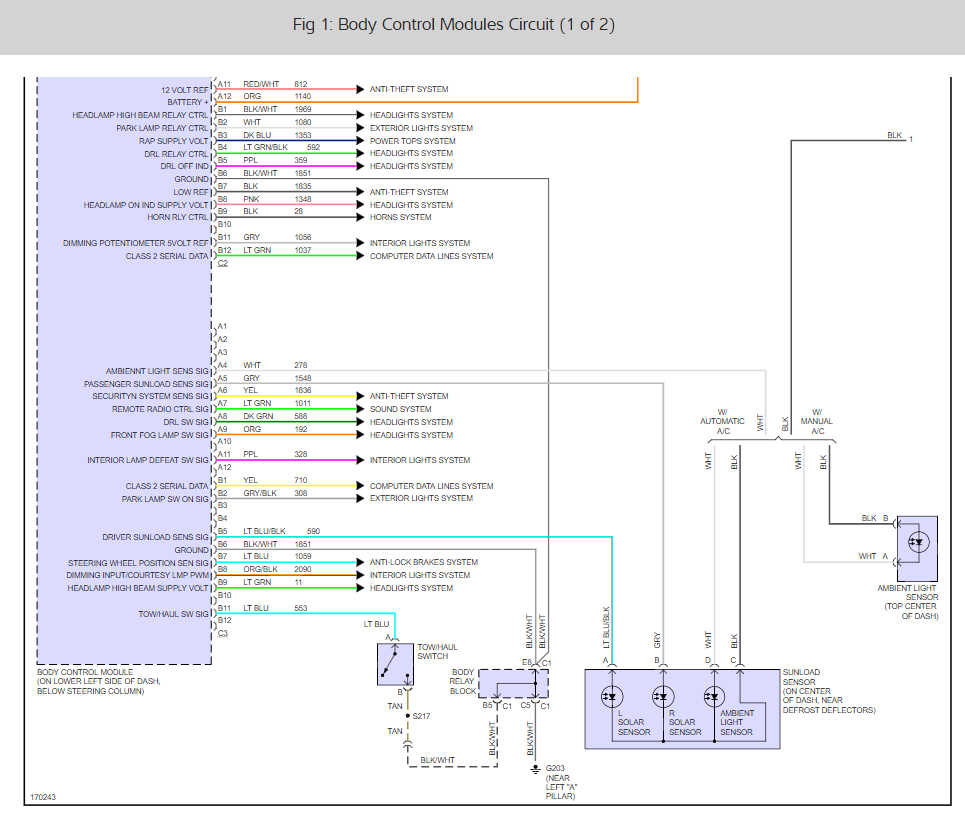
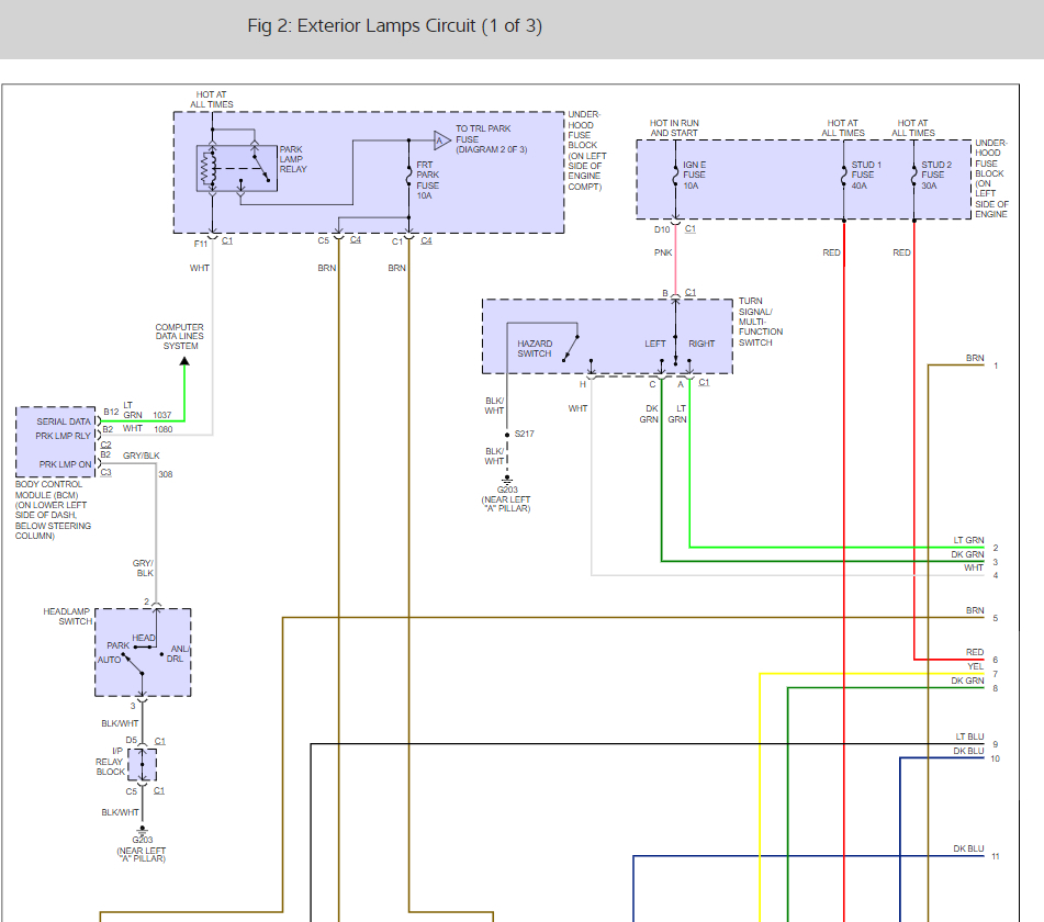
When I hit the brakes intermittently the left turn signal will come on steady, also if using left turn signal it will sometimes turn steady when brakes are applied. The bulbs are good. Where are the grounds for this system? Other possible causes? Also, on occasion when using cruise, hitting the left turn signal will shut the cruise off.















