Left turn signal and left hazards do not work

Tiny
FILM314
  • MEMBER
  • 2005 CHEVROLET TAHOE
  • 5.3L
  • V8
  • 2WD
  • AUTOMATIC
  • 150,000 MILES
Right side is fine, but the left side turn, and hazard signals are not working. I have installed new bulbs, a new flasher relay, and a new multi switch. I'm thinking a common wire on the left side but which one?
Friday, June 3rd, 2022 AT 11:56 AM

1 Reply

Tiny
JACOBANDNICKOLAS
  • MECHANIC
  • 110,192 POSTS
Hi,

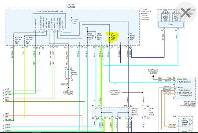
Did you check the fuse for the left turn signal lights? It is located in the fuse panel under the left side of the dash. If you haven't already, first make sure the fuse itself is good. If it is, then confirm there is power to and from it. Here is a link you may find helpful:

https://www.2carpros.com/articles/how-to-check-a-car-fuse

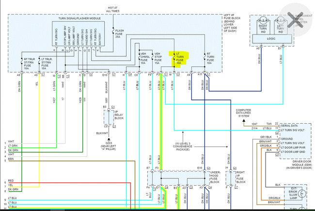
I looked through the schematics, and it appears that the power supply for the signals/hazard will be a light blue. Locate the light blue wire at the light socket and see if there is power to it. Here is a link you may find helpful:

https://www.2carpros.com/articles/how-to-check-wiring

If you look at pics 1-3, they are from the schematic. They show the wire I am referring to as well as the fuse. Make sure the fuse is doing its job and then check for power at the light blue wires.

Pic 4 shows the fuse location under the dash.

Let me know what you find or if you have questions.

Take care,

Joe

See pics below.
Was this
answer
helpful?
Yes
No
Friday, June 3rd, 2022 AT 10:10 PM

Please login or register to post a reply.