Left rear turn signal has no power?

Tiny
DELVEE SOLES
  • MEMBER
  • 2002 DODGE INTREPID
  • 2.7L
  • 6 CYL
  • 2WD
  • AUTOMATIC
  • 74,000 MILES
The bulb is good.
Wednesday, August 17th, 2022 AT 12:21 PM

4 Replies

Tiny
JACOBANDNICKOLAS
  • MECHANIC
  • 110,192 POSTS
Hi,

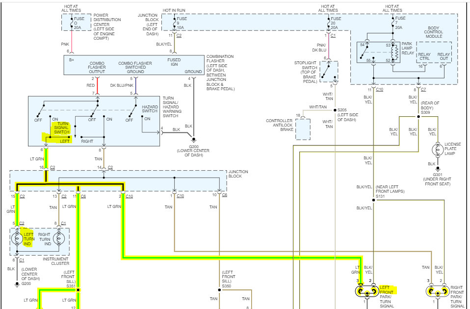
When you turn the left signal on, does the flasher hyper flash? Is the front left working as well as the indicator in the vehicle?

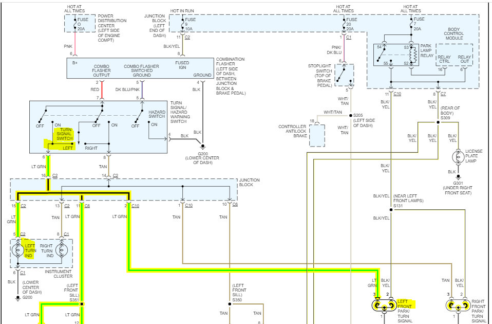
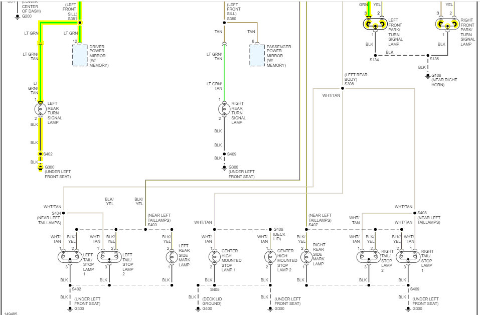
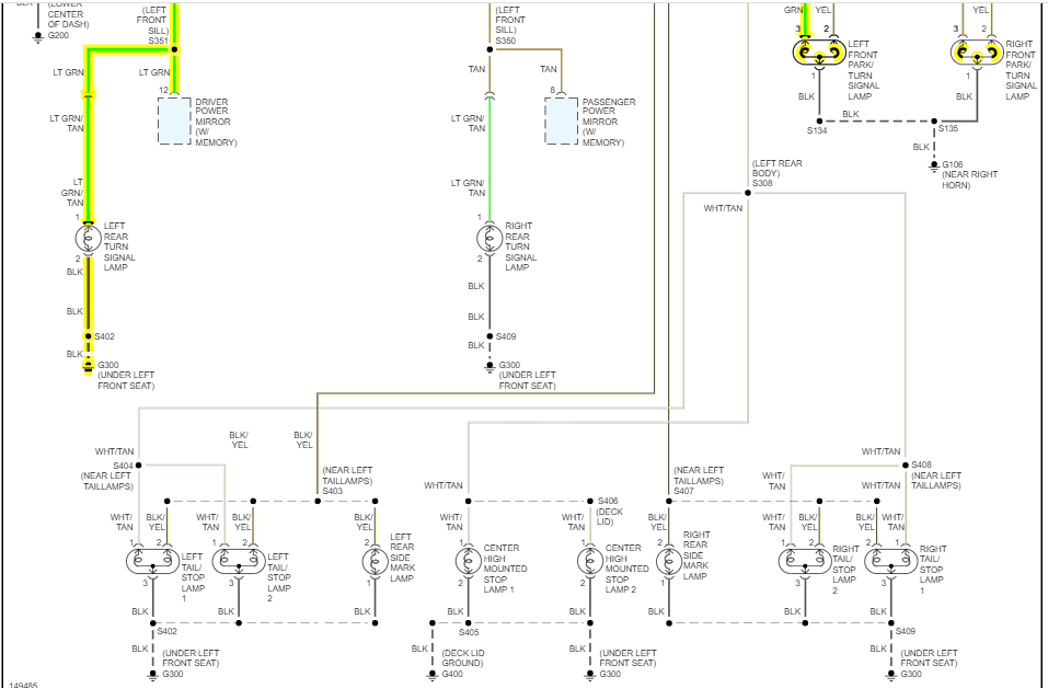
You mentioned there is no power to the left rear. Did you check the light green wire with a tan tracer while the signal was on? If not, use a test light or multimeter to confirm there is power.

If you find there is power, but it still doesn't work, there will also be a black wire at the connector. See if that wire has continuity to ground.

I attached the wiring schematic below and highlighted everything related to the left signal. Note that the front left signal, as well as the indicator in the vehicle, is tied into the same wire. That is why I need to know if anything other is working. If they are, either we lost ground, there is a faulty light socket, or the power supply is broken.

Here is a link you may find helpful:

https://www.2carpros.com/articles/how-to-check-wiring

Let me know what you find.

Take care,

Joe

See pics below.
Was this
answer
helpful?
Yes
No
+2
Wednesday, August 17th, 2022 AT 8:56 PM
Tiny
DELVEE SOLES
  • MEMBER
  • 3 POSTS
Thanks for your help, the bulb was not making good contact. Will replace the socket. Thanks
Was this
answer
helpful?
Yes
No
Saturday, August 20th, 2022 AT 10:25 AM
Tiny
JACOBANDNICKOLAS
  • MECHANIC
  • 110,192 POSTS
Hi,

You are very welcome and thank you for the update. I'm glad to know you found the issue. They seem to be using brighter bulbs that make more heat. As a result, the sockets overheat and fail.

Regardless, let me know if you have other questions or if I can help. Also, please feel free to come back anytime in the future. You are always welcome here.

Take care,

Joe
Was this
answer
helpful?
Yes
No
+1
Saturday, August 20th, 2022 AT 9:34 PM
Tiny
DELVEE SOLES
  • MEMBER
  • 3 POSTS
Thank you !
Was this
answer
helpful?
Yes
No
Sunday, August 21st, 2022 AT 9:36 AM

Please login or register to post a reply.